GM Service Manual Online
For 1990-2009 cars only
Figure 1:

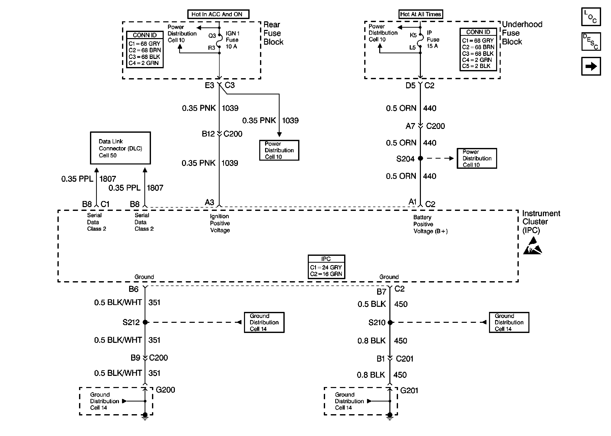
Cell 81: Power, Ground in Class 2


Object Number: 384702  Size: FS
Cell 10: IGN 1 Relay and SIR, VENT SOL, IGN1 Fuses
Cell 10: PCM BATT, EXPORT BRK, IP, ABS SOL, and ABS MOT Fuses
Cell 50: Class 2 Serial Data Line (LH Drive)
Cell 10: IGN 1 Relay and SIR, VENT SOL, IGN1 Fuses
Cell 10: PCM BATT, EXPORT BRK, IP, ABS SOL, and ABS MOT Fuses
Cell 14: G200 (1 of 2)
Cell 14: G201 (2 of 3)
Instrument Cluster Components
Instrument Cluster Description
Cell 81: PCM & IPC Inputs
Handling ESD Sensitive Parts Notice
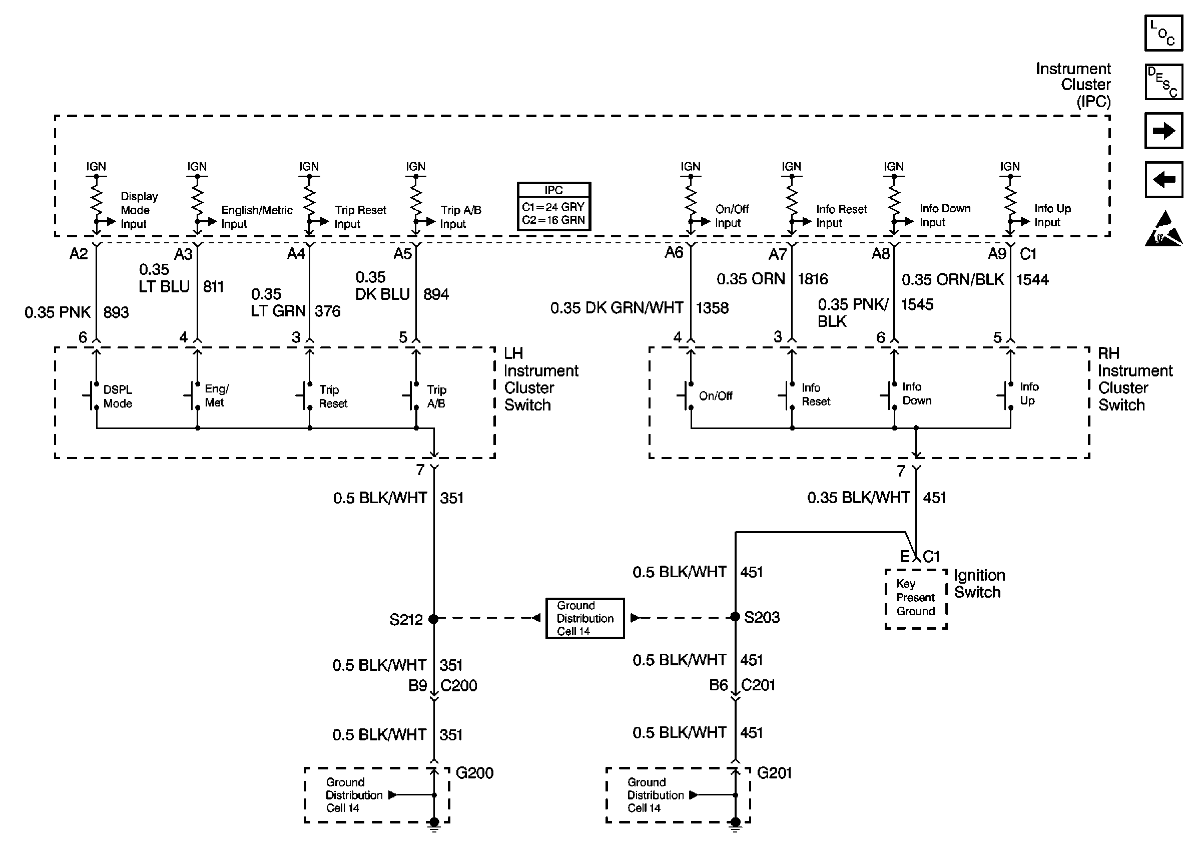
Figure 2:

Cell 81: PCM & IPC Inputs


Object Number: 384705  Size: FS
Cell 85: Gateway Communication and Video Jacks
Cell 34: Cruise Control Module Inputs and Outputs
Cell 43: Power and Ground
Cell 110: Hazard Switch Assembly
Cell 110: Hazard Switch Assembly
Instrument Cluster Components
Instrument Cluster Description
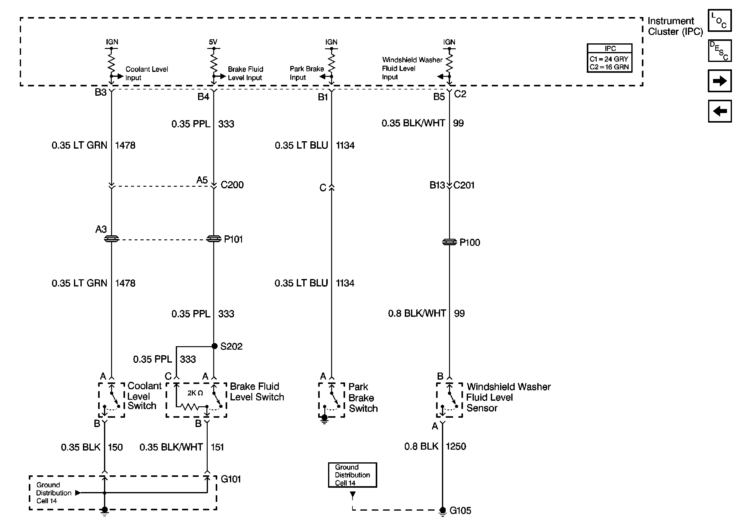
Cell 81: Coolant, Brake Fluid, Park Brake, Washer Fluid Inputs
Cell 81: Power, Ground in Class 2
Handling ESD Sensitive Parts Notice
Figure 3:

Cell 81: Coolant, Brake Fluid, Park Brake, Washer Fluid Inputs


Object Number: 384708  Size: FS
Instrument Cluster Components
Instrument Cluster Description
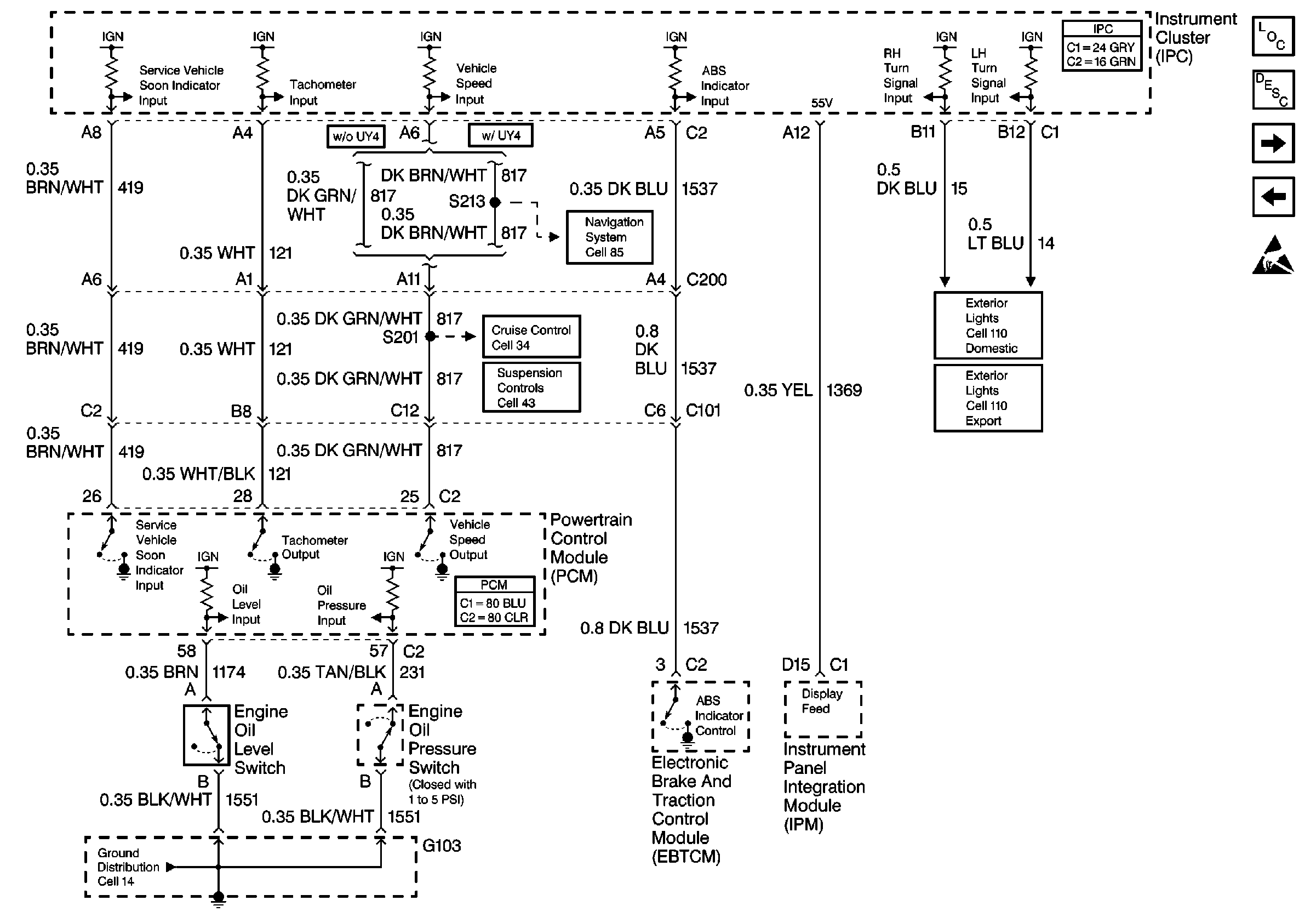
Cell 81: MIL TAC VSS & ABS Controls
Cell 81: PCM & IPC Inputs
Cell 14: G101 and G105
Figure 4:

Cell 81: MIL TAC VSS & ABS Controls


Object Number: 384713  Size: FS
Instrument Cluster Components
Instrument Cluster Description
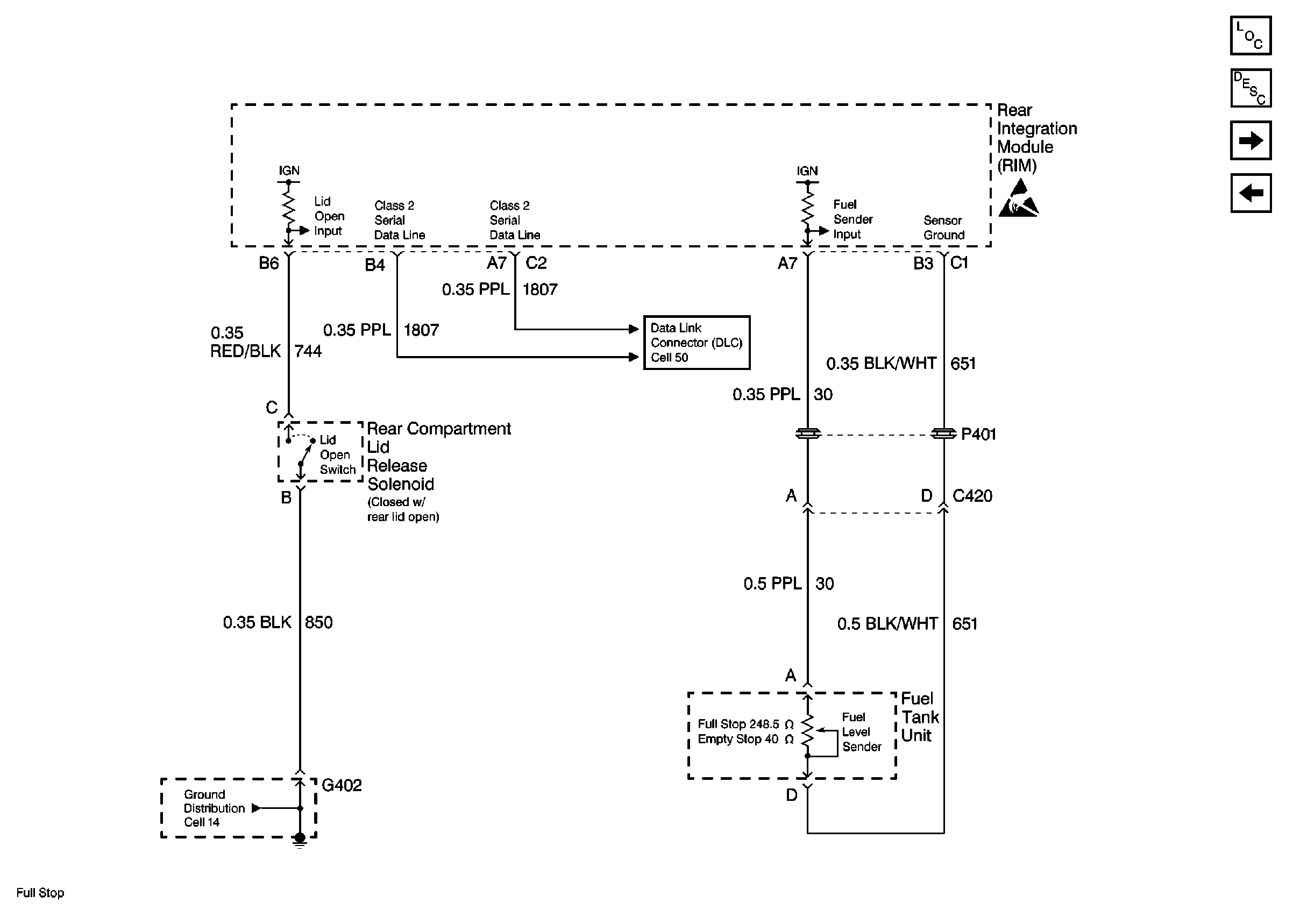
Cell 81: Fuel Sender & Rear Compartment Lid Switch
Cell 81: Coolant, Brake Fluid, Park Brake, Washer Fluid Inputs
Handling ESD Sensitive Parts Notice
Ground Distribution Schematics
Figure 5:

Cell 81: Fuel Sender & Rear Compartment Lid Switch


Object Number: 384715  Size: FS
Instrument Cluster Components
Instrument Cluster Description
Cell 81: Door Jamb Switches
Cell 81: MIL TAC VSS & ABS Controls
Handling ESD Sensitive Parts Notice
Cell 50: Class 2 Serial Data Line (LH Drive)
Figure 6:

Cell 81: Door Jamb Switches


Object Number: 384717  Size: FS
Instrument Cluster Components
Instrument Cluster Description
Cell 81: Fuel Sender & Rear Compartment Lid Switch
Handling ESD Sensitive Parts Notice
Cell 50: Class 2 Serial Data Line (LH Drive)