GM Service Manual Online
For 1990-2009 cars only
Makes
🢒
Cadillac
🢒
1999
🢒
Seville
🢒
Body and Accessories
🢒
Theft Deterrent
🢒 Theft Deterrent System Schematics
Figure
1:
Cell 133: PASS-Key
Theft Deterrent System Components
Vehicle Theft Deterrent (VTD) Description
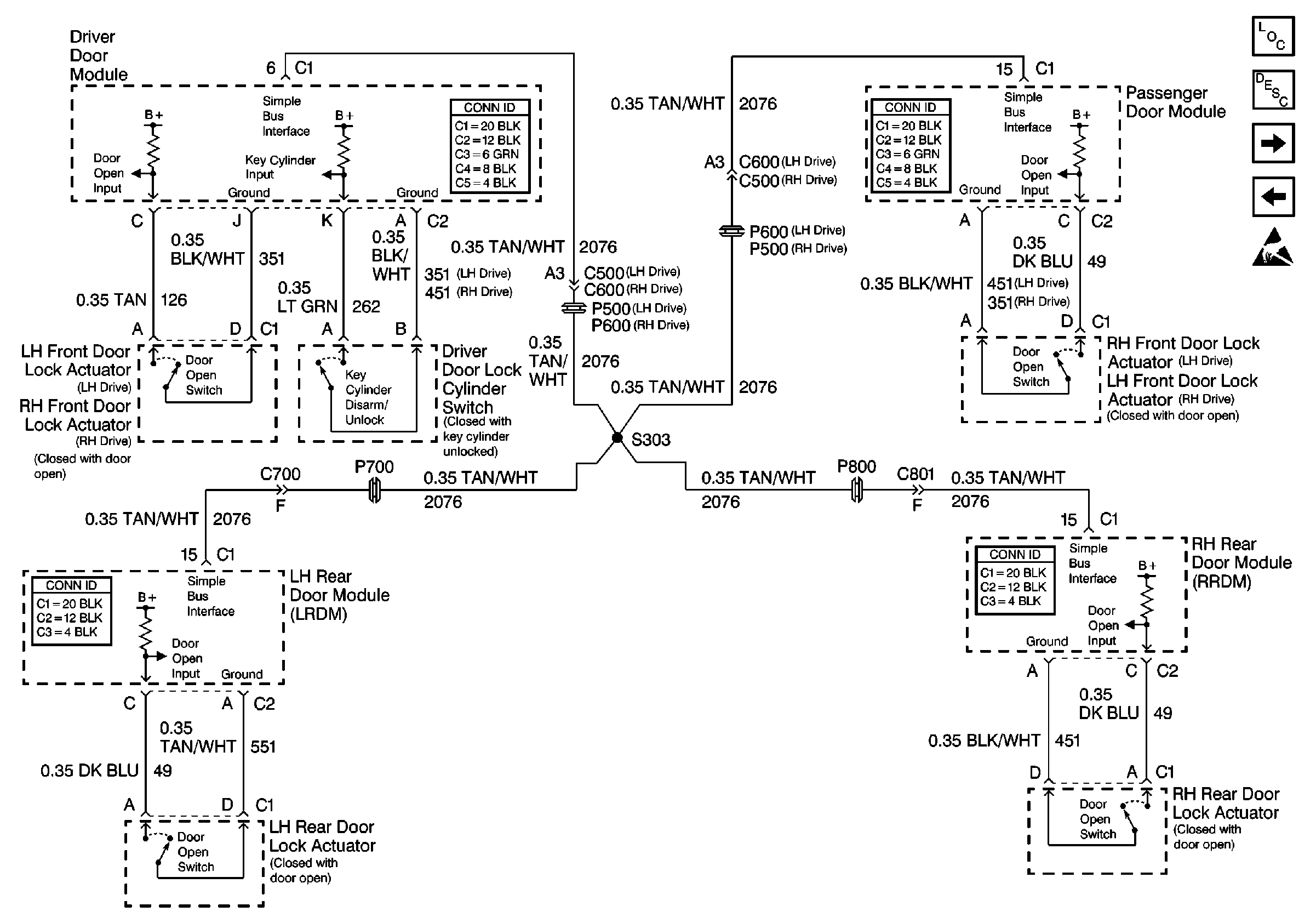
Cell 133: CTD Door Switch Inputs
Cell 10: IGN, SW, HTDST LR, HTDST RR, and HTDST RF Fuses
Cell 10: PCM BATT, EXPORT BRK, IP, ABS SOL, and ABS MOT Fuses
Cell 10: START Circuit Breaker and ACC, WSW Fuses
Cell 10: Ignition Switch
Cell 30: Starter Solenoid Controls
Cell 50: Class 2 Serial Data Line (LH Drive)
Cell 14: G201 (1 of 3)
Handling ESD Sensitive Parts Notice
Cell 14: G201 (1 of 3)
Figure
2:
Cell 133: CTD Door Switch Inputs
Theft Deterrent System Components
Content Theft Deterrent (CTD) Circuit Description
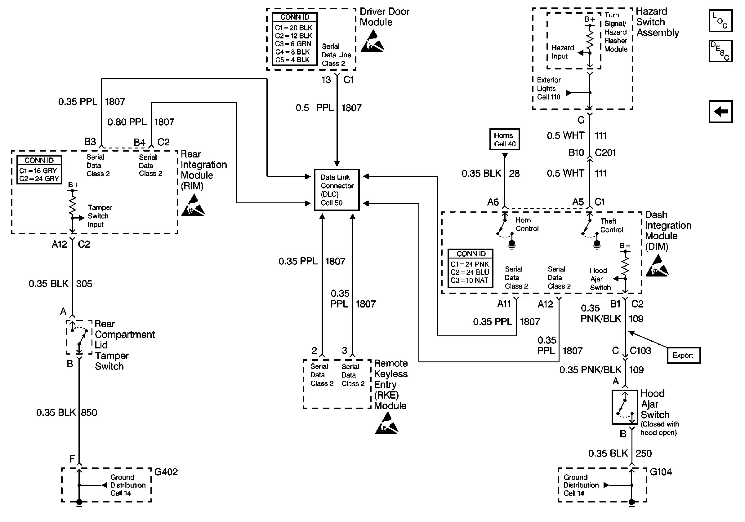
Cell 133: CTD Outputs, Tamper Switches, and Class 2
Cell 133: PASS-Key
Handling ESD Sensitive Parts Notice
Figure
3:
Cell 133: CTD Outputs, Tamper Switches, and Class 2
Theft Deterrent System Components
Content Theft Deterrent (CTD) Circuit Description
Cell 133: CTD Door Switch Inputs
Handling ESD Sensitive Parts Notice
Handling ESD Sensitive Parts Notice
Handling ESD Sensitive Parts Notice
Handling ESD Sensitive Parts Notice
Cell 14: G402 (1 of 2)
Cell 14: G104
Horns Schematics Cell 40
Cell 50: Class 2 Serial Data Line (LH Drive)