GM Service Manual Online
For 1990-2009 cars only

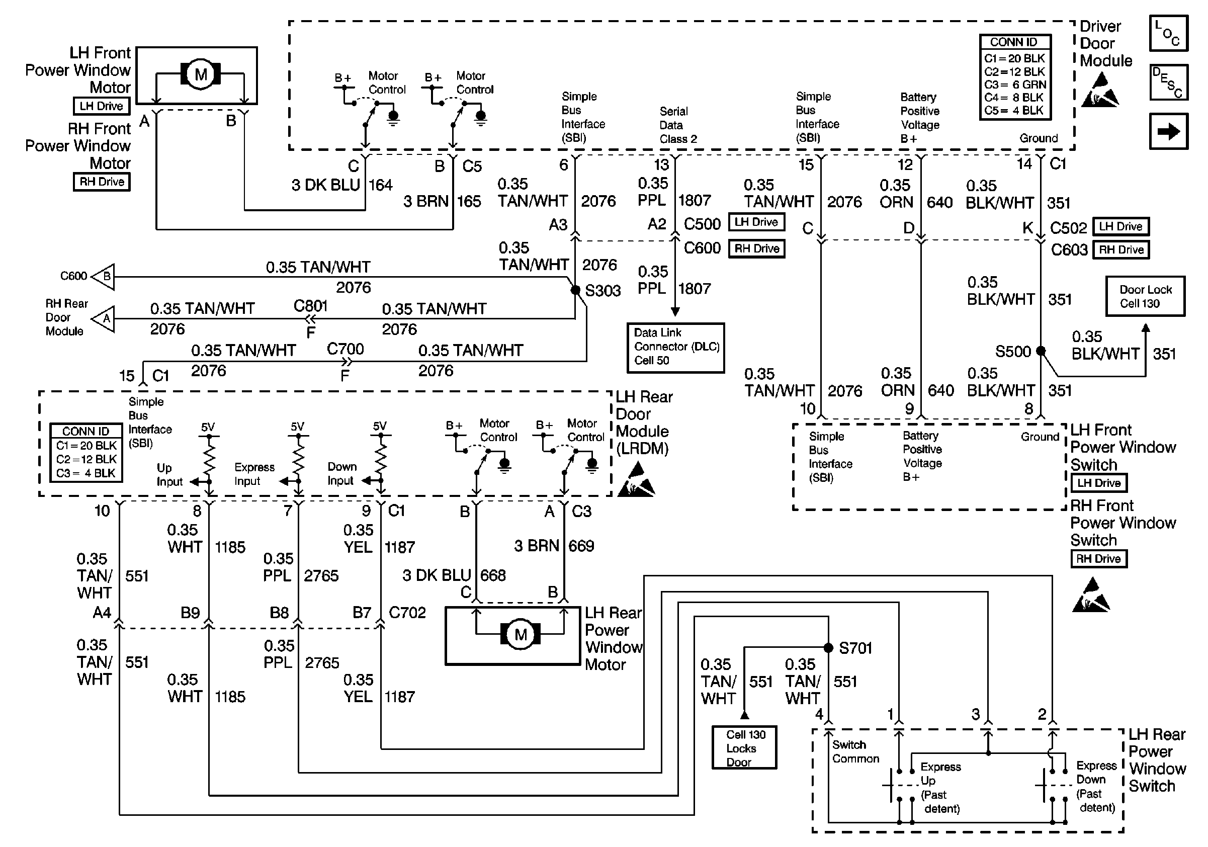
Refer to Power Window Schematics

Cell 120: LH Power Windows


Object Number: 384185  Size: FS
Power Door Systems Components
Door Description
Cell 120: RH Power Window
Handling ESD Sensitive Parts Notice
Cell 120: RH Power Window
Cell 120: RH Power Window
Cell 50: Class 2 Serial Data Line (LH Drive)
Cell 130: RH Power Door Locks
Handling ESD Sensitive Parts Notice
Handling ESD Sensitive Parts Notice
Cell 130: LH Power Door Locks

Circuit Description

The simple bus interface, CKT 217 (LT BLU), provides a communications path from the LH front power window switch to the driver door module. The driver door module contains the following two types of software:

    • Switch message decoding software
    • Simple bus interface diagnostic software

The software enables the driver door module to monitor the state of the LH front power window switch.

Conditions for Setting the DTC

    • If the driver door module receives the message that the switch is closed for more than 30 continuous seconds the driver door module sets this DTC.
    • DTCs B1982 (Battery Voltage High) and B1983 (Battery Voltage Low) must not be current or the diagnostic will not run.

Action Taken When the DTC Sets

The LH front power window switch does not send a new lockout ON/OFF message until the DTC is cleared and the switch is re-activated.

Conditions for Clearing the MIL/DTC

    • This DTC will set from current to history when the LOCKOUT input cycles off or when the power mode changes from OFF to RUN.
    • The history DTC will clear after 50 ignition cycles.
    • Use the On-Board clearing DTC feature.
    • Use a scan tool.

Test Description

The numbers below refer to the step numbers on the diagnostic table.

  1. Perform the Power Door Diagnostic System Check prior to diagnosing DTC B3203.

  1. This test step checks the existing state of the LH front power window switch.

B3203 Rear Window Lockout Switch Stuck High

Step

Action

Value(s)

Yes

No

1

Did you perform the Power Door Systems Diagnostic System Check?

--

Go to Step 2

Go to Diagnostic System Check - Power Door Systems

2

  1. Install the scan tool.
  2. Turn the ignition on.
  3. Go to Driver Door Module inputs.

Does the window lockout switch display OFF?

--

Go to Step 3

Go to Step 4

3

  1. Activate the window lockout switch.
  2. Observe the LH front window switch parameter using the scan tool.

Does the window lockout switch change state?

--

Go to Step 7

Go to Step 4

4

  1. Turn OFF the ignition.
  2. Disconnect the LH front power window switch.
  3. Turn ON the ignition.
  4. Observe the window lockout switch parameter using the scan tool.

Does the scan tool indicate the OFF state?

--

Got to Step 6

Go to Step 5

5

Replace the driver door module.

Refer to Door Control Module Replacement .

Is the repair complete?

--

Go to Step 7

--

6

Replace the LH front power window switch.

Refer to Front Door Switch Replacement .

Is the repair complete?

--

Go to Step 7

--

7

  1. Turn the ignition OFF.
  2. Reconnect or install any connectors or components that were disconnected or removed.
  3. Turn ON the ignition.
  4. Clear any DTCs. Refer to Diagnostic Trouble Code (DTC) Clearing .

Are all the DTCs cleared?

--

Go to Diagnostic System Check - Power Door Systems

--