GM Service Manual Online
For 1990-2009 cars only
Makes
🢒
Cadillac
🢒
1999
🢒
Seville
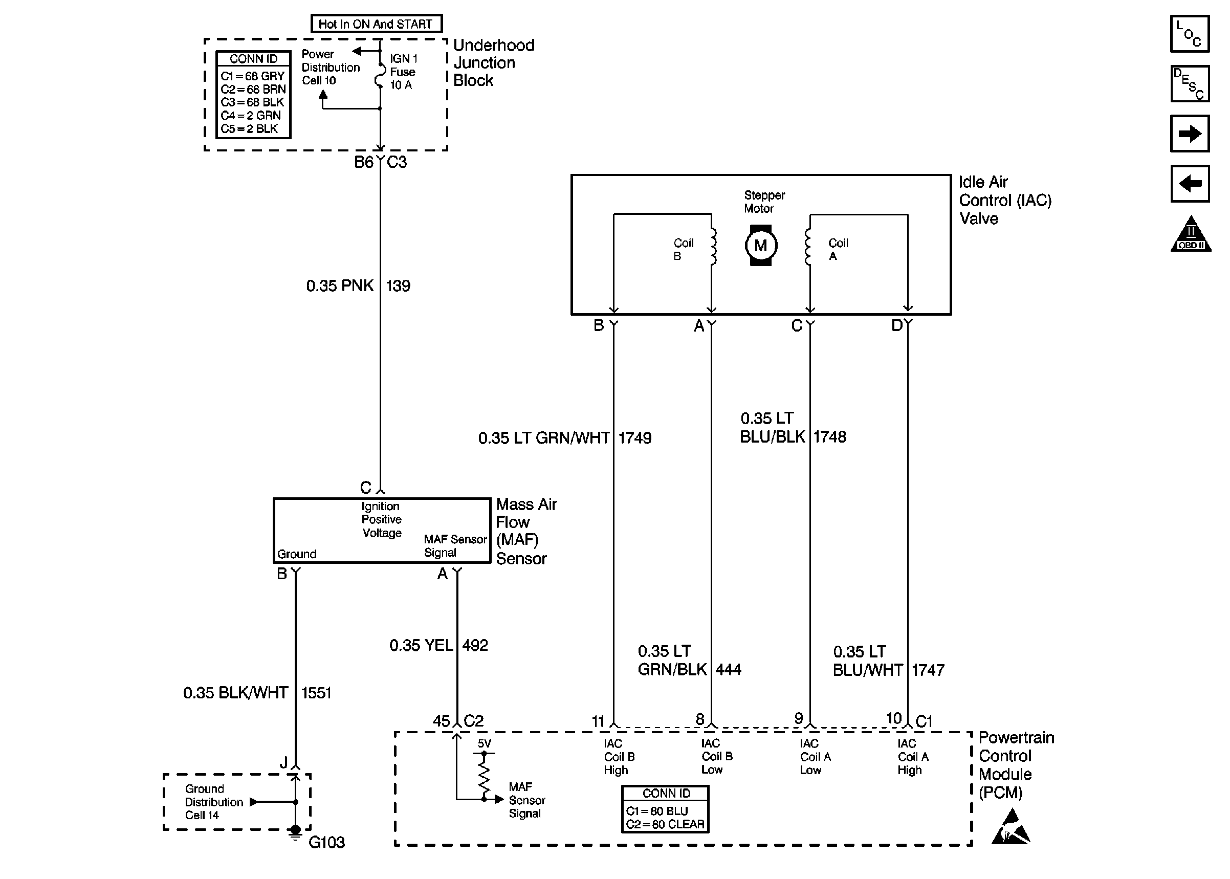
🢒 Cell 20: MAF and IAC
Cell 20: MAF and IAC
Cell 20: MAF and IAC
Engine Controls Components
Information Sensors/Switches Description
Cell 20: HO2S (Early Production)
Cell 20: Fuel Injectors
OBD II Symbol Description Notice
Engine Controls Schematic References
Engine Controls Schematic References
Powertrain Control Module Connector End Views
Handling ESD Sensitive Parts Notice