GM Service Manual Online
For 1990-2009 cars only
Makes
🢒
Cadillac
🢒
1999
🢒
Seville
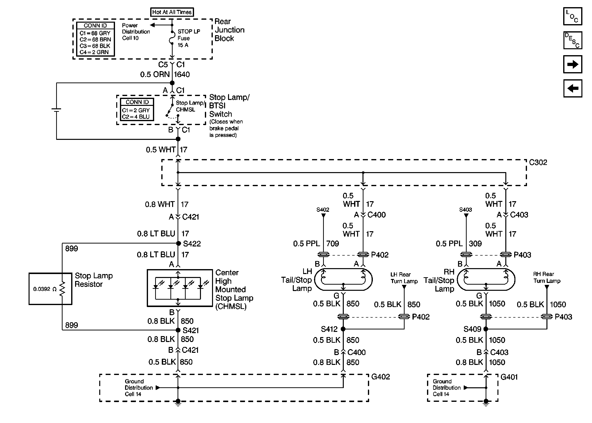
🢒 Cell 110: Stop Lamps
Cell 110: Stop Lamps
Cell 110: Stop Lamps
Lighting Systems Components
Exterior Lights Circuit Description
Cell 110: RH Exterior Lamps
Cell 110: Hazard Switch Assembly
Cell 10: AUX PWR, C/LTR, STOP LP, CIGAR, and HVAC BLO Fuses
Cell 14: G402 (1 of 2)
Cell 14: G401 (2 of 3)
Cell 110: LH Exterior Lamps
Cell 110: LH Exterior Lamps
Cell 110: RH Exterior Lamps
Cell 110: RH Exterior Lamps
Power and Grounding Connector End Views
Tilt Wheel/Column Connector End Views