GM Service Manual Online
For 1990-2009 cars only
Makes
🢒
Cadillac
🢒
1999
🢒
Seville
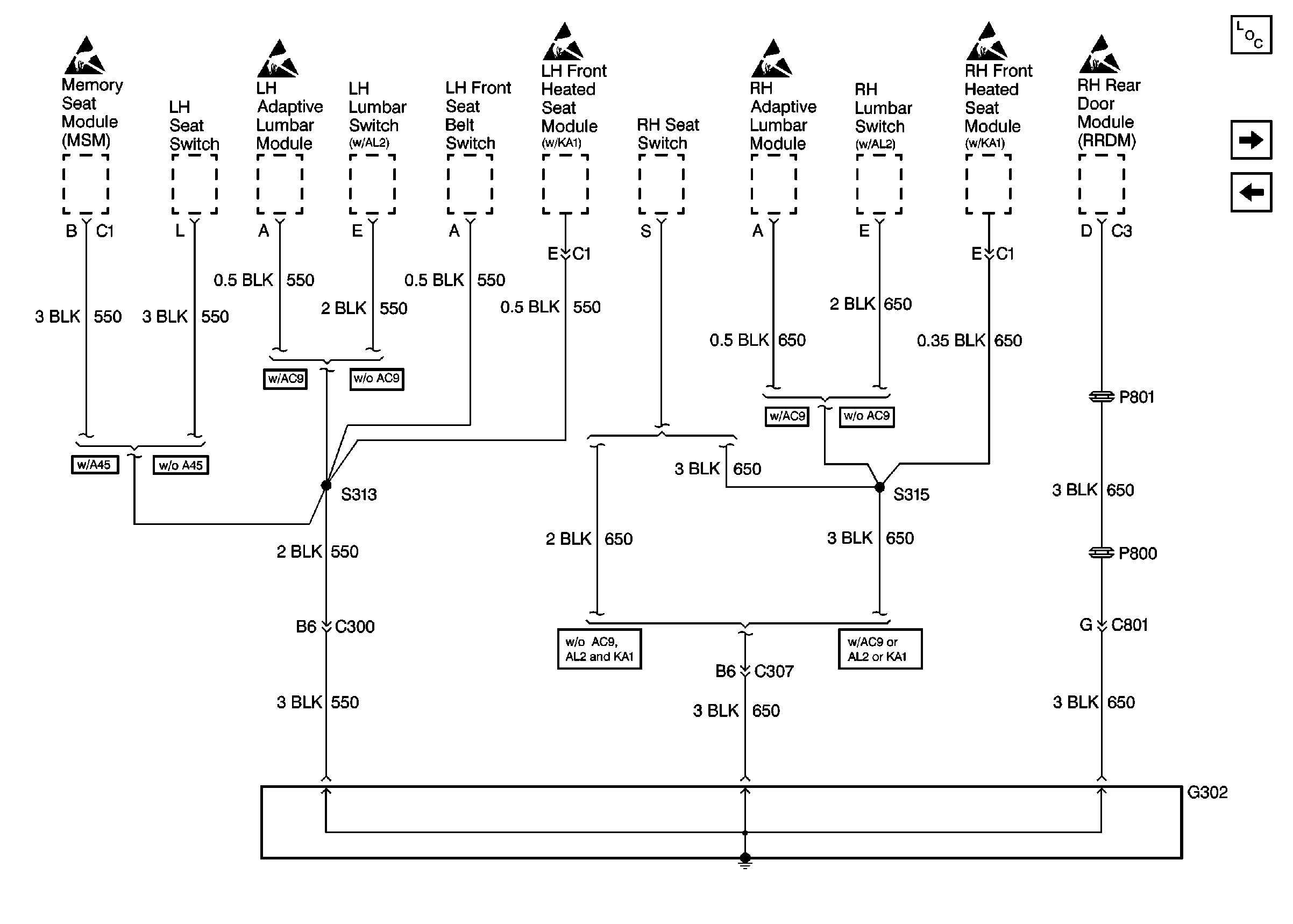
🢒 Cell 14: G302
Cell 14: G302
Cell 14: G302
Power and Grounding Components
Cell 14: G306
Cell 14: G301