GM Service Manual Online
For 1990-2009 cars only
Makes
🢒
Cadillac
🢒
1999
🢒
Seville
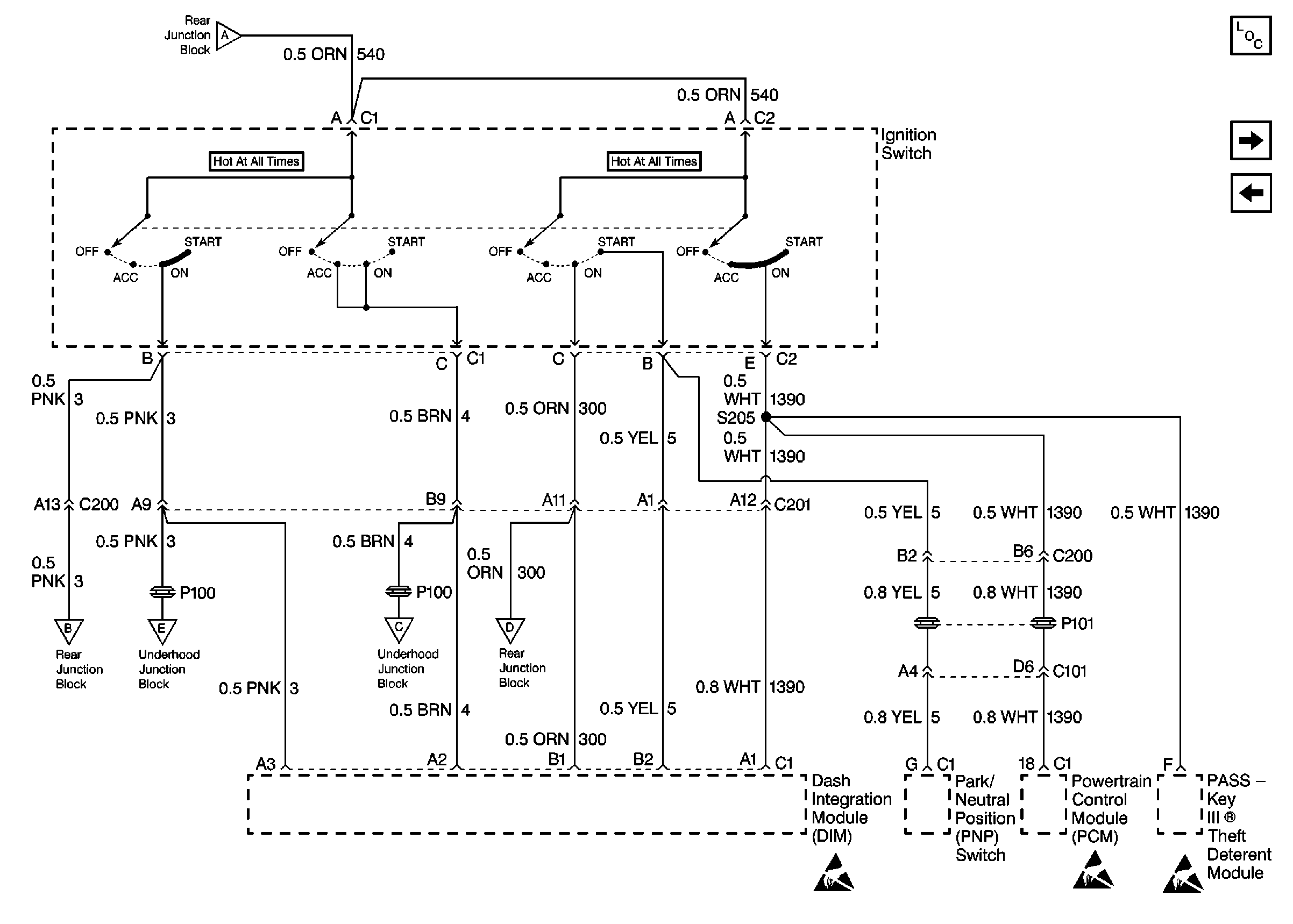
🢒 Cell 10: Ignition Switch
Cell 10: Ignition Switch
Cell 10: Ignition Switch
Power and Grounding Components
Cell 10: IGN 1 Relay and SIR, VENT SOL, IGN 1 Fuses
Cell 10: IGN SW, HTDST LR, HTDST RR, HTDST LF, and HTDST RF Fuses