GM Service Manual Online
For 1990-2009 cars only
Makes
🢒
Cadillac
🢒
1999
🢒
Seville
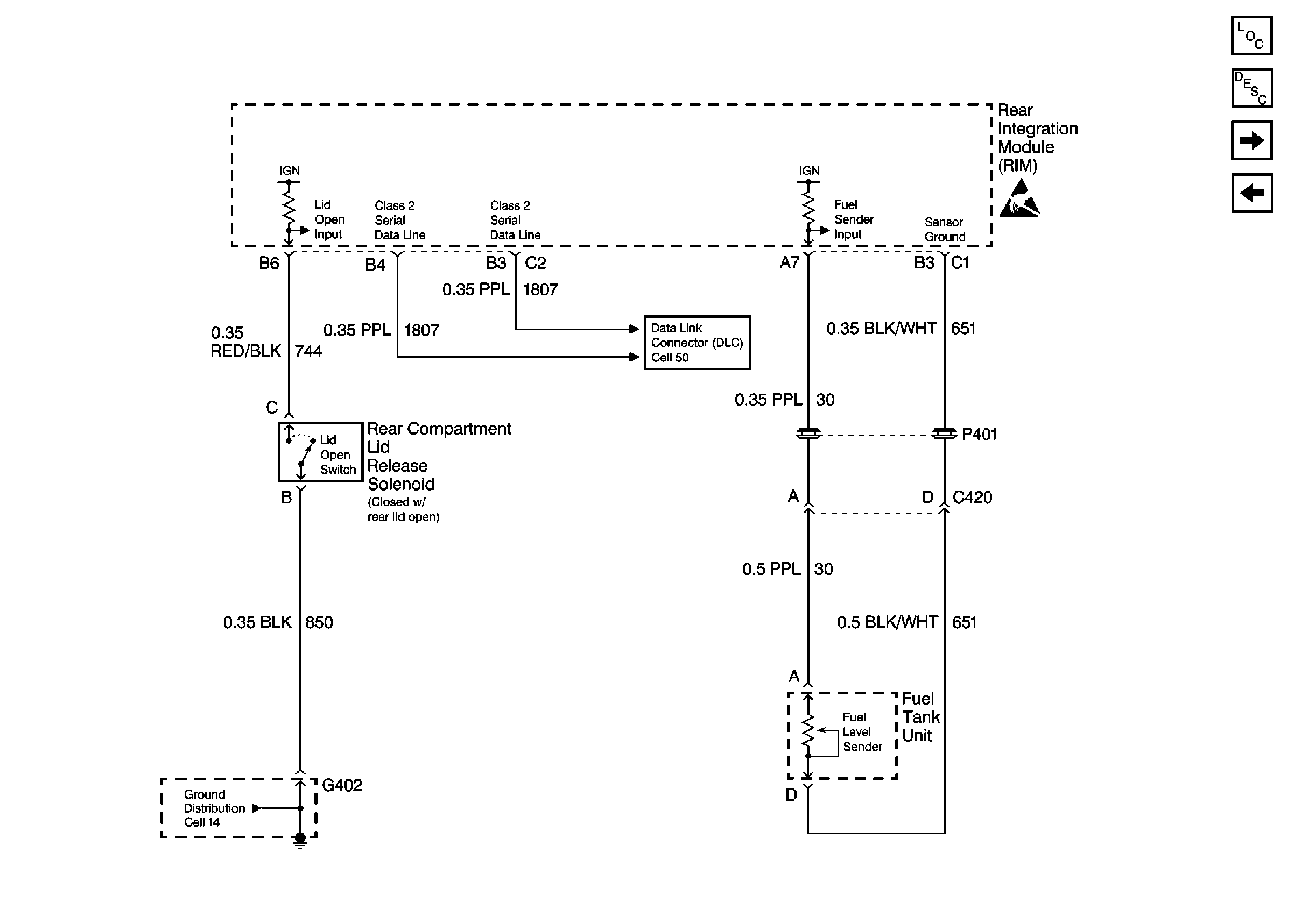
🢒 Cell 81: Fuel Sender and Rear Compartment Lid Switch
Cell 81: Fuel Sender and Rear Compartment Lid Switch
Cell 81: Fuel Sender and Rear Compartment Lid Switch
Instrument Cluster Components
Instrument Cluster Circuit Description
Cell 81: Brake Wear System
Cell 81: MIL, Tach, VSS and ABS Controls
Handling ESD Sensitive Parts Notice
Ground Distribution Schematics
Data Link Connector Schematics