GM Service Manual Online
For 1990-2009 cars only
Makes
🢒
Cadillac
🢒
1999
🢒
Seville
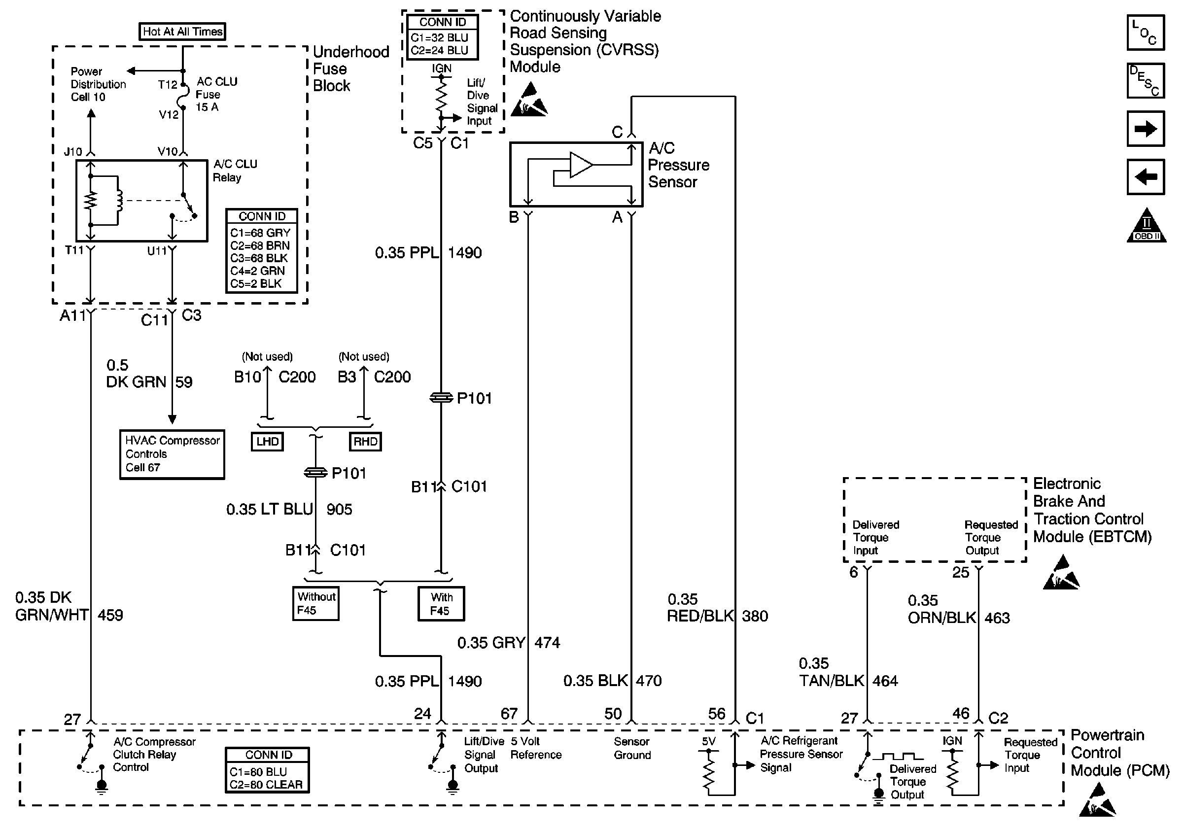
🢒 Cell 20: A/C Relay, A/C Pressure Sensor, CVRSS and EBTCM
Cell 20: A/C Relay, A/C Pressure Sensor, CVRSS and EBTCM
Cell 20: A/C Relay, A/C Pressure Sensor, CVRSS and EBTCM
Engine Controls Components
Electronic Component Description
Cell 20: Generator, Power Steering Press Switch and Oil Level Switch
Cell 20: Cruise Control Module
OBD II Symbol Description Notice
Cell 10: Power to Underhood Fuse Block
Handling ESD Sensitive Parts Notice
Power and Grounding Connector End Views
Handling ESD Sensitive Parts Notice
Powertrain Control Module Connector End Views
Handling ESD Sensitive Parts Notice
Suspension Controls Connector End Views