GM Service Manual Online
For 1990-2009 cars only
Makes
🢒
Cadillac
🢒
1999
🢒
Seville
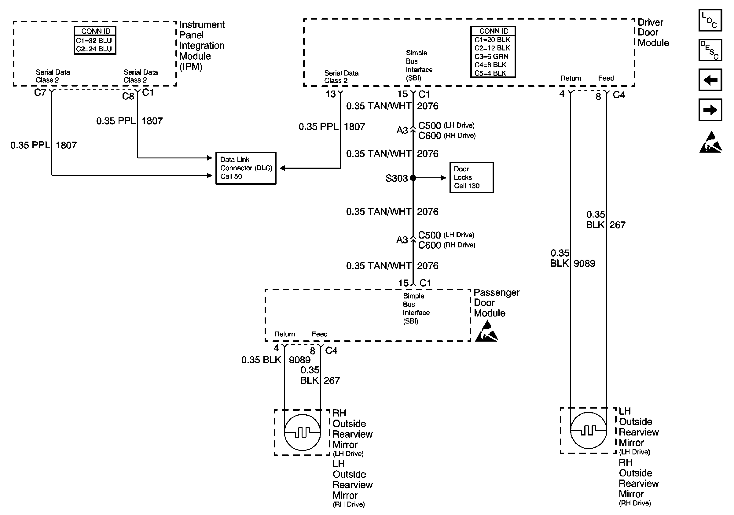
🢒 Cell 147: Heated Mirrors
Cell 147: Heated Mirrors
Cell 147: Heated Mirrors
Power Door Systems Components
Outside Mirrors Description
Cell 147: RH Power Mirror with Memory (A45)
Cell 147: Express Folding Mirrors
Handling ESD Sensitive Parts Notice
Cell 50: Class 2 Serial Data Line (LH Drive)
Cell 130: LH Power Door Locks
Handling ESD Sensitive Parts Notice