GM Service Manual Online
For 1990-2009 cars only
Makes
🢒
Cadillac
🢒
1999
🢒
Seville
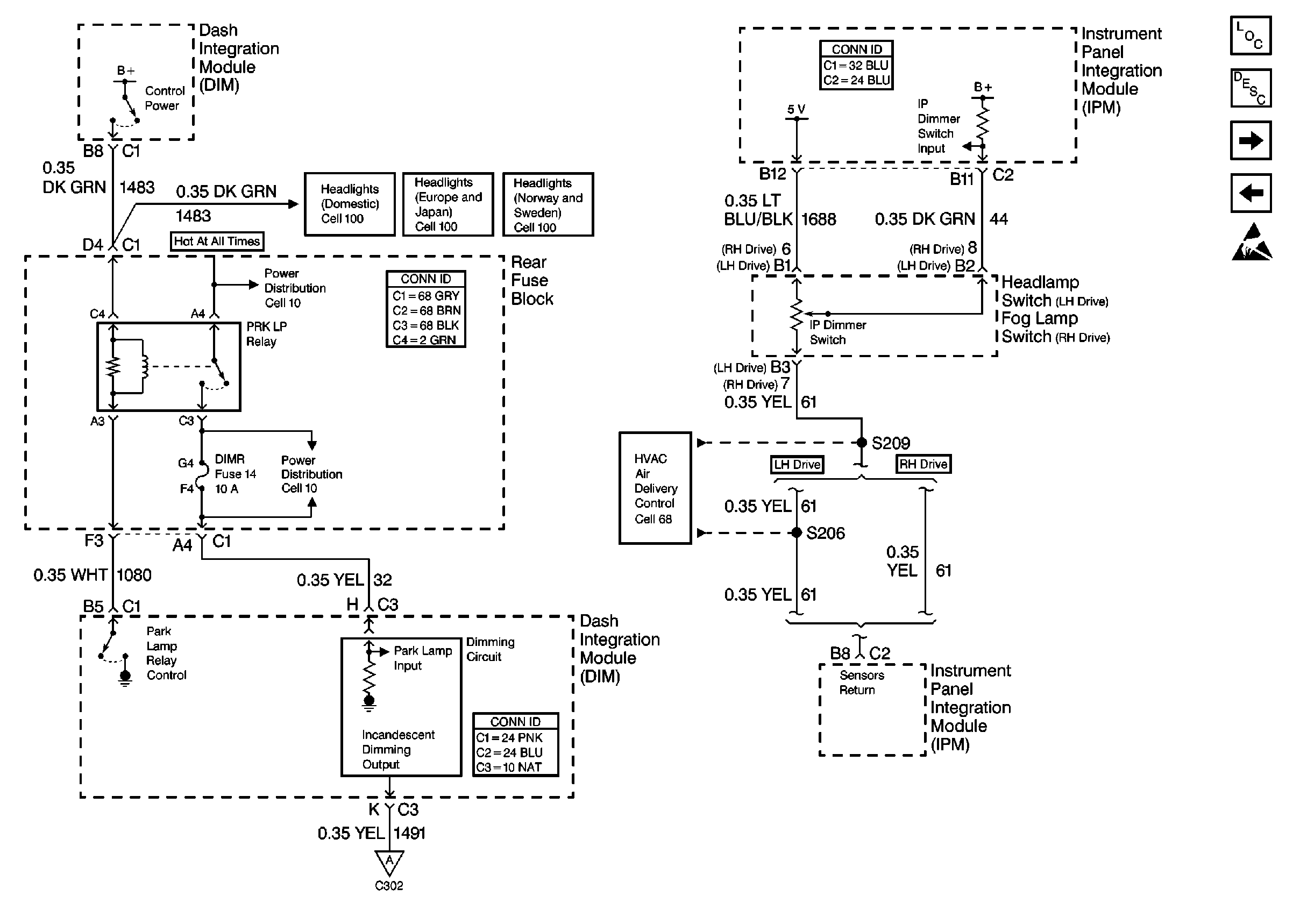
🢒 Cell 117: Dimming Control, IP Dimmer Switch
Cell 117: Dimming Control, IP Dimmer Switch
Cell 117: Dimming Control, IP Dimmer Switch
Lighting Systems Components
Interior Lights Dimming Circuit Description
Cell 117: Ashtray Lamp, Steering Wheel Controls, Console Dimming
Cell 117: Class 2 Dimming Communication
Handling ESD Sensitive Parts Notice
Cell 10: LP PK L Fuse
Cell 10: DIM R Fuse
Cell 68: Temperature Sensors
Cell 100: Low Beam Headlamps
Cell 100: Low Beam Headlamps
Cell 100: DRL, Low Beam Headlamps
Cell 117: Ashtray Lamp, Steering Wheel Controls, Console Dimming
Power and Grounding Connector End Views
Body Control System Connector End Views
Body Control System Connector End Views