GM Service Manual Online
For 1990-2009 cars only
Makes
🢒
Cadillac
🢒
1999
🢒
Seville
🢒 Cell 10: Battery
Cell 10: Battery
Cell 10: Battery
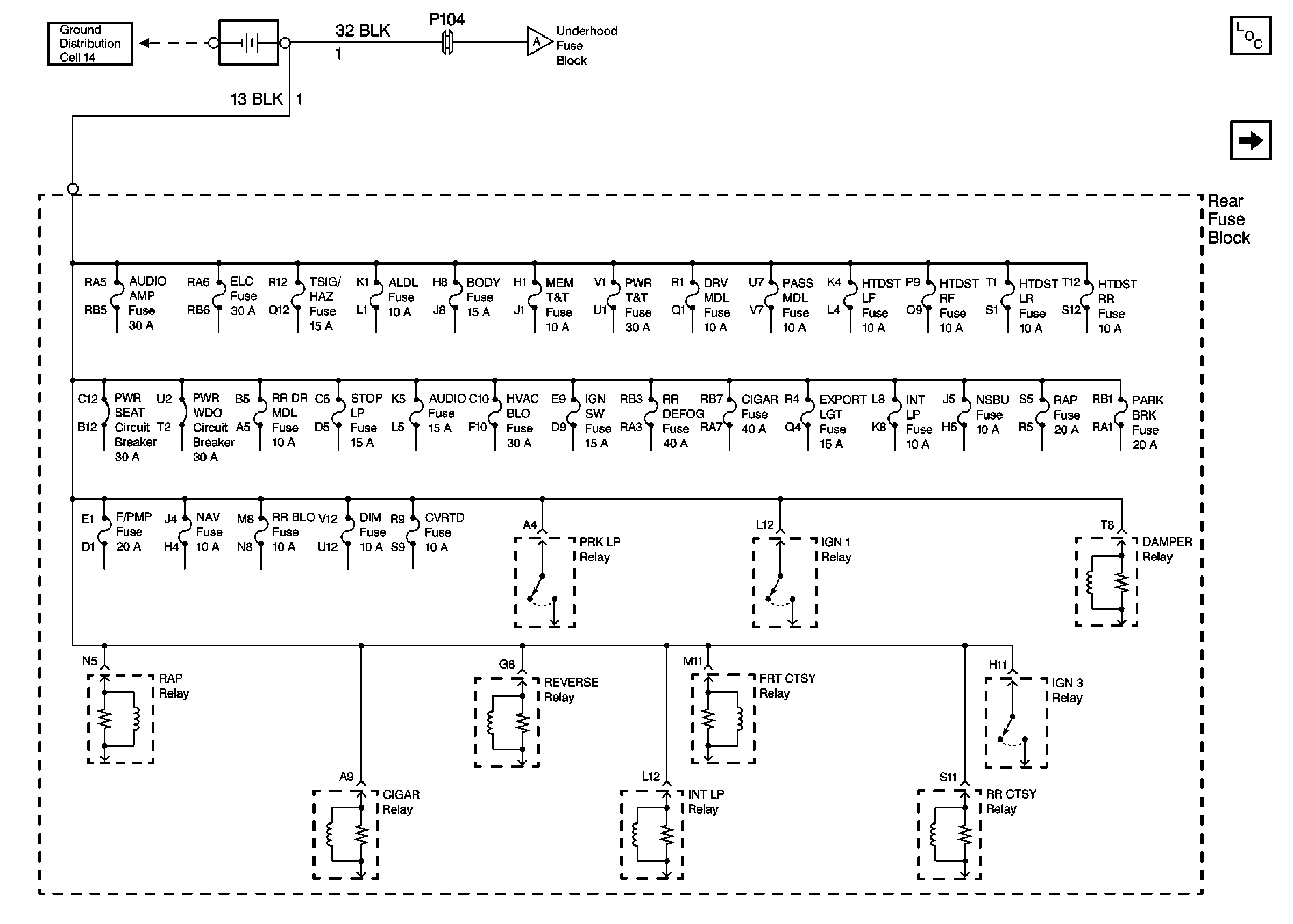
Cell 10: Power to Underhood Fuse Block
Cell 10: Power to Underhood Fuse Block
Ground Distribution Schematics
Power and Grounding Components