GM Service Manual Online
For 1990-2009 cars only
Makes
🢒
Cadillac
🢒
1999
🢒
Seville
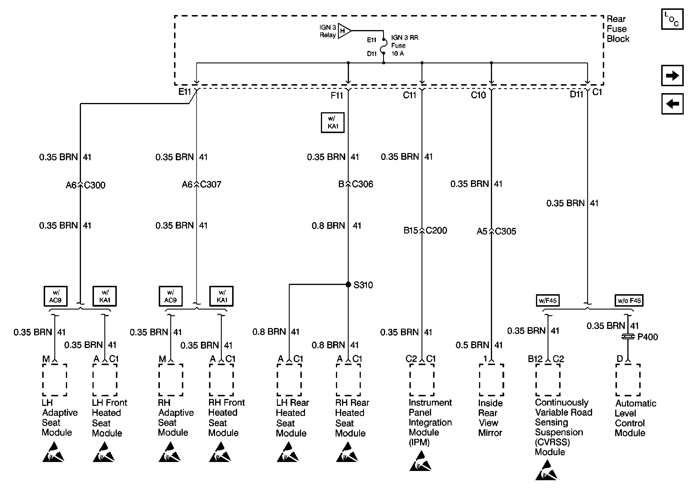
🢒 Cell 10: IGN 3 RR Fuses
Cell 10: IGN 3 RR Fuses
Cell 10: IGN 3 RR Fuses
Cell 10: IGN 3 Relay and HVAC, ABS Fuses
Power and Grounding Components
Cell 10: OXYSENA, OXYSENB, DIS and CR CONT Fuses
Cell 10: IGN 3 Relay and HVAC, ABS Fuses
Handling ESD Sensitive Parts Notice
Handling ESD Sensitive Parts Notice
Handling ESD Sensitive Parts Notice
Handling ESD Sensitive Parts Notice
Handling ESD Sensitive Parts Notice
Handling ESD Sensitive Parts Notice
Handling ESD Sensitive Parts Notice
Handling ESD Sensitive Parts Notice