GM Service Manual Online
For 1990-2009 cars only
Makes
🢒
Cadillac
🢒
1999
🢒
Seville
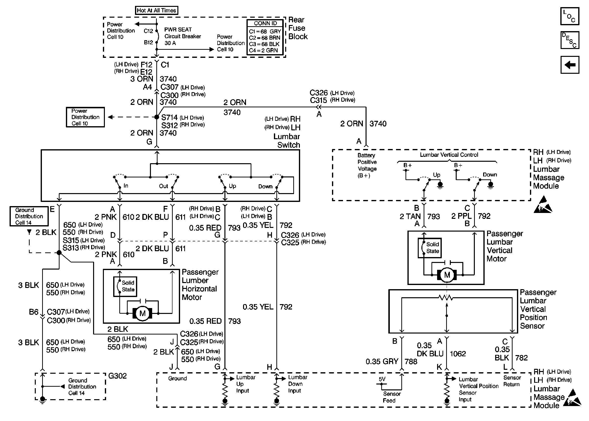
🢒 Cell 142: Passenger Lumbar
Cell 142: Passenger Lumbar
Cell 142: Passenger Lumbar
Power Seat Systems Components
Power Lumbar Circuit Description AM3
Cell 142: Driver Lumbar Motors and Position Sensors
Handling ESD Sensitive Parts Notice
Handling ESD Sensitive Parts Notice
Cell 14: G302
Cell 14: G302
Cell 10: PWR WDO and PWR SEAT Circuit Breakers
Cell 10: PWR WDO and PWR SEAT Circuit Breakers
Cell 10: PWR WDO and PWR SEAT Circuit Breakers
Power and Grounding Connector End Views