GM Service Manual Online
For 1990-2009 cars only
Makes
🢒
Cadillac
🢒
1999
🢒
Seville
🢒 Cell 150:
Cell 150:
Cell 150:
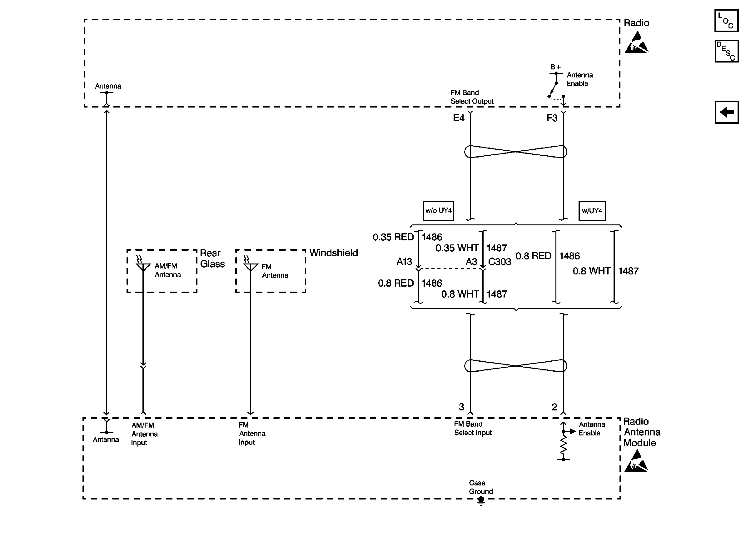
Entertainment Components
Radio/Audio System Circuit Description
Cell 150: Speakers (w/UY4)
Handling ESD Sensitive Parts Notice
Handling ESD Sensitive Parts Notice