GM Service Manual Online
For 1990-2009 cars only

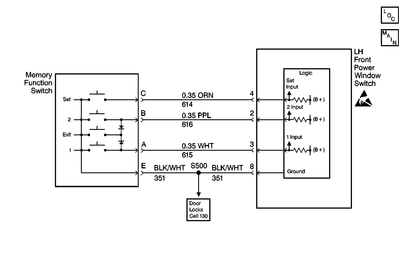
Object Number: 141872  Size: MF
Handling ESD Sensitive Parts Notice
Power Door Systems Components
Cell 147: Power Mirrors with Memory (A45)
Cell 130: RH Power Door Locks

Circuit Description

The LH Front Power Window Switch receives an input from the memory function switch memory set switch when the switch is actuated. The LH Front Power Window Switch recognizes the input and sends a message on the Simple Bus Interface (SBI) to the driver door module indicating that the memory set button has been pressed. The driver door module then sends a message via the Class 2 Serial Data Line to the Memory Seat Module (MSM), the Steering Column Tilt/Telescoping Module (TTM), and the Radio (IRC) indicating that the memory set button has been pressed.

Conditions for Setting the DTC

    •  When the memory set switch is active for 30 seconds continuously, the switch will be considered shorted and the DTC will set.
    • DTC B2243 will set only if DTC B1982 DDM or DTC B1983 DDM is not current.

Action Taken When the DTC Sets

    • The driver door module will no longer respond to memory set switch inputs.
    • The driver door module will continue to respond to valid inputs from the other memory function switches.

Conditions for Clearing the DTC

    • The driver door module sees that the memory set switch is no longer active.
    • A history DTC will clear after 50 consecutive ignition cycles if the condition for the malfunction is no longer present.
    • Use the On-Boards clearing DTCs feature.
    • Use a scan tool.

Test Description

The numbers below refer to the step numbers on the diagnostic table:

  1. Perform the Power Door Diagnostic System Check before continuing with the diagnosis of this DTC.

  2. Determines whether there is a stuck switch or a short in the wiring input to the memory seat module (MSM). DTC B2243 will set again if there is a short in the wiring or there is an internal LH front power window switch condition. DTC B2243 will not set again if there is a stuck switch because the switch has been disconnected from the LH front power window switch input.

  3. Determines whether there is a short in the input wiring to the LH front power window switch.

  4. Clear all DTCs after the repair procedure is complete.

DTC B2243 Memory Set Switch Failed

Step

Action

Value(s)

Yes

No

1

Was the Power Door Systems Diagnostic System Check performed?

--

Go to Step 2

Go to Diagnostic System Check - Power Door Systems

2

  1. Turn ON the ignition switch.
  2. Connect a scan tool to the data link connector (DLC).
  3. Disconnect the memory function switch connector.
  4. Using the scan tool, clear all DTCs. Refer to Diagnostic Trouble Code (DTC) Clearing .

After 30 seconds, does DTC B2243 reset?

--

Go to Step 3

Go to Step 5

3

Test for a short or a short to ground between CKT 614 (ORN) and CKT 351 (BLK/WHT).

Is the circuit OK?

--

Go to Step 4

Go to Step 6

4

Replace the LH front power window switch. Refer to Front Door Switch Replacement .

Did you complete the replacement?

--

Go to Step 7

--

5

Replace the memory function switch.

Is the repair complete?

--

Go to Step 7

--

6

Repair the short in the suspect wiring. Refer to Wiring Repairs in Wiring Systems.

Is the circuit repair complete?

--

Go to Step 7

--

7

  1. Turn OFF the ignition switch.
  2. Reconnect or install any connectors or components that were disconnected or removed.
  3. Turn ON the ignition switch.
  4. Clear any DTCs. Refer to Diagnostic Trouble Code (DTC) Clearing .

Are all DTCs cleared?

--

Go to Diagnostic System Check - Power Door Systems

--