GM Service Manual Online
For 1990-2009 cars only

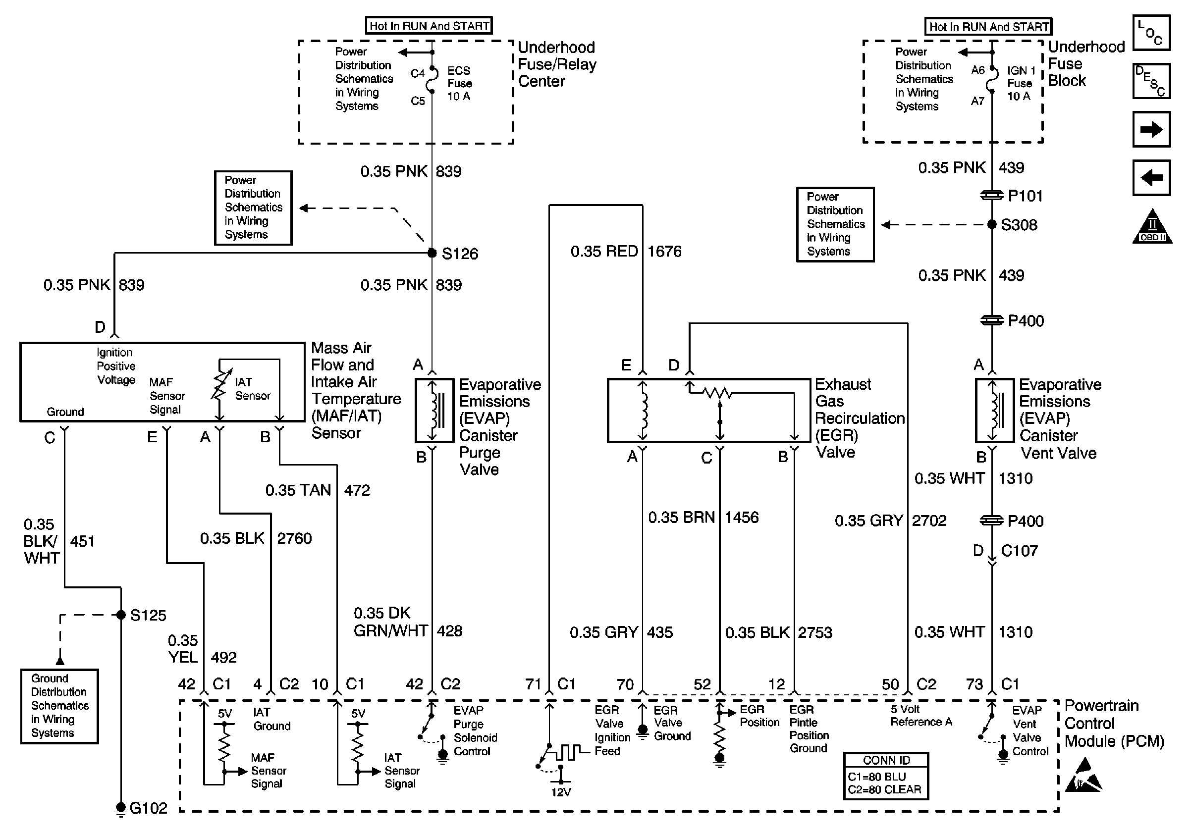
Refer to Engine Controls Schematics

MAF Sensor, EVAP Components and EGR Valve


Object Number: 584726  Size: FS
Engine Controls Components
Information Sensors/Switches Description
IAC Valve and PSP, Oil Level Switches
Heated Oxygen Sensors
OBD II Symbol Description Notice
OXY SEN 1, OXY SEN 2, FUEL PUMP, ECS Fuses and FUEL PUMP Relay
ABS and IGN 1 Fuses
OXY SEN 1, OXY SEN 2, FUEL PUMP, ECS Fuses and FUEL PUMP Relay
ABS and IGN 1 Fuses
G102
Handling ESD Sensitive Parts Notice
.

System Description

This DTC tests the evaporative emission (EVAP) system for a restricted or blocked EVAP vent path. The control module commands the EVAP canister purge solenoid Open and the EVAP canister vent solenoid Closed. This allows vacuum to be applied to the EVAP system. Once a calibrated vacuum level has been reached, the control module commands the EVAP canister purge solenoid Closed and the EVAP canister vent solenoid Open. The control module monitors the fuel tank pressure (FTP) sensor for a decrease in vacuum. If the vacuum does not decrease to near 0 inches H2O in a calibrated time, this DTC sets.

The following table illustrates the relationship between the ON and OFF states, and the Open or Closed states of the EVAP canister purge and vent valves.

Control Module Command

EVAP Canister Purge Solenoid

EVAP Canister Vent Solenoid

ON

Open

Closed

OFF

Closed

Open

Conditions for Running the DTC

    • DTCs P0107, P0108, P0112, P0113, P0116, P0117, P0118, P0121, P0122, P0123, P0125, P0440, P0442, P0443, P0449, P0452, P0453, P1106, P1107, P1111, P1112, P1114, P1115, P1121, or P1122 are not set.
    • The ignition voltage is between 10-18 volts.
    • The barometric pressure (BARO) is more than 75 kPa.
    • The fuel level is between 15-85 percent.
    • The engine coolant temperature (ECT) is between 4-30°C (39-86°F).
    • The intake air temperature (IAT) is between 4-30°C (39-86°F).
    • The start up ECT and IAT are within 9°C (16°F) of each other.
    • The vehicle speed sensor (VSS) is less than 121 km/h (75 mph).

Conditions for Setting the DTC

    •  Fuel tank pressure is less than -10 in. H2O.
    •  The condition is present for as long as 30 seconds.

Action Taken When the DTC Sets

    • The control module illuminates the malfunction indicator lamp (MIL) when the diagnostic runs and fails.
    • The control module records the operating conditions at the time the diagnostic fails. The control module stores this information in the Freeze Frame/Failure Records.

Conditions for Clearing the MIL/DTC

    • The control module turns OFF the malfunction indicator lamp (MIL) after 3 consecutive ignition cycles that the diagnostic runs and does not fail.
    • A current DTC, Last Test Failed, clears when the diagnostic runs and passes.
    • A history DTC clears after 40 consecutive warm-up cycles, if no failures are reported by this or any other emission related diagnostic.
    • Clear the MIL and the DTC with a scan tool.

Diagnostic Aids

The EVAP system tests run when the engine is first started and meets the Conditions for Running the DTC. An intermittent condition could be caused by a damaged EVAP vent housing, a temporary blockage at the EVAP vent valve inlet or a pinched vent hose. A blockage in the vent system will also cause a poor fuel fill problem. To repair a blockage in the EVAP system, refer to Evaporative Emission System Cleaning .

Step

Action

Values

Yes

No

1

Did you perform the Diagnostic System Check-Engine Controls?

--

Go to Step 2

Go to Powertrain On Board Diagnostic (OBD) System Check

2

Did DTC P0443, P0449, P0452 or P0453 set?

--

Go to Diagnostic Trouble Code (DTC) List/Type

Go to Step 3

3

Inspect the EVAP system for the following conditions:

    • A damaged EVAP vent solenoid--Refer to Evaporative Emission Vent Valve Replacement .
    • A pinched EVAP vent hose
    • A damaged EVAP canister--Refer to Evaporative Emission Canister Replacement .

Did you find and correct the condition?

--

Go to Step 16

Go to Step 4

4

  1. Turn OFF the ignition.
  2. Disconnect the purge line from the EVAP canister purge solenoid. Refer to Evaporative Emission Canister Purge Solenoid Valve Replacement .
  3. Turn ON the ignition, with the engine OFF.

Is the Fuel Tank Pressure Sensor parameter within the specified range?

-1 to + 1  in H2O

Go to Step 5

Go to Step 10

5

Important: DO NOT exceed the specified value in this step. Exceeding the specified value may produce incorrect test results.

  1. Turn OFF the ignition.
  2. Connect the J 41413-200 Evaporative Emissions System Tester (EEST) power supply clips to a known good 12-volt source.
  3. Install the J 41415-40 fuel fill cap adapter to the fuel fill pipe.
  4. Connect the fuel fill cap to the J 41415-40 .
  5. Connect the J 41413-200 nitrogen/smoke supply hose to the J 41415-40 .
  6. Turn ON the ignition with, the engine OFF.
  7. Command the EVAP vent solenoid closed with a scan tool.
  8. Turn the nitrogen/smoke valve on the J 41413-200 control panel to NITROGEN.
  9. Pressurize the EVAP system to the first specified value with the remote switch.
  10. Observe the Fuel Tank Pressure Sensor parameter with a scan tool.
  11. Command the EVAP vent solenoid open with a scan tool.

Is the Fuel Tank Pressure Sensor parameter less than the second specified value?

5 in H2O

1 in H2O

Go to Step 6

Go to Step 8

6

  1. Connect the nitrogen/smoke hose to the EVAP service port.
  2. Remove the J 41415-40 .
  3. Install the fuel fill cap to the fuel fill pipe.
  4. Start the engine.
  5. Allow the engine to idle.
  6. Use the purge/seal function to seal the system with a scan tool.
  7. Command the EVAP purge solenoid to 30 percent.
  8. Observe the vacuum/pressure gage on the J 41413-200 and the FTP parameter on the scan tool.
  9. Allow the vacuum to increase on the gage of the J 41413-200 , until it reaches approximately 16 inch H2O.
  10. Use the purge/seal function to seal the system with a scan tool.

Is the FTP parameter on the scan tool within the specified value of the vacuum/pressure gage on the J 41413-200 , until the vacuum reached the abort limit on a scan tool.

1 in H2O

Go to Step 7

Go to Step 10

7

Did the FTP parameter on a scan tool display more than the specified value?

3.2 V

Go to Diagnostic Aids

Go to Step 10

8

Disconnect the EVAP vent hose from the EVAP vent solenoid.

Is the Fuel Tank Pressure Sensor parameter less than the specified value?

1 in H2O

Go to Step 14

Go to Step 9

9

Disconnect the EVAP vent hose from the EVAP canister.

Is the Fuel Tank Pressure Sensor parameter less than the specified value?

1 in H2O

Go to Step 12

Go to Step 15

10

Test for an intermittent and for a poor connection at the fuel tank pressure (FTP) sensor. Refer to Testing for Intermittent Conditions and Poor Connections and Connector Repairs in Wiring Systems.

Did you find and correct the condition?

--

Go to Step 16

Go to Step 11

11

Test the low reference circuit of the FTP sensor for an open or high resistance. Refer to Circuit Testing and Wiring Repairs in Wiring Systems.

Did you find and correct the condition?

--

Go to Step 16

Go to Step 13

12

Repair the pinched or restricted EVAP vent hose.

Did you complete the repair?

--

Go to Step 16

--

13

Replace the FTP sensor. Refer to Fuel Tank Pressure Sensor Replacement .

Did you complete the replacement?

--

Go to Step 16

--

14

Replace the EVAP vent solenoid. Refer to Evaporative Emission Vent Valve Replacement .

Did you complete the replacement?

--

Go to Step 16

--

15

Replace the EVAP canister. Refer to Evaporative Emission Canister Replacement .

Did you complete the replacement?

--

Go to Step 16

--

16

  1. Clear the DTCs with a scan tool.
  2. Turn OFF the ignition for 30 seconds.
  3. Start the engine.
  4. Operate the vehicle within the Conditions for Running the DTC. You may also operate the vehicle within the conditions that you observed from the Freeze Frame/Failure Records.

Did the DTC fail this ignition?

--

Go to Step 2

Go to Step 17

17

Observe the Capture Info with a scan tool.

Are there any DTCs that have not been diagnosed?

--

Go to Diagnostic Trouble Code (DTC) List/Type

System OK