GM Service Manual Online
For 1990-2009 cars only
Makes
🢒
Cadillac
🢒
2000
🢒
Seville
🢒
Engine
🢒
Engine Electrical
🢒 Starting and Charging Schematics
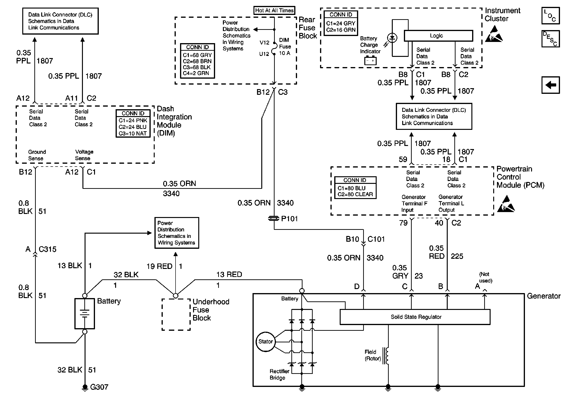
Figure
1:
Starter Solenoid Control
Engine Electrical Components
Charging System Description
Generator Controls and Battery
Ignition Switch
Ignition Switch
Power to Underhood Fuse Block
Start Circuit Breaker and ACC, WSW Fuses
G307
Handling ESD Sensitive Parts Notice
Handling ESD Sensitive Parts Notice
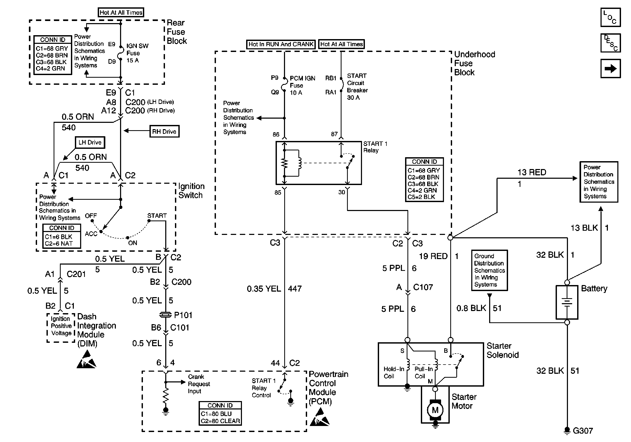
Figure
2:
Generator Controls and Battery
Engine Electrical Components
Charging System Description
Starter Solenoid Control
Class 2 Serial Data Line (LH Drive)
Class 2 Serial Data Line (LH Drive)
Battery Feeds
Handling ESD Sensitive Parts Notice
Audio, Audio Amp and DIM Fuses