GM Service Manual Online
For 1990-2009 cars only
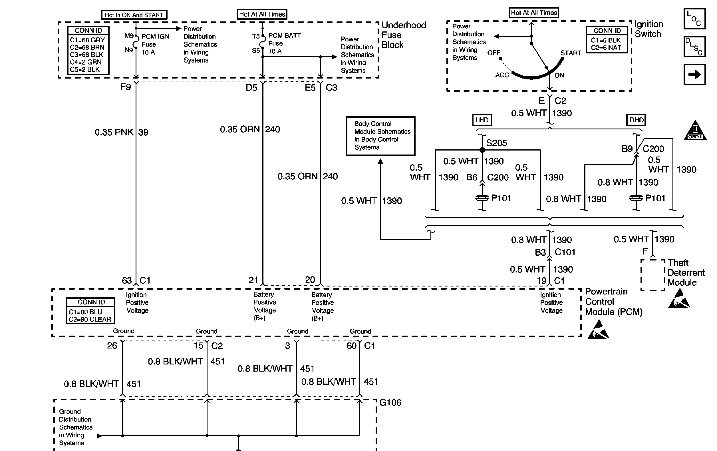
Figure 1:

PCM Power and Grounds


Object Number: 575961  Size: FS
Automatic Transmission Components
Electronic Component Description
OBD II Symbol Description Notice
ABS/TCC Switch and Transaxle Solenoids
PCM BATT, EXPORT BRK, IP, ABS Sol, and ABS MOT Fuses
DIM Ignition Inputs
Ignition Switch
Handling ESD Sensitive Parts Notice
Handling ESD Sensitive Parts Notice
G106, G110, and G109
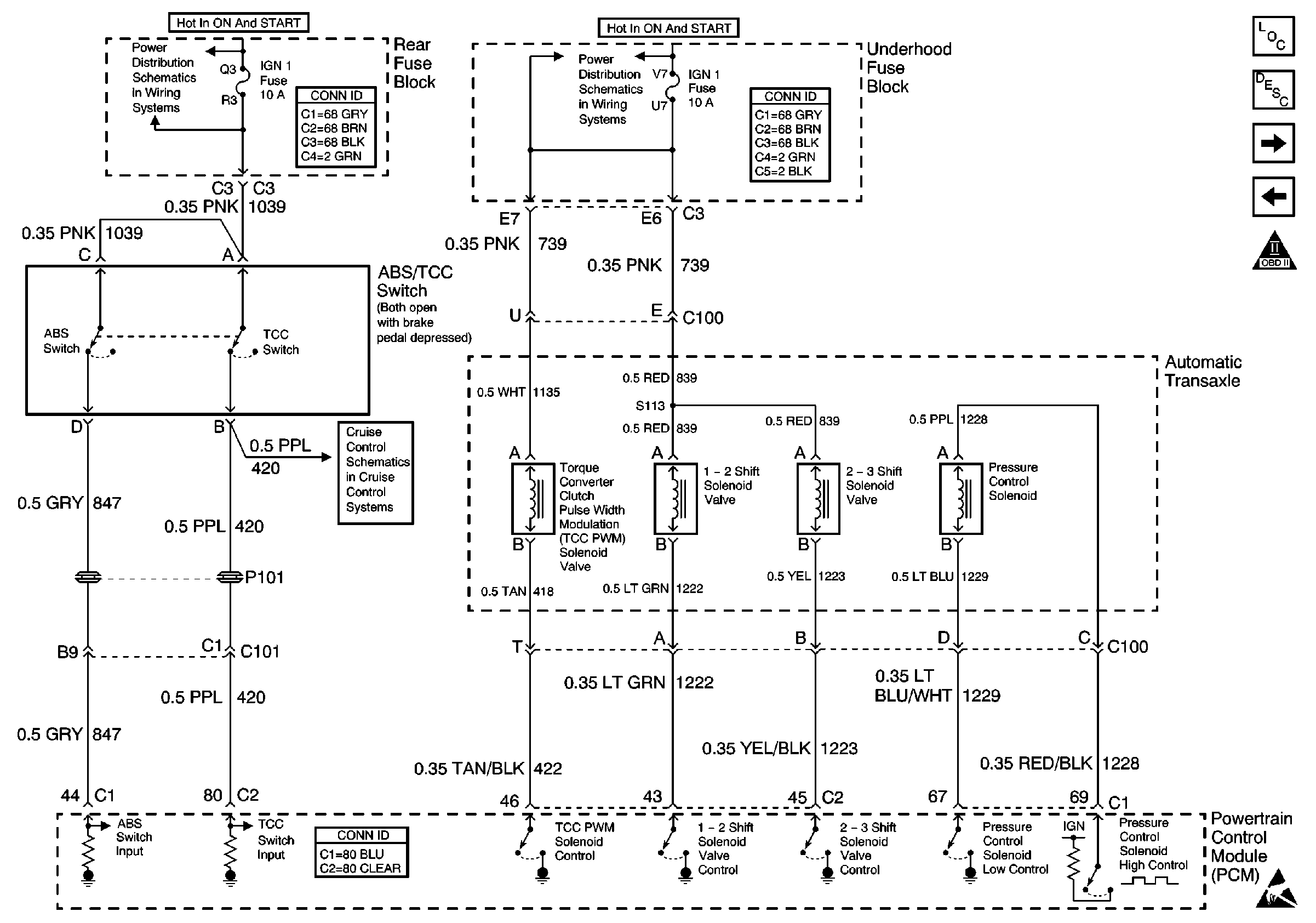
Figure 2:

ABS/TCC Switch and Transaxle Solenoids


Object Number: 575962  Size: FS
Automatic Transmission Components
Electronic Component Description
OBD II Symbol Description Notice
Transaxle Sensors and TR Switch
PCM Power and Grounds
Handling ESD Sensitive Parts Notice
IGN 1 Relay and SIR, Vent SOL, IGN 1 Fuses
Multifunction Lever and Cruise Control Module Power and Ground
Figure 3:

Transaxle Sensors and TR Switch


Object Number: 575964  Size: FS
Automatic Transmission Components
Electronic Component Description
OBD II Symbol Description Notice
Park/Neutral Position (PNP) Switch and VSS
ABS/TCC Switch and Transaxle Solenoids
Handling ESD Sensitive Parts Notice
Handling ESD Sensitive Parts Notice
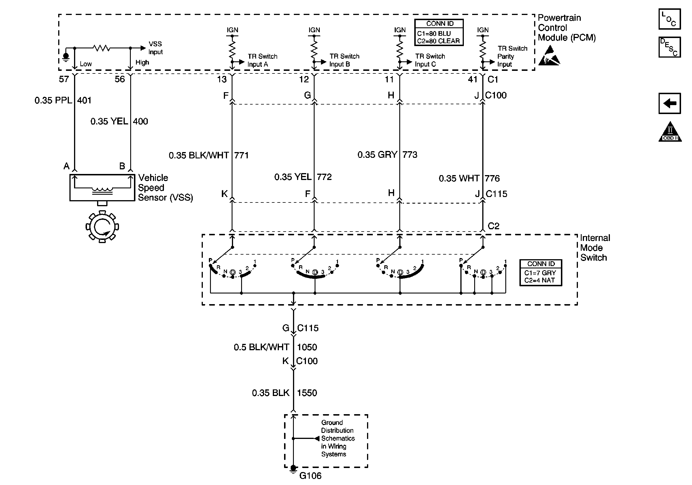
Figure 4:

Park/Neutral Position (PNP) Switch and VSS


Object Number: 575965  Size: FS
Automatic Transmission Components
Electronic Component Description
OBD II Symbol Description Notice
Transaxle Sensors and TR Switch
Handling ESD Sensitive Parts Notice
G106 and G108