GM Service Manual Online
For 1990-2009 cars only

Removal Procedure


    Object Number: 794  Size: SH

    Caution: Before servicing any electrical component, the ignition and start switch must be in the OFF or LOCK position and all electrical loads must be OFF, unless instructed otherwise in these procedures. If a tool or equipment could easily come in contact with a live exposed electrical terminal, also disconnect the negative battery cable. Failure to follow these precautions may cause personal injury and/or damage to the vehicle or its components.

  1. Disconnect the negative battery cable. Refer to Battery Negative Cable Disconnection and Connection in Engine Electrical.
  2. Disable the SIR system. Refer to Disabling the SIR System in SIR.
  3. Remove the steering wheel. Refer to Steering Wheel Replacement .
  4. Remove the kneebolster. Refer to Knee Bolster Replacement in Instrument Panel, Gauges, and Console.

  5. Object Number: 141933  Size: SH
  6. Remove the two nuts (1) securing the steering column to the instrument panel.
  7. Lower the column.
  8. Remove the tilt lever handle.
  9. Remove the upper and lower shrouds. Refer to Steering Column Trim Cover Replacement - On Vehicle .
  10. Remove the two wire harness straps.
  11. Remove one wire harness strap from the steering column tilt head assembly.

  12. Object Number: 293260  Size: SH
  13. Remove the wire harness assembly (1) from the wire harness strap (2).

  14. Object Number: 301912  Size: SH
  15. When working on the power tilt and telescope column remove three wire harness straps (1).

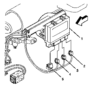
  16. Object Number: 301914  Size: SH
  17. When working on the power tilt and telescope column remove the green (5), brown (4), natural (3) and the black (2) connectors from the E&C interface module assembly.

  18. Object Number: 301916  Size: SH
  19. When working on the power tilt and telescope column remove the E&C interface module assembly (2) from the lower wire shield (1).

  20. Object Number: 301919  Size: SH
  21. When working on the power tilt and telescope column, open the lower wire shield (1) to remove the wire harness assembly (2). In the lower wire shield (1) notice which direction (3) and placement the wires are in.

  22. Object Number: 293230  Size: SH
  23. Remove the blue (1), black (2) and gray (3) connectors of the turn signal and multifunction switch assembly.

  24. Object Number: 293235  Size: SH
  25. Remove the two TORX® screws .

  26. Object Number: 293237  Size: SH
  27. Remove the turn signal and multifunction switch assembly (1).

Installation Procedure


    Object Number: 293237  Size: SH

    Important: The electrical contact must rest on the turn signal cancel cam assembly.

  1. Install the turn signal and multifunction switch assembly (1).

  2. Object Number: 293235  Size: SH

    Notice: Use the correct fastener in the correct location. Replacement fasteners must be the correct part number for that application. Fasteners requiring replacement or fasteners requiring the use of thread locking compound or sealant are identified in the service procedure. Do not use paints, lubricants, or corrosion inhibitors on fasteners or fastener joint surfaces unless specified. These coatings affect fastener torque and joint clamping force and may damage the fastener. Use the correct tightening sequence and specifications when installing fasteners in order to avoid damage to parts and systems.

  3. Install the two TORX® screws .
  4. Tighten
    Tighten the screws to 7 N·m (62 lb in).


    Object Number: 293230  Size: SH
  5. Install the wire harness assembly along the steering column jacket assembly.
  6. Install the blue (1), black (2) and gray (3) connectors of the turn signal and multifunction switch assembly.

  7. Object Number: 293260  Size: SH
  8. Insert the wire harness assembly (1) into the wire strap holder (2).

  9. Object Number: 293259  Size: SH
  10. Install the two wire harness straps (2). Install one wire harness strap (2) to the steering column tilt head assembly (1).

  11. Object Number: 301919  Size: SH
  12. When working on the power tilt and telescope column, install the wire harness assembly (2) into the lower wire shield (1). In the lower wire shield (1) notice the direction (3) and placement the wires go in.

  13. Object Number: 301916  Size: SH
  14. When working on the power tilt and telescope column, slide the E&C interface module assembly (2) into the wire shield (1).

  15. Object Number: 301914  Size: SH
  16. When working on the power tilt and telescope column, install the green (5), brown (4), natural (3) and black (2) connectors into the E&C interface module assembly (1).

  17. Object Number: 301912  Size: SH
  18. When working on the power tilt and telescope column, install the three wire straps (2) onto the wire harness assembly.
  19. Install the wire harness strap (1) into the steering column tilt head assembly.
  20. Install the upper and lower shrouds. Refer to Steering Column Trim Cover Replacement - On Vehicle .

  21. Object Number: 141933  Size: SH
  22. Remove the two nuts (1) securing the steering column to the instrument panel.
  23. Install the tilt lever .
  24. Install the steering wheel. Refer to Steering Wheel Replacement .
  25. Install the kneebolster. Refer to Knee Bolster Replacement in Instrument Panel, Gauges and Console.
  26. Caution: Unless directed otherwise, the ignition and start switch must be in the OFF or LOCK position, and all electrical loads must be OFF before servicing any electrical component. Disconnect the negative battery cable to prevent an electrical spark should a tool or equipment come in contact with an exposed electrical terminal. Failure to follow these precautions may result in personal injury and/or damage to the vehicle or its components.

  27. Install the negative battery cable.
  28. Enable the SIR system. Refer to Enabling the SIR System in SIR.