GM Service Manual Online
For 1990-2009 cars only
Makes
🢒
Cadillac
🢒
2000
🢒
Seville
🢒
Steering
🢒
Steering Wheel and Column - Tilt
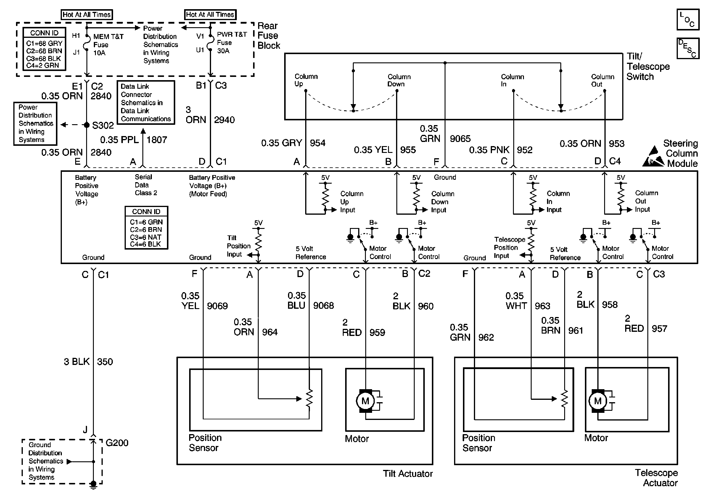
🢒 Tilt/Telescoping Steering Column Schematics
Tilt Wheel/Column Components
Tilt/Telescoping Steering Column Circuit Description
MEM T/T, PWR T/T and TSIG/HAZ Fuse
MEM T/T, PWR T/T and TSIG/HAZ Fuse
Class 2 Serial Data Line (LH Drive)
Handling ESD Sensitive Parts Notice
G200 1 of 2