GM Service Manual Online
For 1990-2009 cars only
Makes
🢒
Cadillac
🢒
2000
🢒
Seville
🢒
HVAC
🢒
HVAC Systems - Automatic
🢒 HVAC Air Delivery/Temperature Control Schematics
Figure
1:
Electric Actuators
HVAC Components
HVAC Compressor Controls Circuit Description
Handling ESD Sensitive Parts Notice
IGN 2 Relay and HVAC, ABS Fuses
Temperature Sensors
Temperature Sensors
Figure
2:
Temperature Sensors
HVAC Components
HVAC Air Delivery/Temperature Control Circuit Description
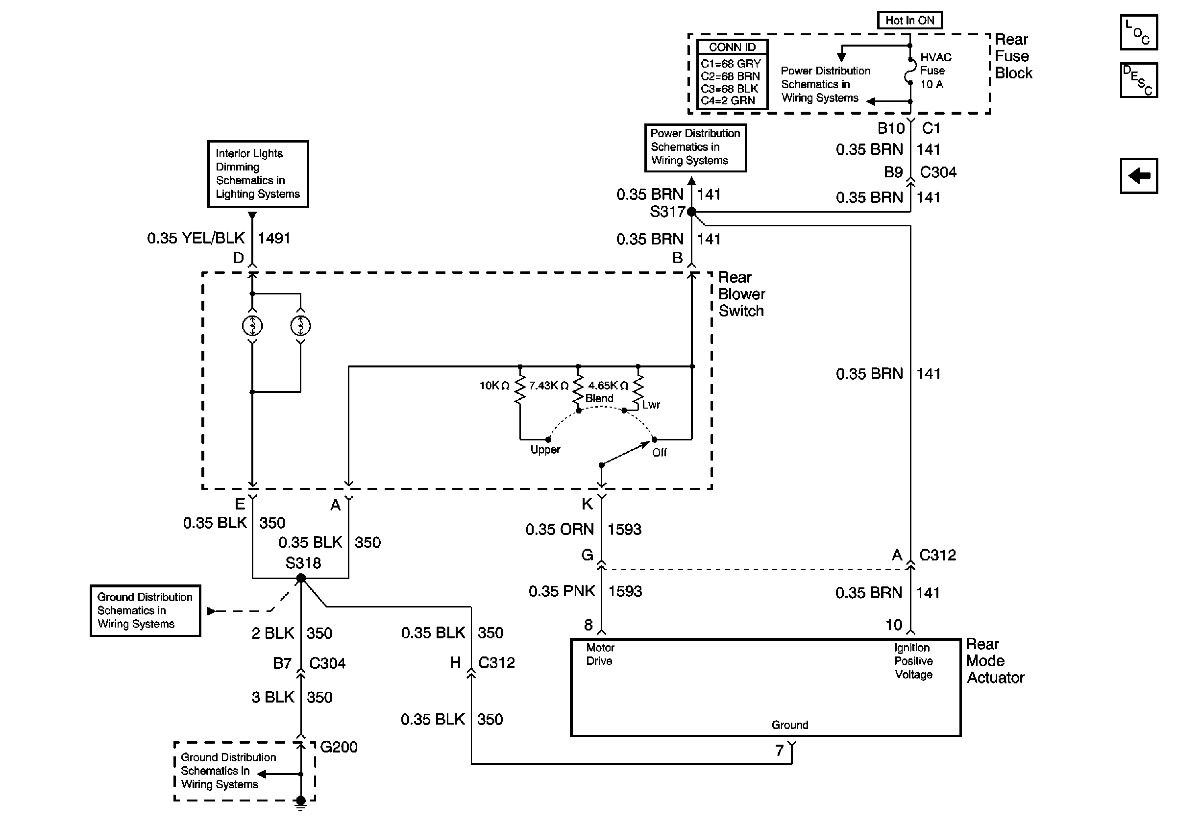
Rear Actuator
Handling ESD Sensitive Parts Notice
Electric Actuators
G201
G201
Electric Actuators
Figure
3:
Rear Actuator
HVAC Components
HVAC Air Delivery/Temperature Control Circuit Description
Temperature Sensors
Ashtray Lamp, Steering Wheel Controls, Console Dimming
IGN 2 Relay and HVAC, ABS Fuses
G200 2 of 2
G200 2 of 2