GM Service Manual Online
For 1990-2009 cars only
Figure 1:

Data Link Connector Power and Ground (LH Drive)


Object Number: 579047  Size: FS
Data Link Communications Components
Data Link Communications Circuit Description
Class 2 Serial Data Line (LH Drive)
DRV MDL, PASS MDL, RRDR MDL and DLC Fuses
G200 1 of 2
G200 1 of 2
G201
G201
Class 2 Serial Data Line (LH Drive)
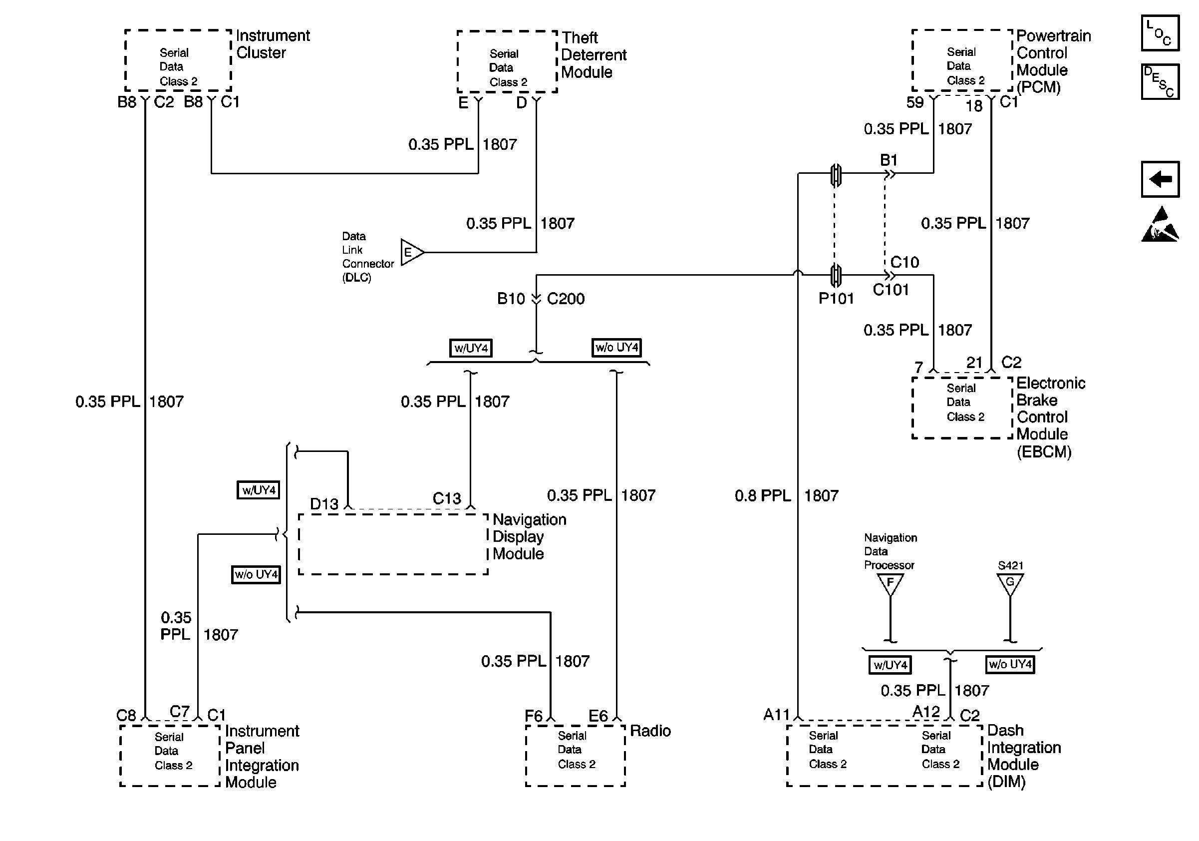
Figure 2:

Class 2 Serial Data Line (LH Drive)


Object Number: 579032  Size: FS
Data Link Communications Components
Data Link Communications Circuit Description
Class 2 Serial Data Line (LH Drive)
Data Link Connector Power and Ground (LH Drive)
Handling ESD Sensitive Parts Notice
Class 2 Serial Data Line (LH Drive)
SIR Handling Caution
Data Link Connector Power and Ground (RH Drive)
Class 2 Serial Data Line (LH Drive)
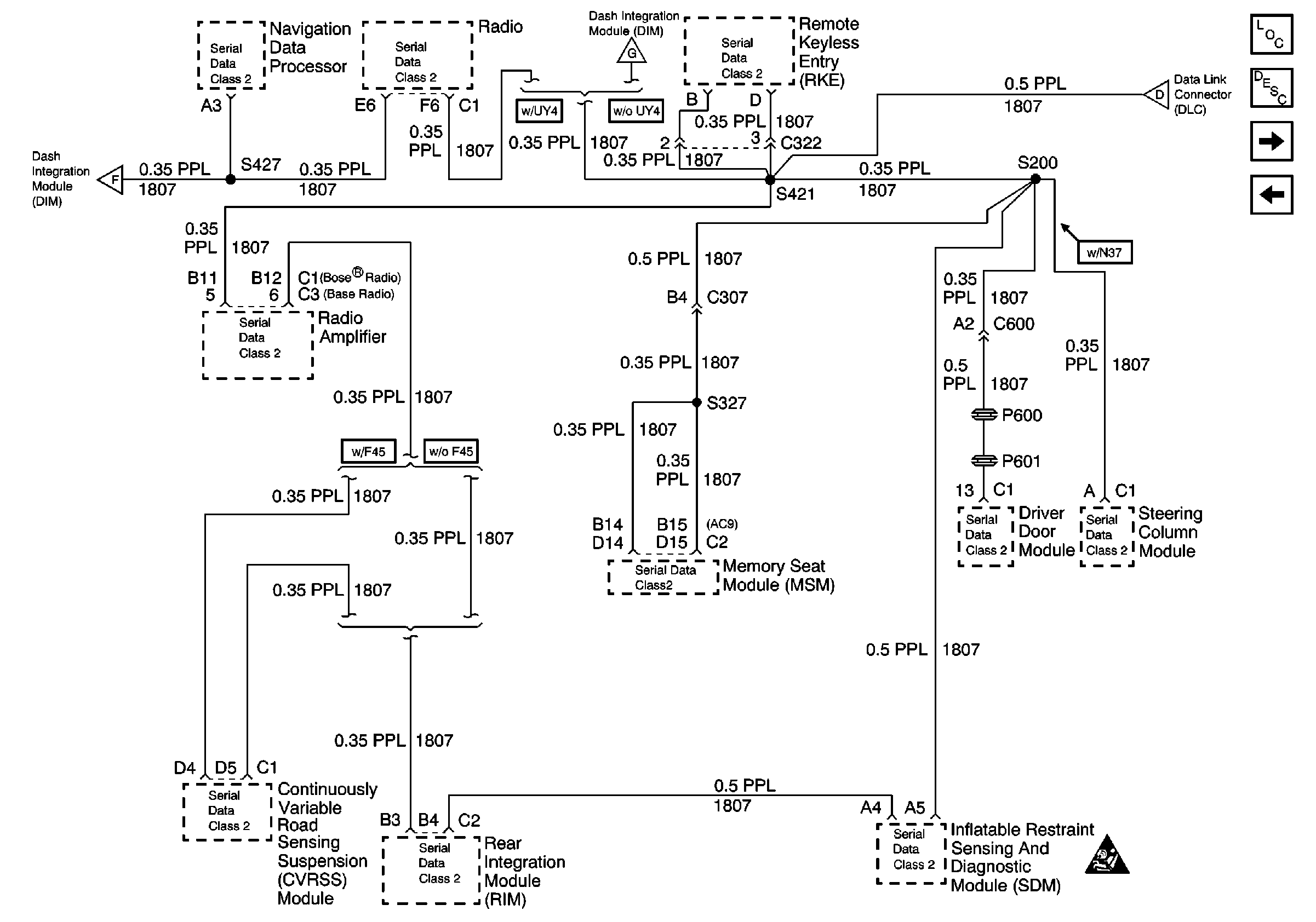
Figure 3:

Class 2 Serial Data Line (LH Drive)


Object Number: 579034  Size: FS
Data Link Communications Components
Data Link Communications Circuit Description
Data Link Connector Power and Ground (RH Drive)
Class 2 Serial Data Line (LH Drive)
Handling ESD Sensitive Parts Notice
Data Link Connector Power and Ground (RH Drive)
Class 2 Serial Data Line (LH Drive)
Figure 4:

Data Link Connector Power and Ground (RH Drive)


Object Number: 579028  Size: FS
Data Link Communications Components
Data Link Communications Circuit Description
Class 2 Serial Data Line (RH Drive)
Class 2 Serial Data Line (LH Drive)
DRV MDL, PASS MDL, RRDR MDL and DLC Fuses
G200 1 of 2
G200 1 of 2
G201
G201
Class 2 Serial Data Line (RH Drive)
Class 2 Serial Data Line (RH Drive)
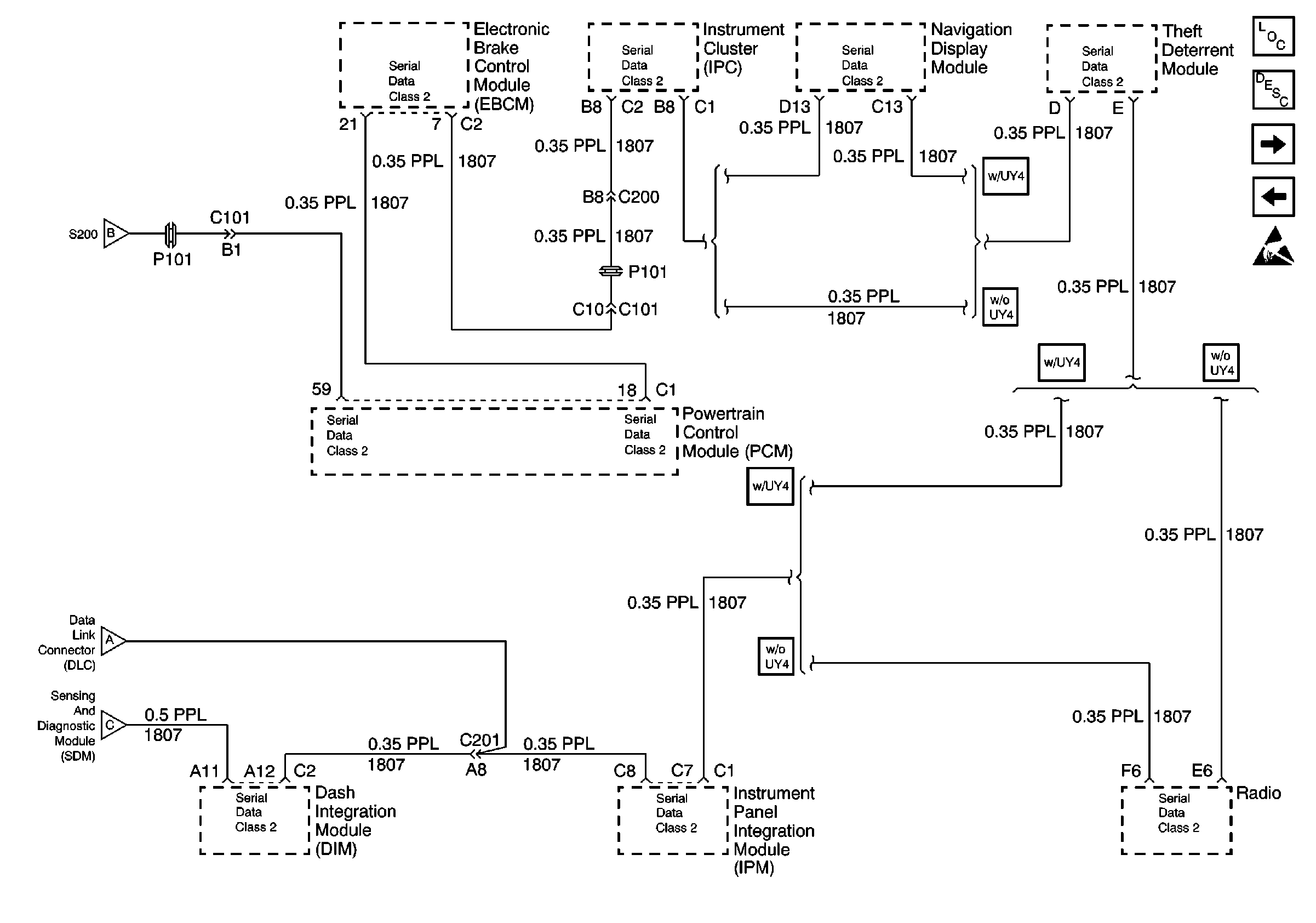
Figure 5:

Class 2 Serial Data Line (RH Drive)


Object Number: 579023  Size: FS
Data Link Communications Components
Data Link Communications Circuit Description
Class 2 Serial Data Line (RH Drive)
Data Link Connector Power and Ground (RH Drive)
Handling ESD Sensitive Parts Notice
Class 2 Serial Data Line (RH Drive)
Data Link Connector Power and Ground (LH Drive)
Class 2 Serial Data Line (RH Drive)
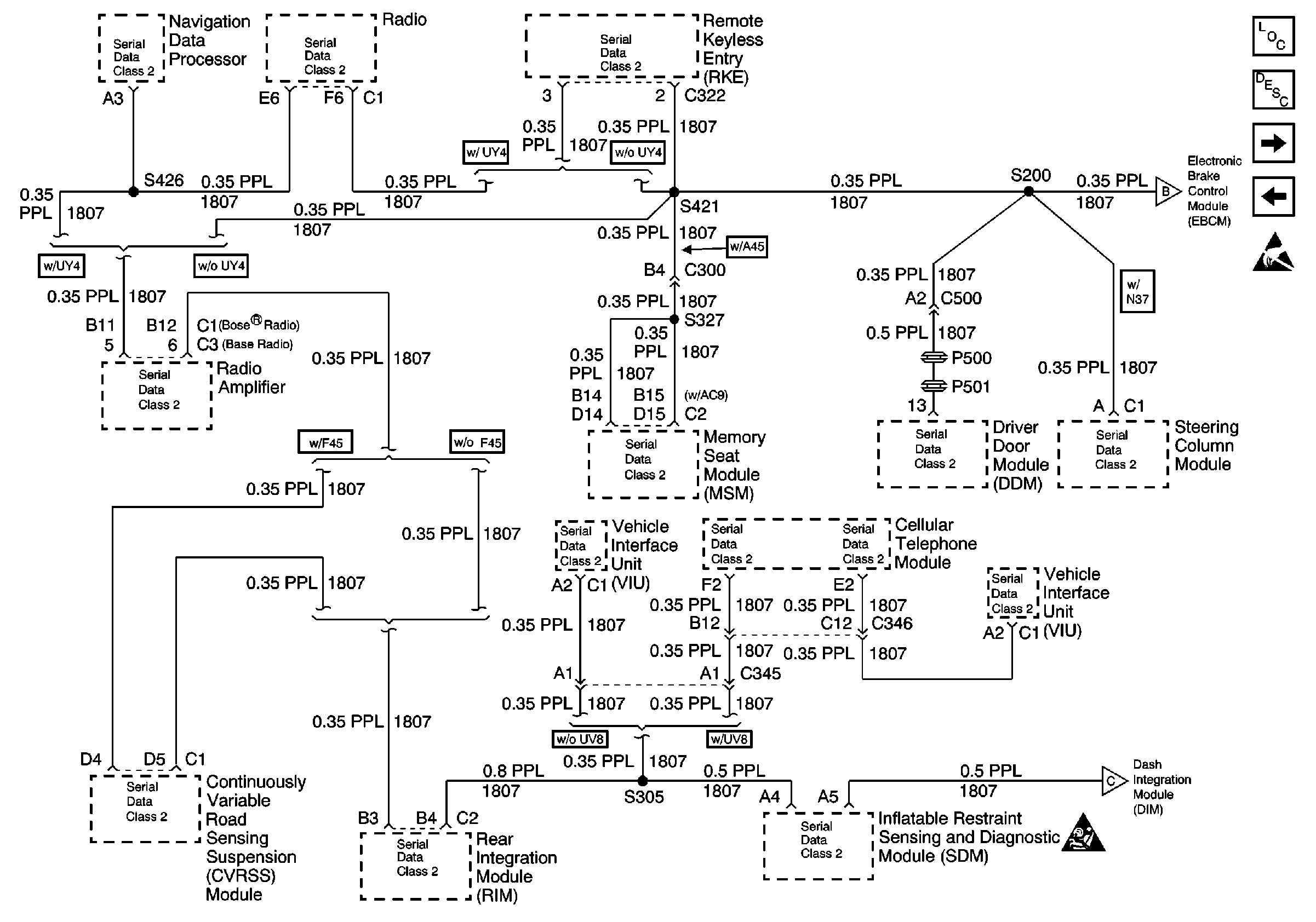
Figure 6:

Class 2 Seerial Data Line (RH Drive)


Object Number: 579025  Size: FS
Data Link Communications Components
Data Link Communications Circuit Description
Simple Bus Interface (SBI)
Class 2 Serial Data Line (RH Drive)
Handling ESD Sensitive Parts Notice
SIR Handling Caution
Class 2 Serial Data Line (RH Drive)
Class 2 Serial Data Line (RH Drive)
Figure 7:

Simple Bus Interface (SBI)


Object Number: 579043  Size: FS
Data Link Communications Components
Data Link Communications Circuit Description
Class 2 Serial Data Line (RH Drive)
Handling ESD Sensitive Parts Notice