GM Service Manual Online
For 1990-2009 cars only

Refer to one of the following Data Link Connector (DLC) Schematics:

    • 

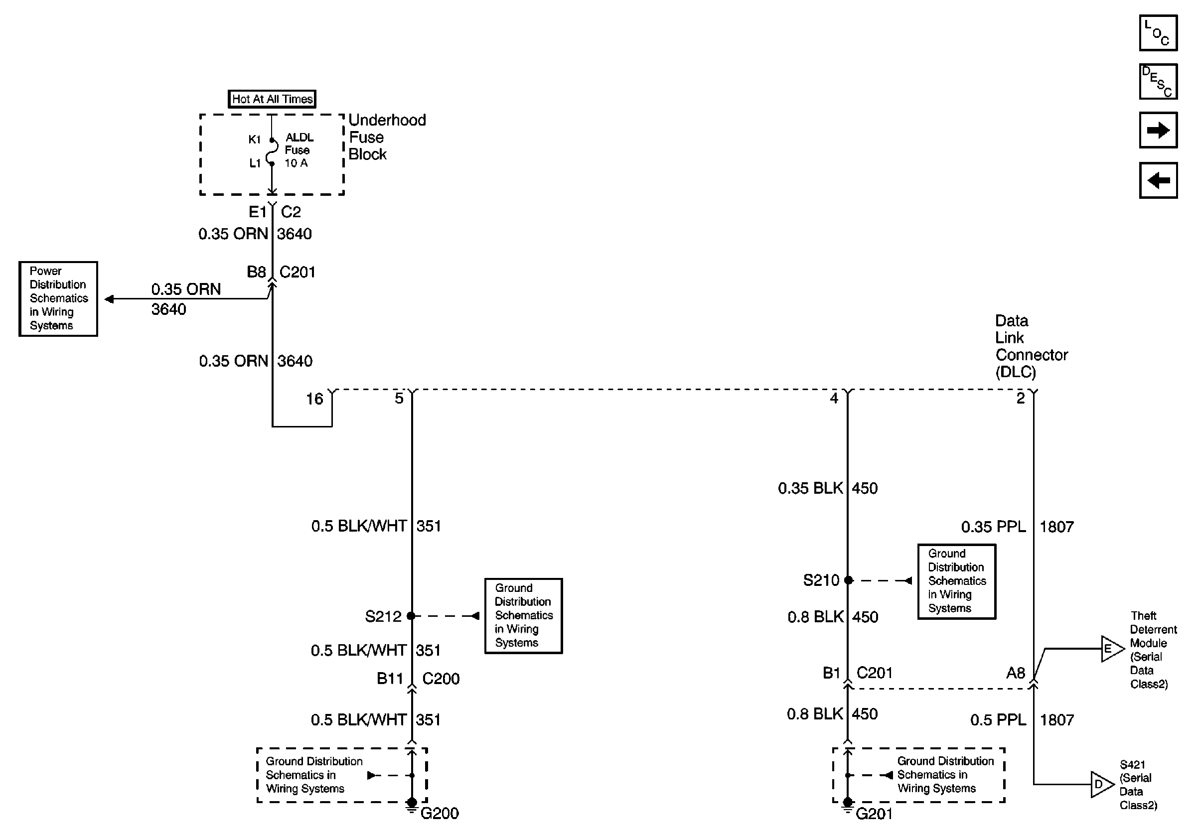
Data Link Connector Power and Ground (LH Drive)


Object Number: 579047  Size: FS
Data Link Communications Components
Data Link Communications Circuit Description
Class 2 Serial Data Line (LH Drive)
DRV MDL, PASS MDL, RRDR MDL and DLC Fuses
G200 1 of 2
G200 1 of 2
G201
G201
Class 2 Serial Data Line (LH Drive)
    • 

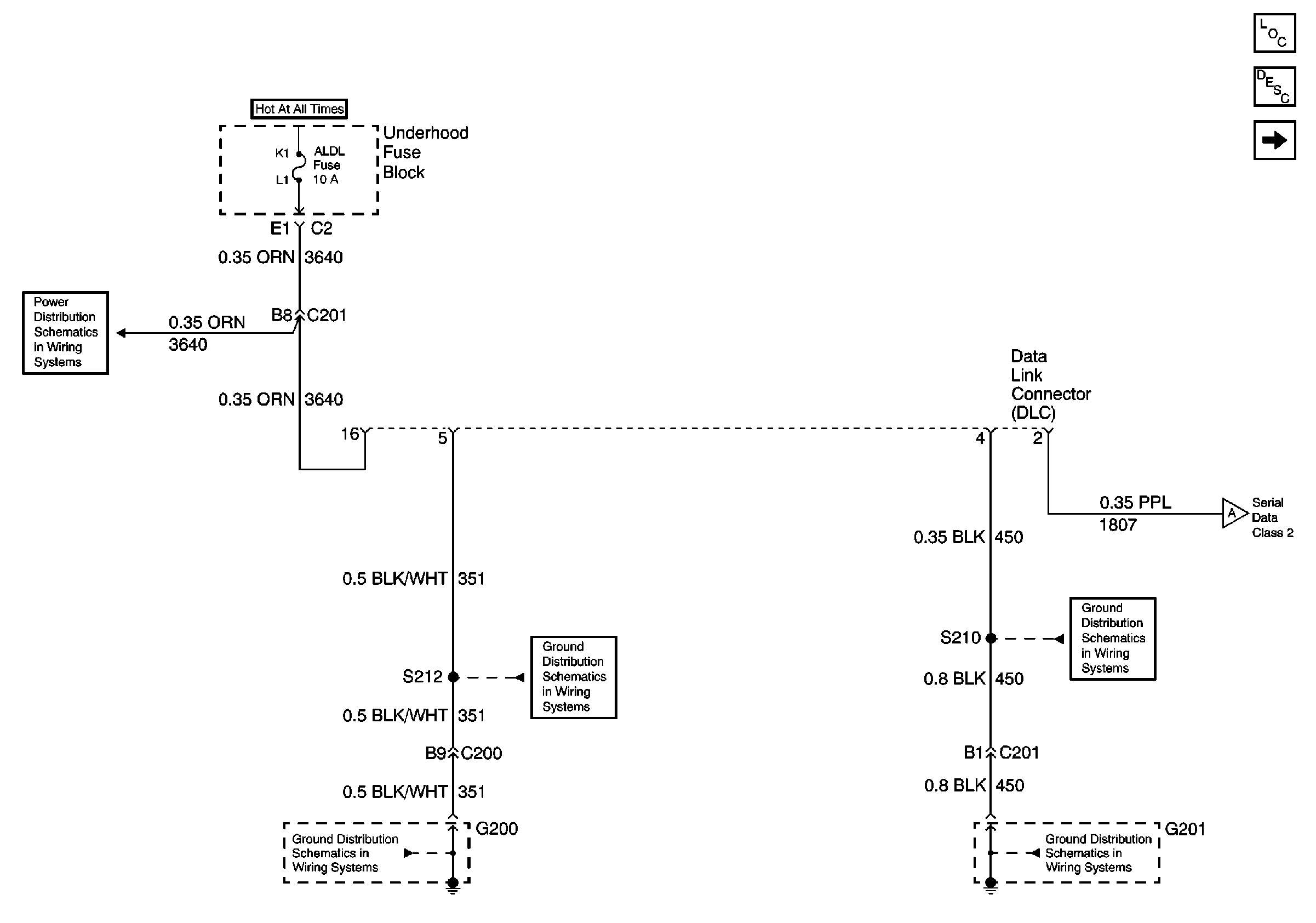
Data Link Connector Power and Ground (RH Drive)


Object Number: 579028  Size: FS
Data Link Communications Components
Data Link Communications Circuit Description
Class 2 Serial Data Line (RH Drive)
Class 2 Serial Data Line (LH Drive)
DRV MDL, PASS MDL, RRDR MDL and DLC Fuses
G200 1 of 2
G200 1 of 2
G201
G201
Class 2 Serial Data Line (RH Drive)
Class 2 Serial Data Line (RH Drive)

Circuit Description

During normal vehicle operation modules connected to the class 2 serial data circuit monitor the class 2 serial data circuit for serial data communications . Operating information and commands are exchanged among the modules. When a module receives a critical operating parameter, message for a the module records and learns the identification number of the transmitting module for the purpose State of Health monitoring (Node Alive messages). A critical operating parameter is one which, when not received, requires that the receiving module use a default value for that parameter. Once an identification number is learned by a module, it will monitor the class 2 serial data circuit for that module's Node Alive message. Each module on the class 2 serial data circuit is required to send a Node Alive message every 2 seconds. If no message is detected from a learned identification number for 5 seconds, a DTC U1xxx (where xxx is equal to the three digit identification number) is set.

Control Module

ID Number

Powertrain Control Module (PCM)

016

Electronic Brake Control Module (EBCM)

040

Dash Integration Module (DIM)

064

Instrument Panel Module (IPM)

065

Rear Integration Module (RIM)

066

Sensing and Diagnostic Module (SDM)

088

Instrument Panel Cluster (IPC)

096

Radio

128

Radio Amplifier

129

Cellular Telephone Module

144

Navigation Data Processor

145

Driver Door Module (DDM)

160

Theft Deterent Module

192

Conditions for Running the DTC

    • Diagnostic trouble codes B1327, B1328, U1300, U1301, and U1305 do not have a current status. Any particular device on the class 2 serial data circuit will support some subset of these DTCs.
    • The vehicle power mode (ignition switch position) requires serial data communication to occur.

Conditions for Setting the DTC

A message from a learned identification number has not been detected for the past five seconds.

Conditions for Clearing the DTC

    • A current DTC will clear when a Node Alive message from the failed identification number is detected on the class 2 serial data circuit or at the end of the current ignition cycle.
    • A history DTC will clear upon receipt of a scan tool Clear DTCs command.

Diagnostic Aids

When multiple Loss of Communication DTCs are set concurrently, the cause is likely to be two opens in the class 2 serial data circuit. Use the Control Module ID Number list in order to determine which modules are not communicating. Use the class 2 serial data circuit schematic in order to determine the location of the opens.

Test Description

The numbers below refer to the step numbers on the diagnostic table.

  1. DTCs U1161, U1162, U1163, and U1170 indicate a malfunction in the simple bus serial data circuit.

  2. The following modules have a single wire connection to the class 2 serial data circuit. An open in the single wire will prevent communications.

  3. • Cellular Telephone Docking Station
    • Driver Door Module (DDM)
    • Memory Seat Module (MSM)
    • Navigation Data Processor
    • Steering Column Module
  4. The module which was not communicating due to an open in the class 2 serial data circuit may have set Loss of Communication DTCs for those modules that it was monitoring.

  5. The modules which can communicate indicate the module which cannot communicate. You must clear the DTC from these modules to avoid future misdiagnosis.

Step

Action

Yes

No

1

Did you record only DTC U1161, U1162, U1163, or U1170?

Go to Diagnostic Trouble Code (DTC) List/Type in Doors

Go to Step 2

2

Test the battery positive voltage and/or ignition voltage circuit(s) of the module that is not communicating for an open or a short to ground. For the applicable Schematic, refer to Control Module References Control Module References . Refer to Circuit Testing and Wiring Repairs in Wiring Systems.

Did you find and correct the condition?

Go to Step 10

Go to Step 3

3

  1. Turn OFF the ignition.
  2. Test the ground and the module ID (if applicable) circuit(s) of the module that is not communicating for an open. For the applicable Schematic, refer to Control Module References . Refer to Circuit Testing and Wiring Repairs in Wiring Systems.

Did you find and correct the condition?

Go to Step 10

Go to Step 4

4

Inspect for poor connections at the battery positive voltage and/or ignition voltage circuit(s), the ground circuit(s), and the class 2 serial data circuit(s) of the harness connector of the module that is not communicating. Refer to Testing for Intermittent Conditions and Poor Connections and Wiring Repairs in Wiring Systems.

Did you find and correct the condition?

Go to Step 10

Go to Step 5

5

Do the following modules communicate with the scan tool?

    • Cellular Telephone Module
    • Driver Door Module (DDM)
    • Memory Seat Module (MSM)
    • Navigation Data Processor
    • Steering Column Module

Go to Step 7

Go to Step 6

6

Test the class 2 serial data circuit of the module that is not communicating for an open. For the applicable Schematic, refer to Control Module References . Wiring Repairs in Wiring Systems.

Did you find and correct the condition?

Go to Step 8

Go to Step 7

7

Replace the module that is not communicating. Refer to Control Module References

Did you complete the replacement?

Go to Step 10

--

8

  1. Install a scan tool.
  2. Turn ON the ignition leaving the engine OFF.
  3. Select the Display DTCs function for the module which was not communicating.

Does the scan tool display any DTCs which do not begin with a U?

Go to the applicable Diagnostic System Check. Go to Control Module References

Go to Step 9

9

Use the scan tool in order to clear the DTCs.

Did you complete the action?

Go to Step 10

--

10

Select the Display DTCs function for the module(s) which had the Loss of Communications DTC set.

Does the scan tool display any DTCs which do not begin with a U?

Go to the applicable Diagnostic System Check. Go to Control Module References

Go to Step 11

11

  1. Use the scan tool in order to clear the DTCs.
  2. Continue diagnosing or clearing the DTCs until all the modules have been diagnosed and all the DTCs have been cleared.

Did you complete the action?

System OK

--