GM Service Manual Online
For 1990-2009 cars only
Figure 1:

Power and Grounds (w/UE1)


Object Number: 646862  Size: FS
Figure 2:

Vehicle Interface Unit, Microphone, and Radio Amplifier (w/UE1)


Object Number: 646867  Size: FS
Figure 3:

Cellular Telephone Interface Board (w/UE1)


Object Number: 646870  Size: FS
Figure 4:

Modem Signals (w/UE1 and w/U43)


Object Number: 646873  Size: FS
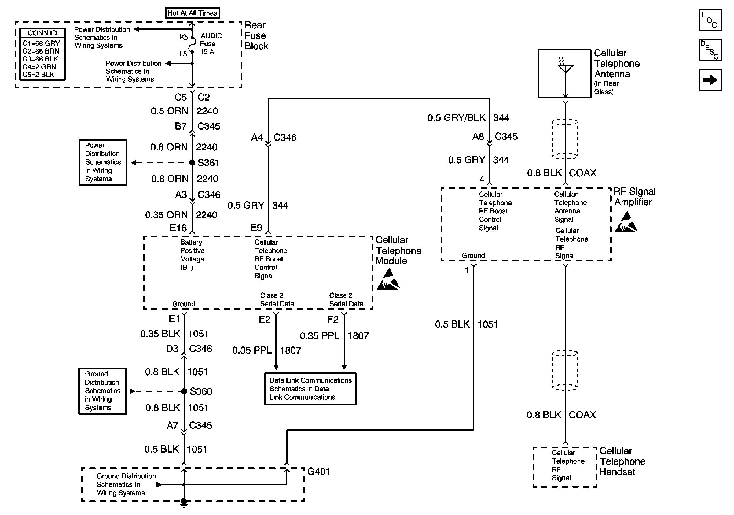
Figure 5:

Power and Ground (w/o UE1)


Object Number: 576367  Size: FS
Cellular Communication Components
Cellular Telephone Circuit Description
Handset and Microphone (w/o UE1)
Audio, Audio Amp and DIM Fuses
Handling ESD Sensitive Parts Notice
Handling ESD Sensitive Parts Notice
G401 1 of 3
Figure 6:

Handset and Microphone (w/o UE1)


Object Number: 576384  Size: FS
Cellular Communication Components
Cellular Telephone Circuit Description
Handset and Radio Amplifier (w/o UE1)
Power and Ground (w/o UE1)
Handling ESD Sensitive Parts Notice
Class 2 Serial Data Line (LH Drive)
Handling ESD Sensitive Parts Notice
Figure 7:

Handset and Radio Amplifier (w/o UE1)


Object Number: 576381  Size: FS
Cellular Communication Components
Cellular Telephone Circuit Description
Handset and Microphone (w/o UE1)
Handling ESD Sensitive Parts Notice
Handling ESD Sensitive Parts Notice
Handling ESD Sensitive Parts Notice