GM Service Manual Online
For 1990-2009 cars only
Figure 1:

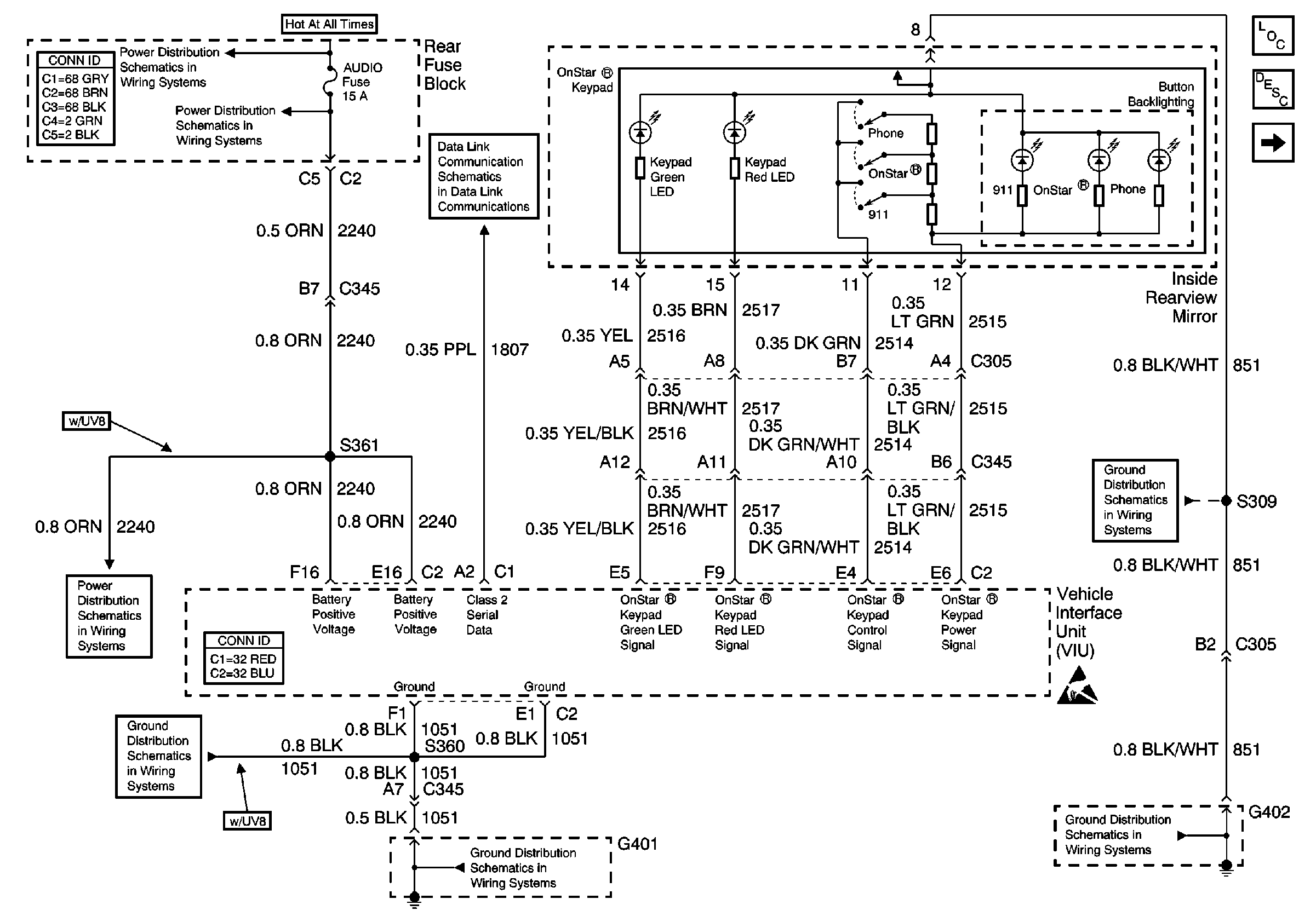
Module Power and Ground


Object Number: 644702  Size: FS
Audio, Audio Amp and DIM Fuses
Audio, Audio Amp and DIM Fuses
Class 2 Serial Data Line (LH Drive)
Audio, Audio Amp and DIM Fuses
G401 1 of 3
G401 1 of 3
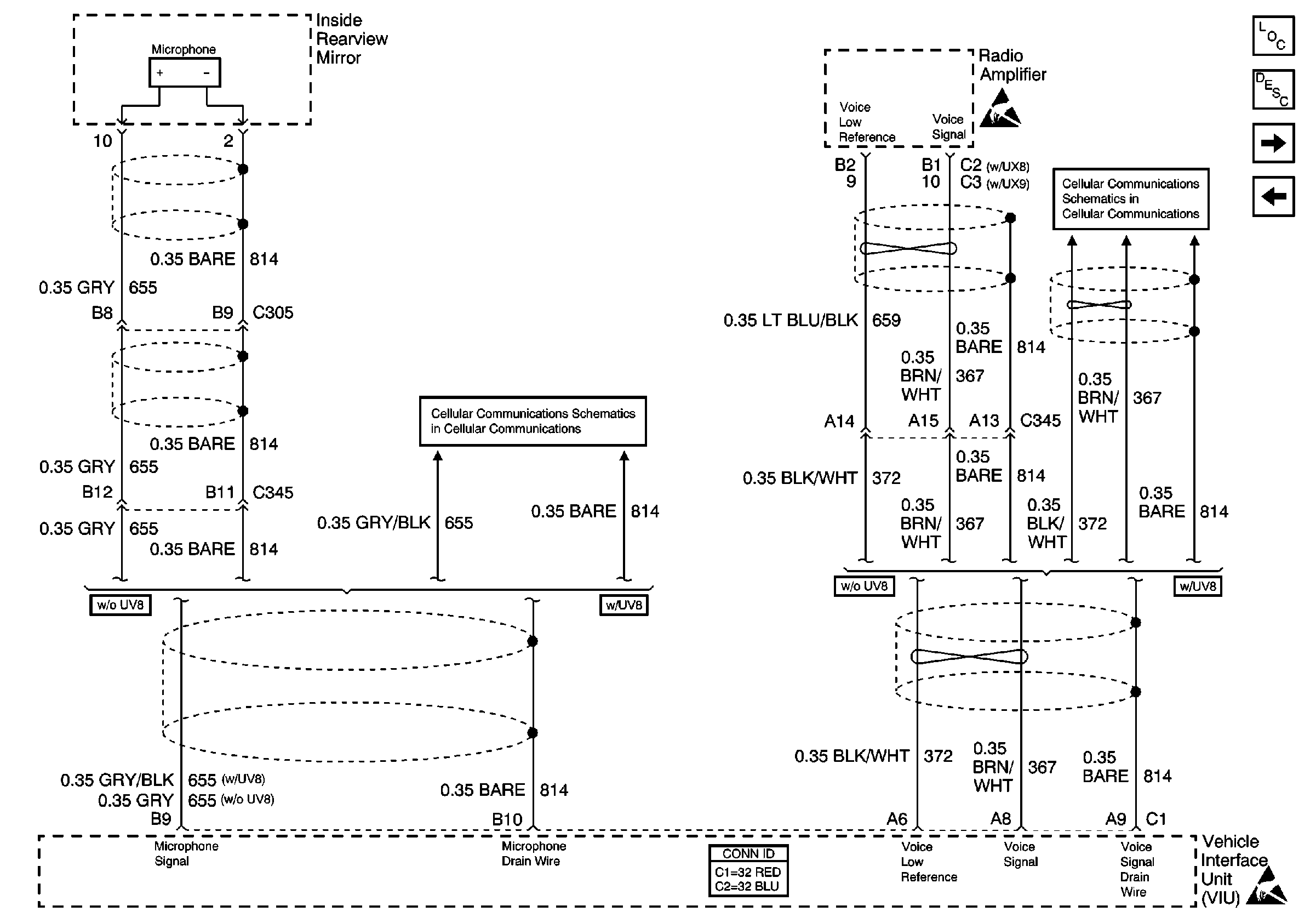
Microphone and Voice Signals
Figure 2:

Microphone and Voice Signals


Object Number: 644704  Size: FS
Figure 3:

VIU to VCU Signals


Object Number: 644705  Size: FS