GM Service Manual Online
For 1990-2009 cars only
Makes
🢒
Cadillac
🢒
2000
🢒
Seville
🢒
Body and Accessories
🢒
Instrument Panel, Gauges, and Console
🢒 Rear Parking Assist Schematics
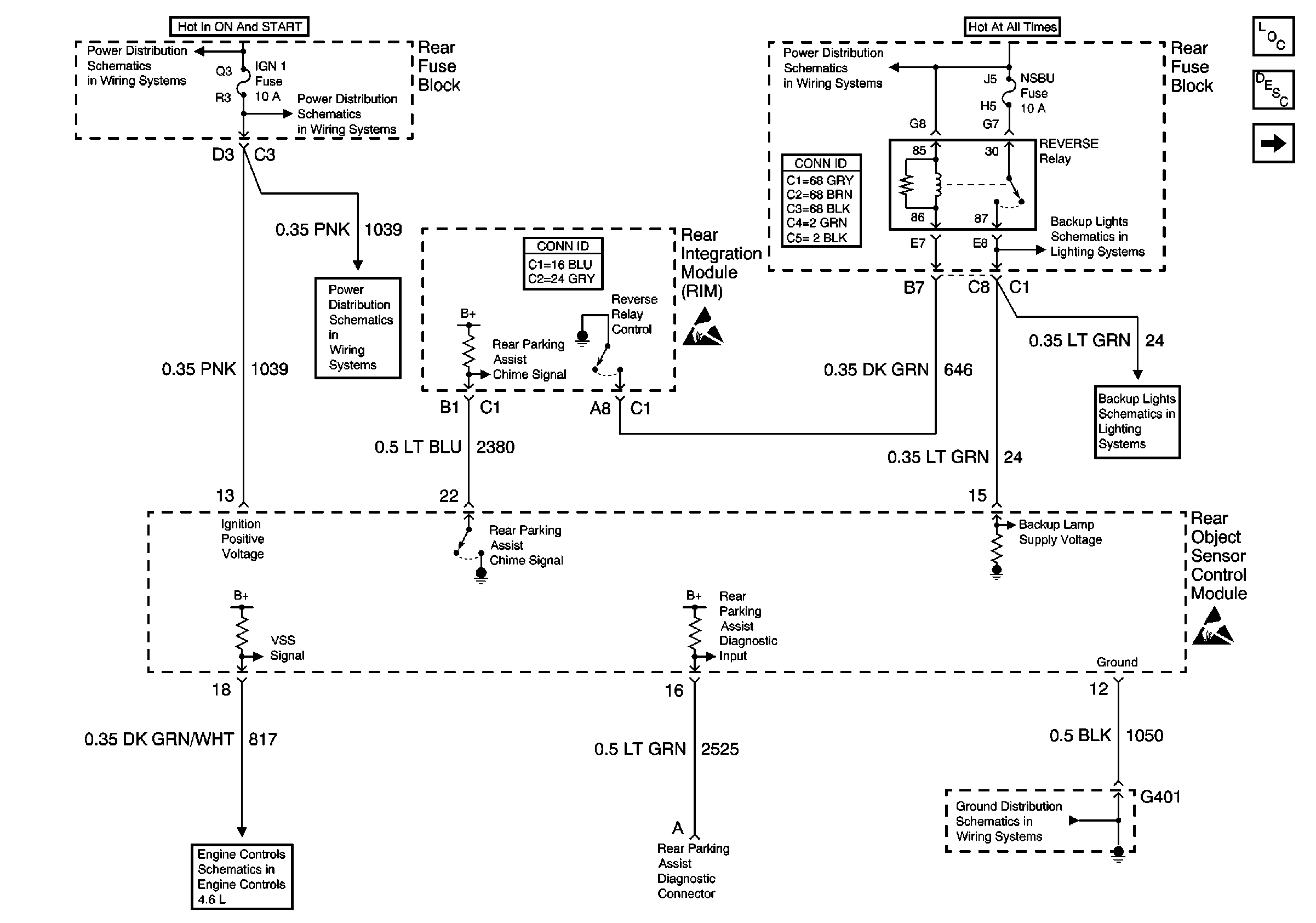
Figure
1:
Rear Object Sensor Control Module Power, Ground
Rear Parking Assist Components
Rear Parking Assist Description
Object Sensors
IGN 1 Relay and SIR, Vent SOL, IGN 1 Fuses
NSBU, F/PMP, CVRTD and BODY Fuses
Handling ESD Sensitive Parts Notice
Handling ESD Sensitive Parts Notice
Backup Lights Schematics
IGN 1 Relay and SIR, Vent SOL, IGN 1 Fuses
Cruise Control Module
Backup Lights Schematics
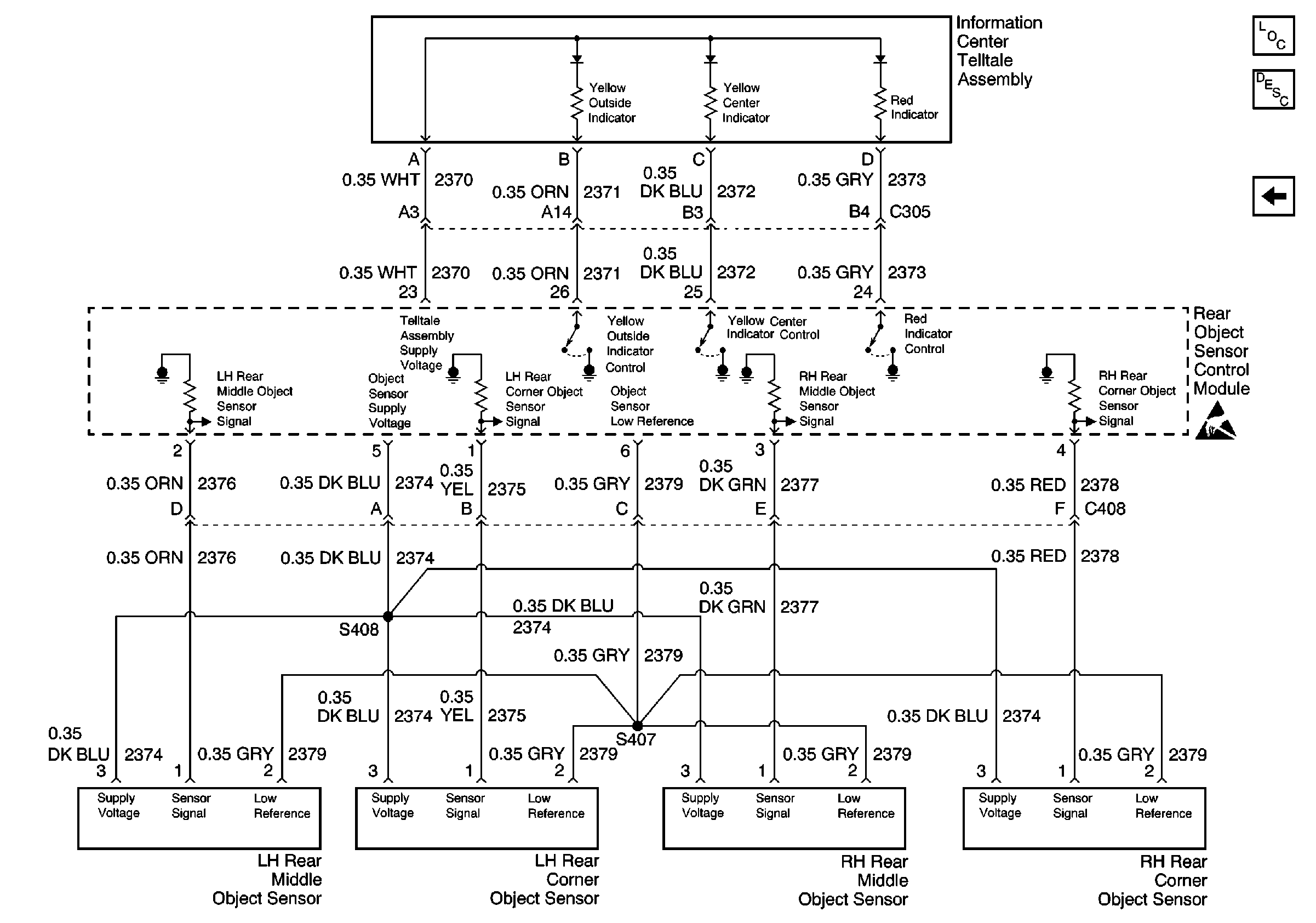
Figure
2:
Object Sensors
Rear Parking Assist Components
Rear Parking Assist Description
Rear Object Sensor Control Module Power, Ground
Handling ESD Sensitive Parts Notice