GM Service Manual Online
For 1990-2009 cars only

Removal Procedure

Important: Perform the procedure exactly as specified, regardless of whether you will replace all of the insulators or only one of the insulators.

Removing any one frame insulator requires loosening the adjacent frame insulators in order to permit the frame to separate from the body.

Replace the insulators carefully in order to avoid the following conditions:

    • Breaking the plastic fan shroud
    • Damaging the frame attachments (steering hoses, brake pipes)
  1. Raise the vehicle using a frame contact hoist. Refer to Lifting and Jacking the Vehicle in General Information.
  2. Support the frame near the insulator using jackstands.

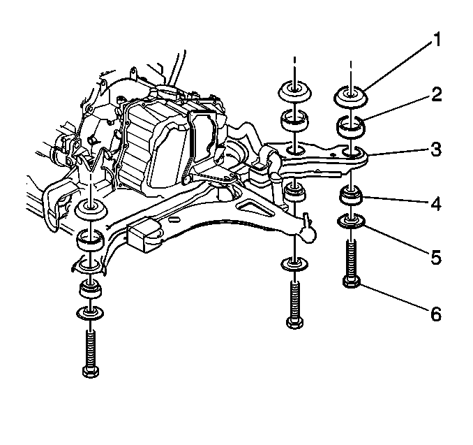
  3. Object Number: 290804  Size: SH
  4. Remove the following components from the insulator (4):
  5. • The bolt (6)
    • The retainer (5)

       Important: If working on position #2 or #3, other insulator mounting bolts must be removed to remove insulator.

  6. Loosen other insulator bolts.
  7. Remove the lower insulator (4).
  8. Raise the body slightly.
  9. Remove the following components:
  10. • The upper insulator (2)
    • The spacer (1)

Installation Procedure


    Object Number: 290804  Size: SH
  1. Install the following components:
  2. • The upper insulator (2)
    • The spacer (1)
  3. Lower the body to the frame.
  4. Install the lower insulator (3).
  5. If the frame insulator bolt does not screw in smoothly, run a tap through the cage in the body in order to remove the foreign material. Ensure that the tap does not punch through the underbody. Position the insulator and the metal washer in order to prevent contact with the frame rail. Do not over tighten the insulator nut. Overtightening the nut may strip the cage nut.
  6. Notice: Use the correct fastener in the correct location. Replacement fasteners must be the correct part number for that application. Fasteners requiring replacement or fasteners requiring the use of thread locking compound or sealant are identified in the service procedure. Do not use paints, lubricants, or corrosion inhibitors on fasteners or fastener joint surfaces unless specified. These coatings affect fastener torque and joint clamping force and may damage the fastener. Use the correct tightening sequence and specifications when installing fasteners in order to avoid damage to parts and systems.

  7. Install the following components:
  8. • The retainer (4)
    • The bolt (6)

    Tighten
    Tighten the insulator bolts to 192 N·m (142 lb ft).