GM Service Manual Online
For 1990-2009 cars only
Makes
🢒
Cadillac
🢒
2000
🢒
Seville
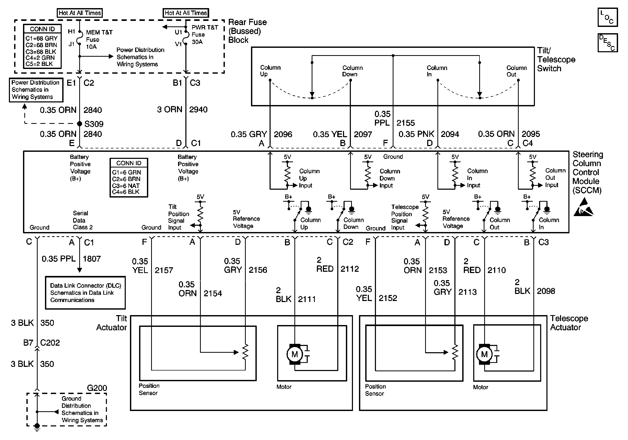
🢒 Tilt/Telescoping Steering Column Module Schematics
Tilt/Telescoping Steering Column Module Schematics
Tilt/Telescoping Steering Column Module Schematics
Tilt Wheel/Column Components
Tilt/Telescoping Steering Column Circuit Description
Handling ESD Sensitive Parts Notice
Rear Fuse Block Battery Voltage
MEM T&T, RRLUM/ANT, and HTDST LF Fuses
Serial Data Class 2 (3 of 3)
G200