GM Service Manual Online
For 1990-2009 cars only
Makes
🢒
Cadillac
🢒
2000
🢒
Seville
🢒 Park Brake Release
Park Brake Release
Park Brake Release
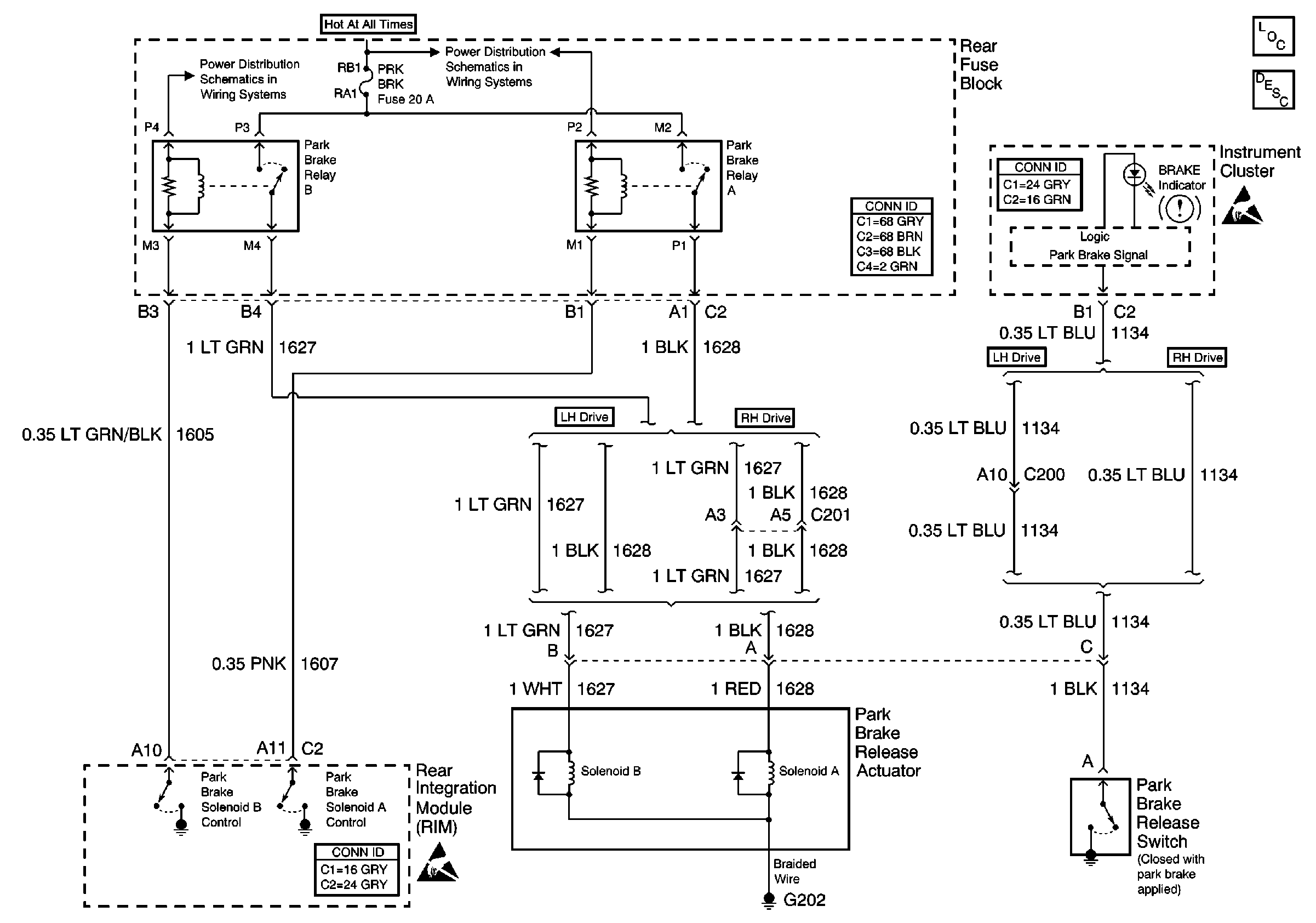
Park Brake System Components
Park Brake System Circuit Description
RR Blo, RR Defog, PRK BRK, ELC Fuses
RR Blo, RR Defog, PRK BRK, ELC Fuses
Handling ESD Sensitive Parts Notice