GM Service Manual Online
For 1990-2009 cars only
Makes
🢒
Cadillac
🢒
2000
🢒
Seville
🢒 Power, Ground, and Components
Power, Ground, and Components
Power, Ground, and Components
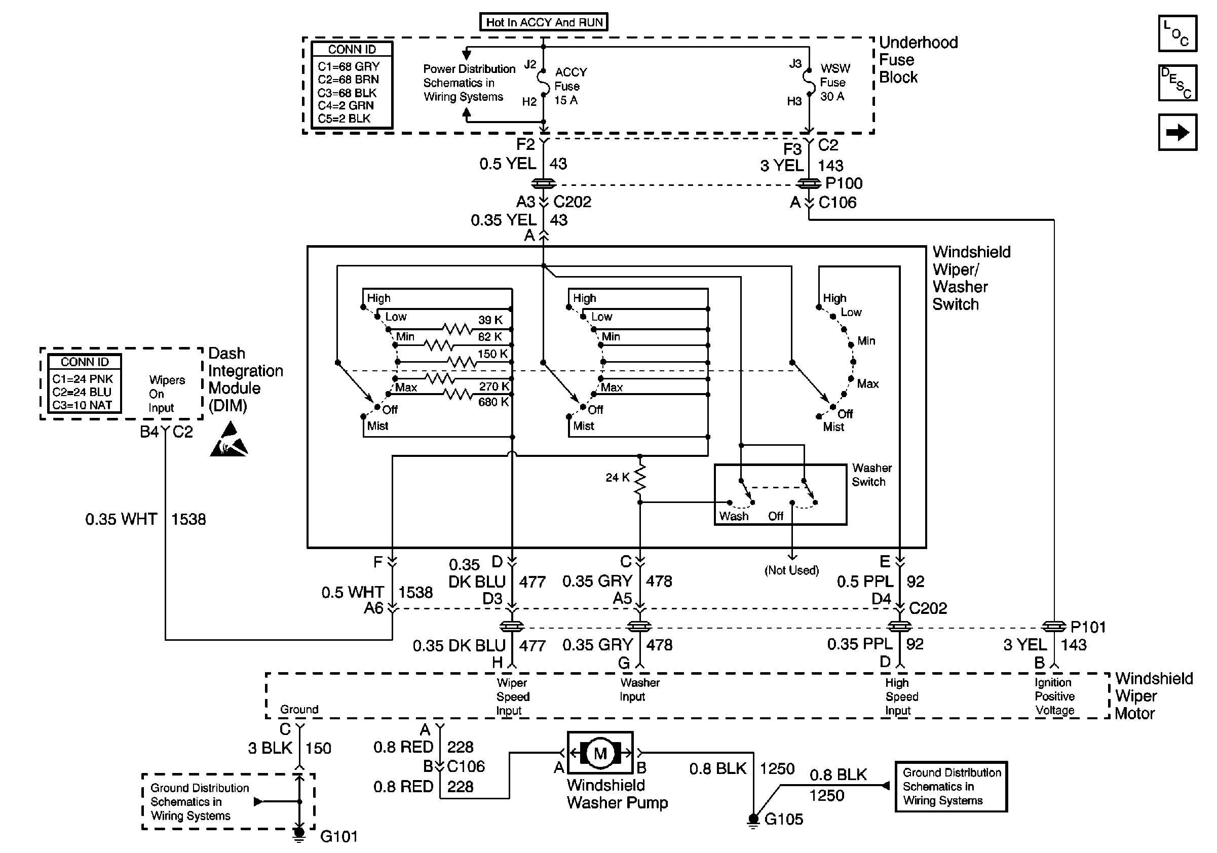
Wiper/Washer System Components
Wiper/Washer System Circuit Description
Wiper System w/ CE1
Start Circuit Breaker and ACC, WSW Fuses
G101 and G105
G101 and G105