GM Service Manual Online
For 1990-2009 cars only
Makes
🢒
Cadillac
🢒
2000
🢒
Seville
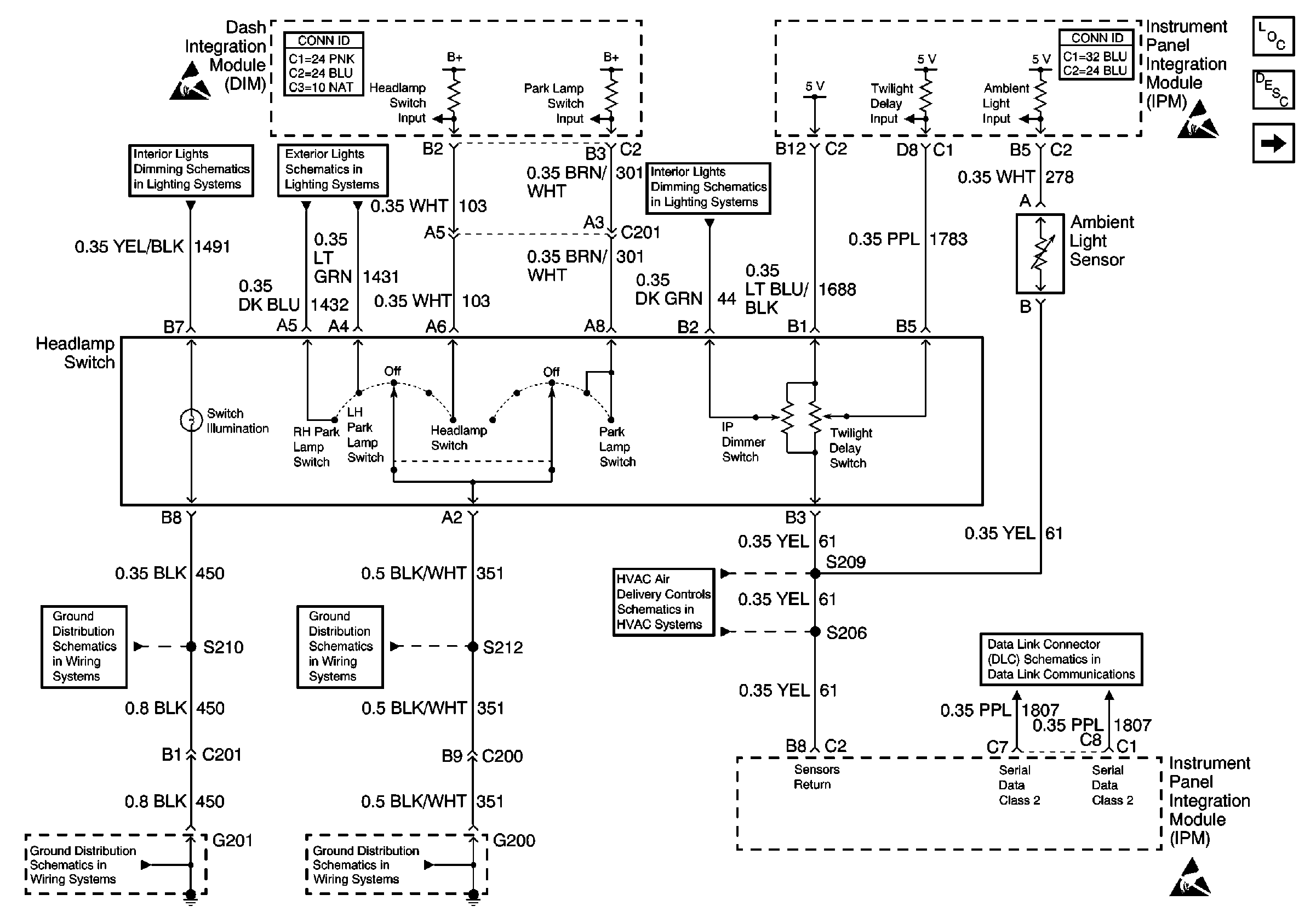
🢒 Headlamp Switch, Ambient Light Sensor
Headlamp Switch, Ambient Light Sensor
Headlamp Switch, Ambient Light Sensor
Lighting Systems Components
Headlights Circuit Description
Low Beam Headlamps
Handling ESD Sensitive Parts Notice
Instrument Panel Dimming
Headlamp Switch, PRK LP Relay
Dimming Control, IP Dimmer Switch
Class 2 Serial Data Line (LH Drive)
Temperature Sensors
Handling ESD Sensitive Parts Notice
Handling ESD Sensitive Parts Notice
G201
G201
G200 1 of 2
G200 1 of 2