GM Service Manual Online
For 1990-2009 cars only
Makes
🢒
Cadillac
🢒
2000
🢒
Seville
🢒 Fog Lights Schematics
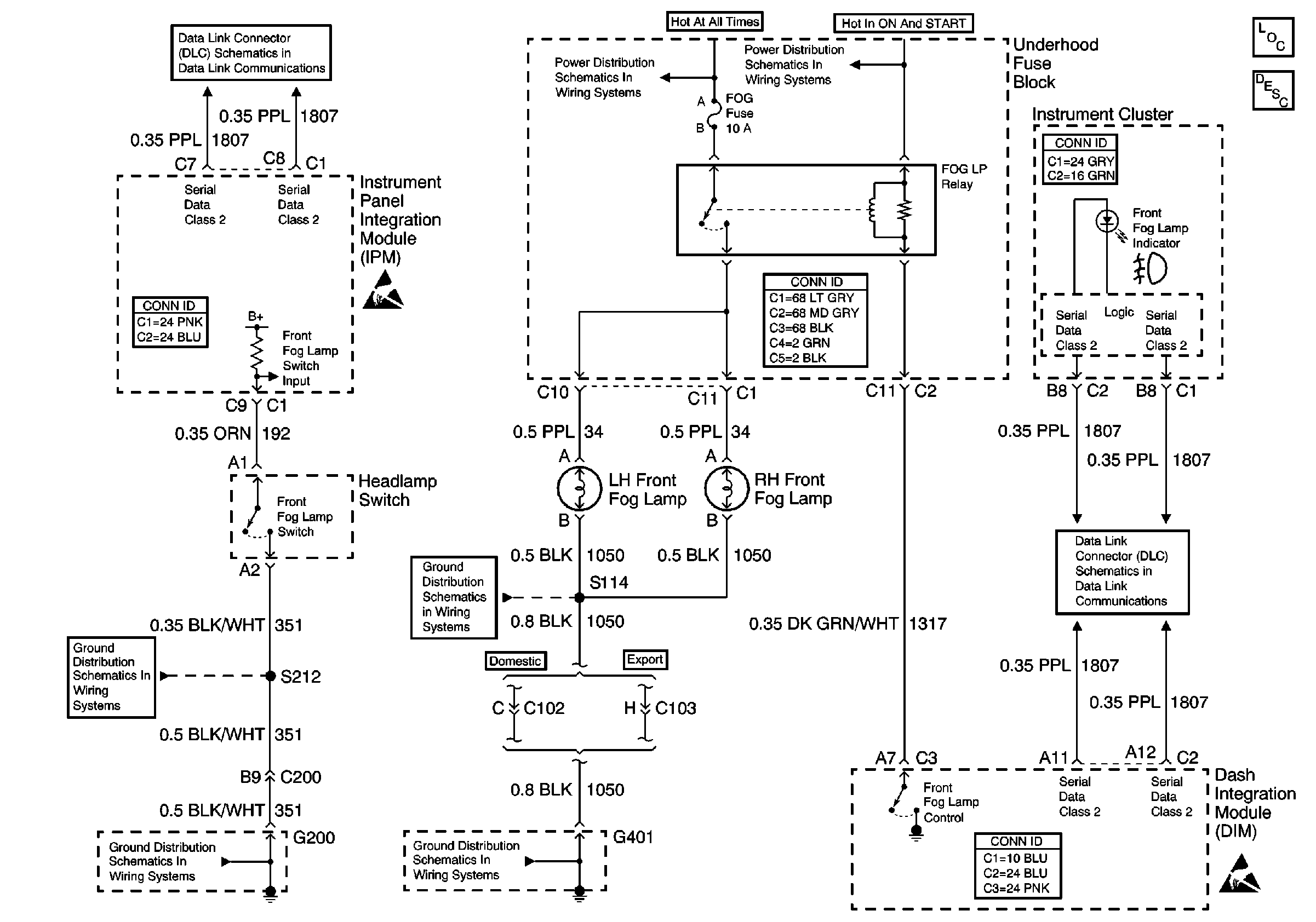
Fog Lights Schematics
Lighting Systems Components
Fog Lights Circuit Description
A/C CLU, FOG/DRL, INJR 1 and INJR 2 Fuses
Handling ESD Sensitive Parts Notice
Handling ESD Sensitive Parts Notice
Class 2 Serial Data Line (LH Drive)
Class 2 Serial Data Line (LH Drive)
Fog Lights Schematics
G401 3 of 3
G401 3 of 3
G200 1 of 2
G200 1 of 2