GM Service Manual Online
For 1990-2009 cars only
Makes
🢒
Cadillac
🢒
2000
🢒
Seville
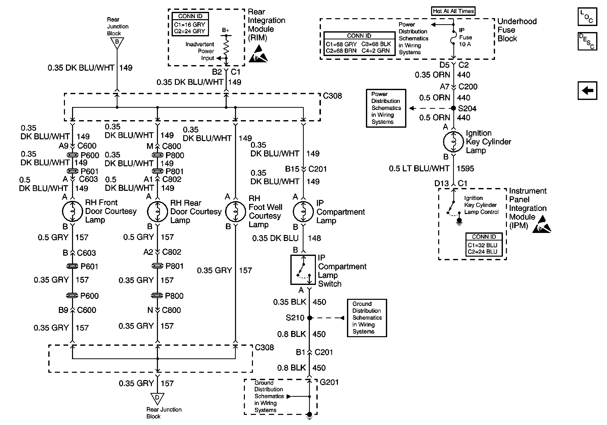
🢒 RH Courtesy, IP Compartment, and Ignition Key Cylinder Lamps
RH Courtesy, IP Compartment, and Ignition Key Cylinder Lamps
RH Courtesy, IP Compartment, and Ignition Key Cylinder Lamps
Lighting Systems Components
Interior Lights Circuit Description
Vanity and Reading Lamps, Interior Lamp Switch
Handling ESD Sensitive Parts Notice
PCM BATT, EXPORT BRK, IP, ABS Sol, and ABS MOT Fuses
PCM BATT, EXPORT BRK, IP, ABS Sol, and ABS MOT Fuses
Interior Lamp Relays
Interior Lamp Relays
G201
G201
Handling ESD Sensitive Parts Notice