GM Service Manual Online
For 1990-2009 cars only
Makes
🢒
Cadillac
🢒
2000
🢒
Seville
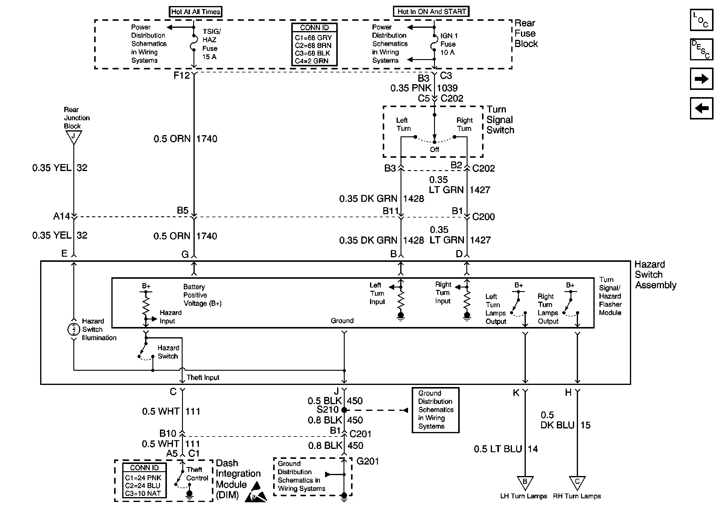
🢒 Hazard Switch Assembly
Hazard Switch Assembly
Hazard Switch Assembly
Lighting Systems Components
Exterior Lights Circuit Description
Stop Lamps
Headlamp Switch, PRK LP Relay
IGN 1 Relay and SIR, Vent SOL, IGN 1 Fuses
MEM T/T, PWR T/T and TSIG/HAZ Fuse
License, Underhood, and Cornering Lamps
Handling ESD Sensitive Parts Notice
G201
LH Exterior Lamps
RH Exterior Lamps
G201