GM Service Manual Online
For 1990-2009 cars only
Makes
🢒
Cadillac
🢒
2000
🢒
Seville
🢒 Power, Grounds, and Components
Power, Grounds, and Components
Power, Grounds, and Components
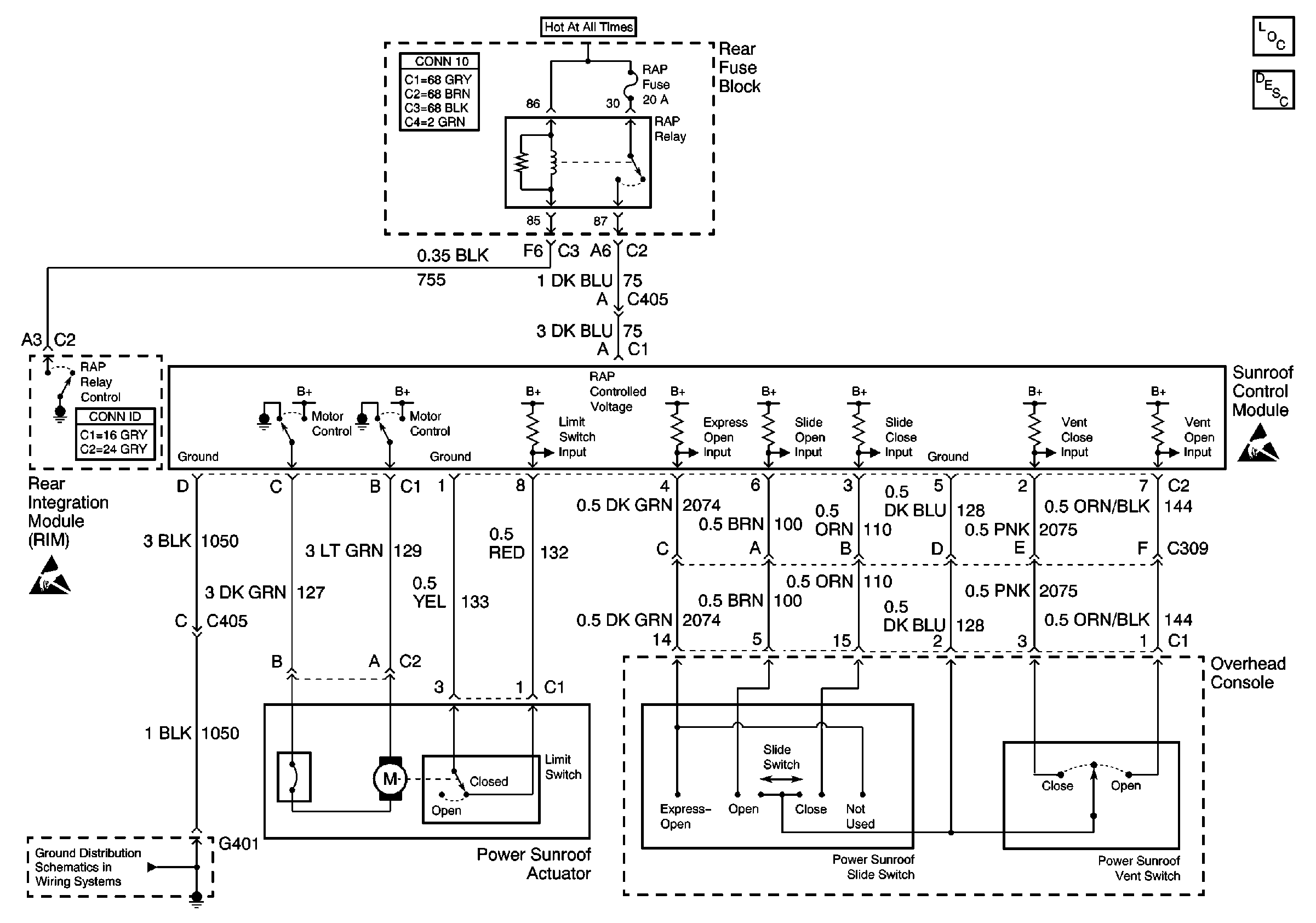
Power Roof Systems Components
Power Sunroof Circuit Description
Handling ESD Sensitive Parts Notice
Handling ESD Sensitive Parts Notice
G401 1 of 3