GM Service Manual Online
For 1990-2009 cars only
Makes
🢒
Cadillac
🢒
2000
🢒
Seville
🢒 Shift Interlock Actuator Control
Shift Interlock Actuator Control
Shift Interlock Actuator Control
Automatic Transmission Components
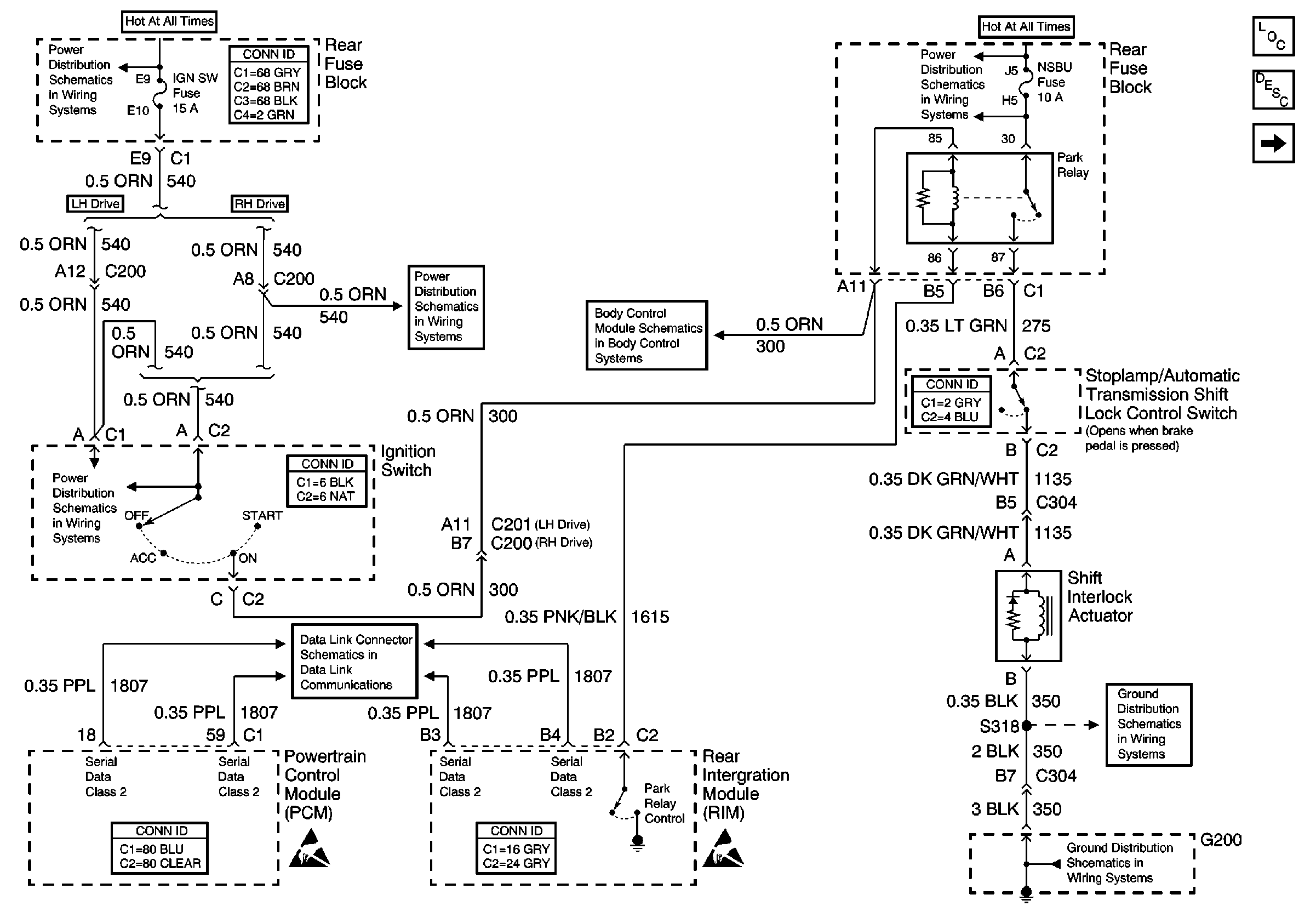
Automatic Transmission Shift Lock Control Circuit Description
Reverse Lockout Actuator Control
Handling ESD Sensitive Parts Notice
Handling ESD Sensitive Parts Notice
Class 2 Serial Data Line (RH Drive)
DIM Ignition Inputs
Ignition Switch
Ignition Switch
IGN SW, HTDST LR, HTDST RR, and HTDST RF Fuses
NSBU, F/PMP, CVRTD and BODY Fuses
G200 2 of 2
G200 2 of 2