GM Service Manual Online
For 1990-2009 cars only
Makes
🢒
Cadillac
🢒
2000
🢒
Seville
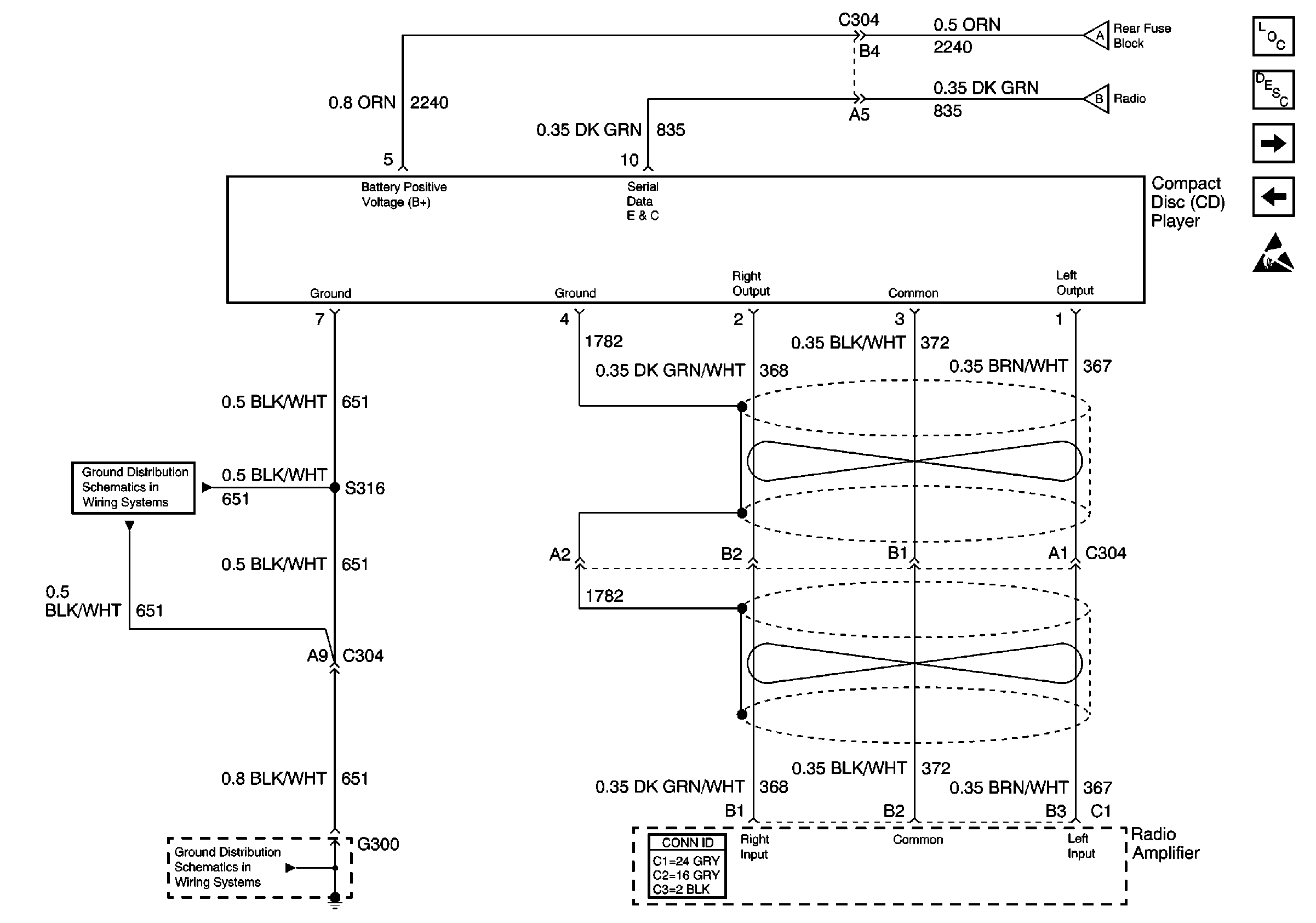
🢒 Compact Disc (CD) Player (w/UX8)
Compact Disc (CD) Player (w/UX8)
Compact Disc (CD) Player (w/UX8)
Entertainment Components
Radio/Audio System Circuit Description
Radio Amplifier (w/UX8)
Power and Ground (w/UX8)
Power and Ground (w/UX8)
G300
G300
Handling ESD Sensitive Parts Notice