GM Service Manual Online
For 1990-2009 cars only
Makes
🢒
Cadillac
🢒
2000
🢒
Seville
🢒 PCM and IPC Inputs
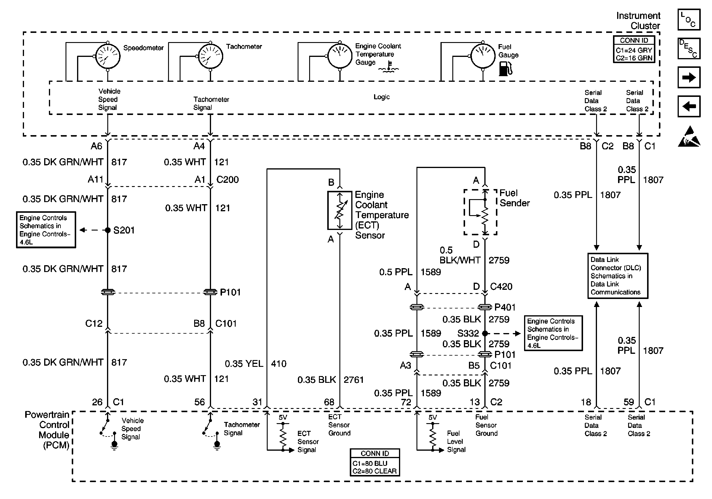
PCM and IPC Inputs
PCM and IPC Inputs
Instrument Cluster Components
Instrument Cluster Circuit Description
Coolant, Brake Fluid, Park Brake
Power and Ground in Class 2
Handling ESD Sensitive Parts Notice
Cruise Control Module
Sensors
Class 2 Serial Data Line (LH Drive)