GM Service Manual Online
For 1990-2009 cars only
Makes
🢒
Cadillac
🢒
2000
🢒
Seville
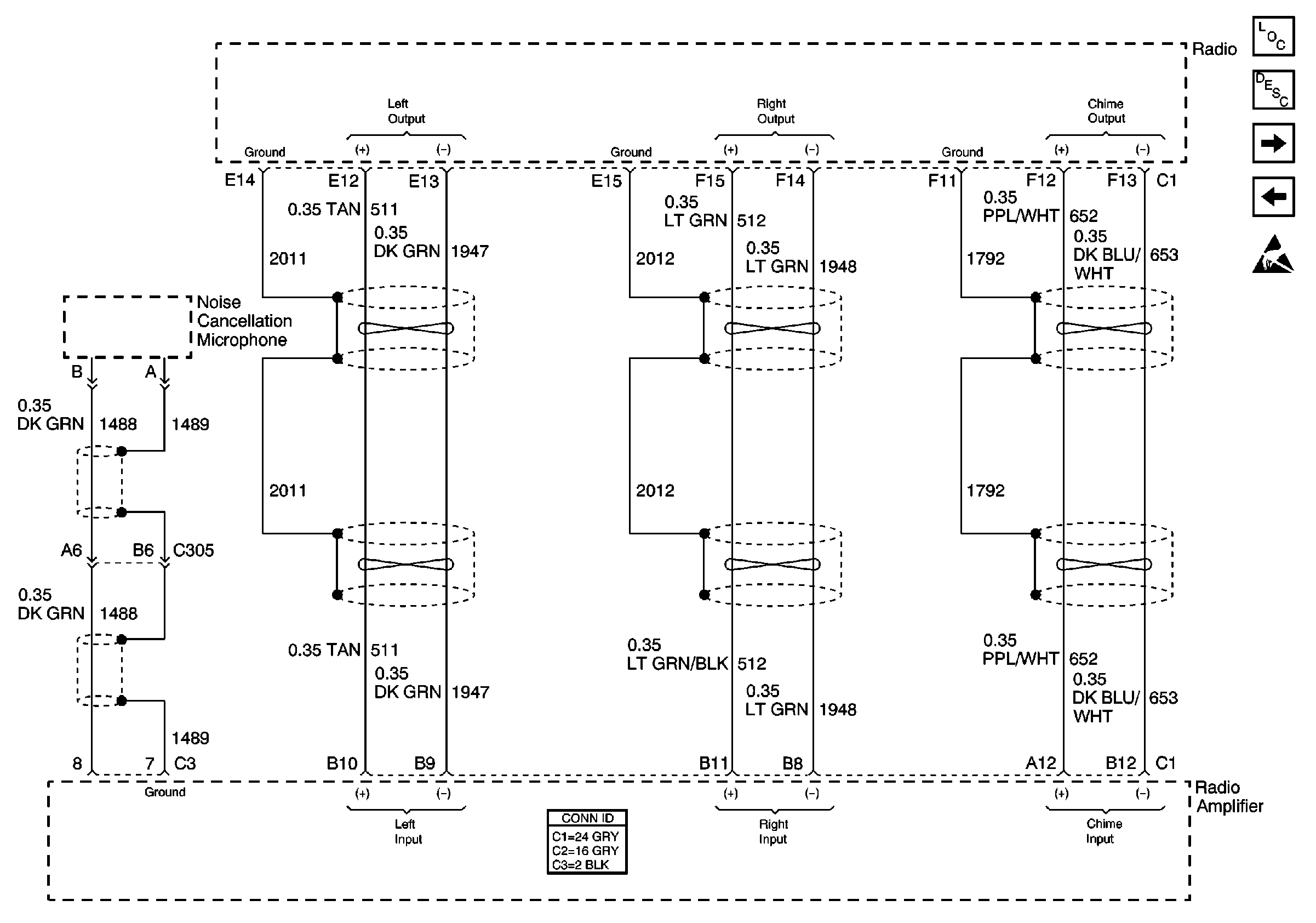
🢒 Radio Amplifier (w/UY4)
Radio Amplifier (w/UY4)
Radio Amplifier (w/UY4)
Entertainment Components
Radio/Audio System Circuit Description
Speakers (w/UY4)
Compact Disc (CD) Player (w/UY4)