GM Service Manual Online
For 1990-2009 cars only
Makes
🢒
Cadillac
🢒
2000
🢒
Seville
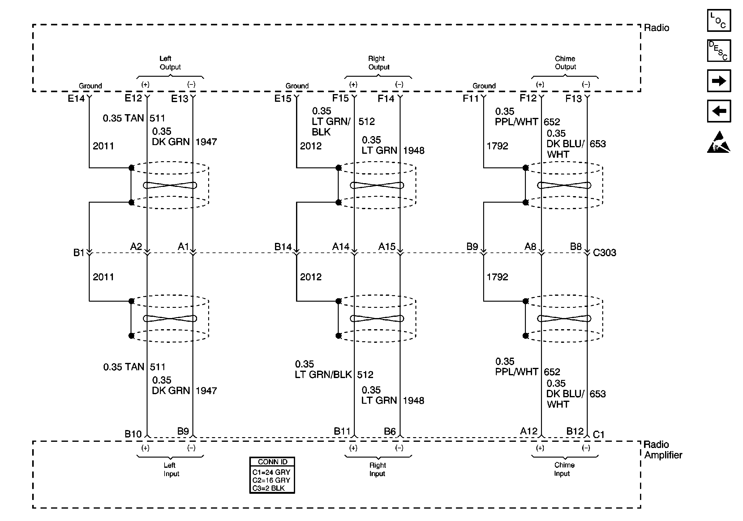
🢒 Radio Amplifier (UX9)
Radio Amplifier (UX9)
Radio Amplifier (UX9)
Entertainment Components
Radio/Audio System Circuit Description
Speakers (w/UX9)
Compact Disc (CD) Player (w/UX9)
Handling ESD Sensitive Parts Notice