 
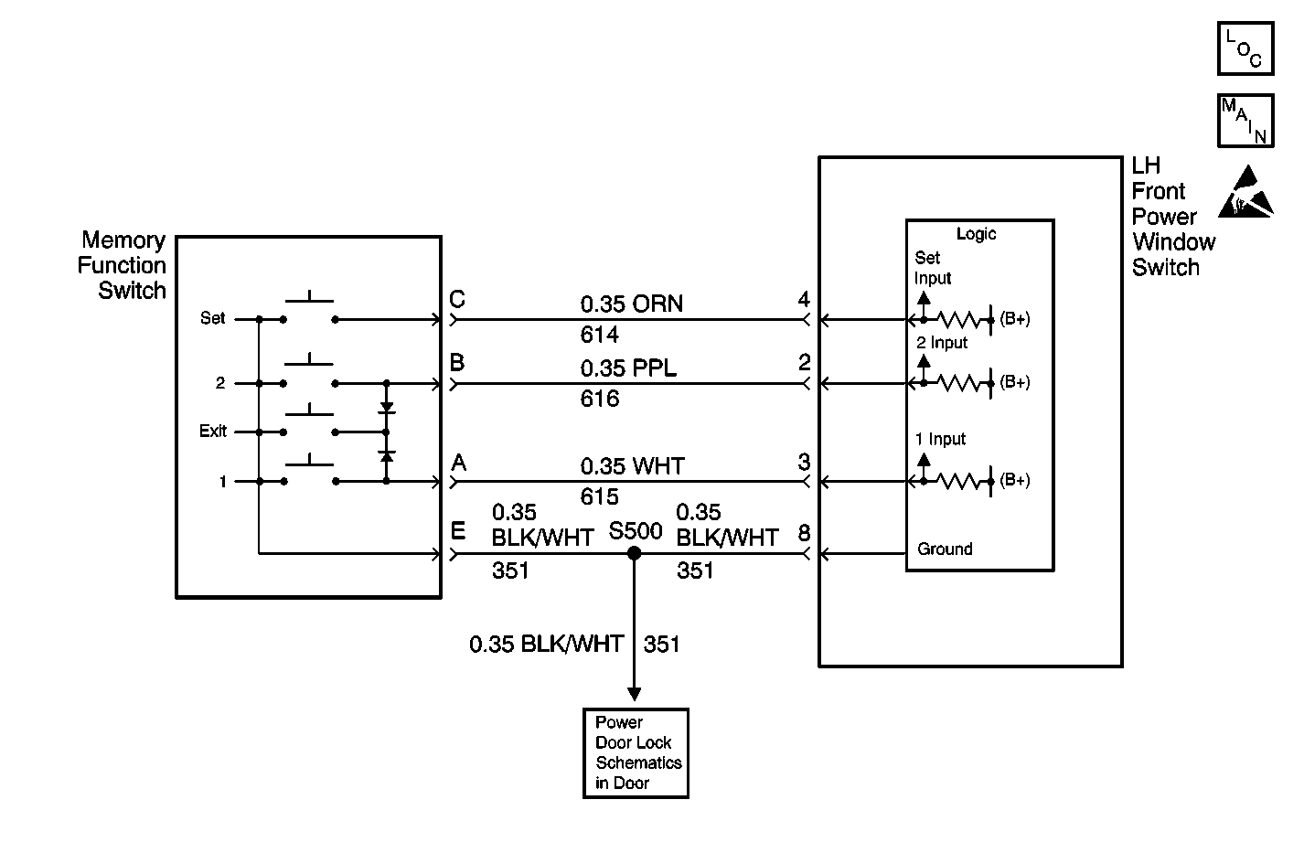
The LH Front Power Window Switch receives an input from the memory function switch memory exit switch through a simultaneous memory 1 and memory 2 input when the button is pressed. The LH Front Power Window Switch recognizes the input and sends a message on the Simple Bus Interface (SBI) to the driver door module indicating that the memory exit button has been pressed. The driver door module then sends a message via the Class 2 Serial Data Line to the Memory Seat Module (MSM), the Steering Column Tilt/Telescoping Module (TTM), and the Radio (IRC) indicating that the memory exit button has been pressed.
| • | When the memory exit switch is active for 30 seconds continuously, the switch will be considered shorted and the DTC will set. | 
| • | DTC B2242 will set only if DTC B1982 DDM or DTC B1983 DDM is not current. | 
| • | The driver door module will no longer respond to memory exit switch inputs. | 
| • | Because the memory exit button is an input on the memory 1 and memory 2 inputs to the driver door module, the memory 1 and memory 2 functions will no longer operate. | 
| • | The driver door module will continue to respond to valid inputs from the other memory function switches. | 
| • | The driver door module sees that the memory exit switch is no longer active. | 
| • | A history DTC will clear after 50 consecutive ignition cycles if the condition for the malfunction is no longer present. | 
| • | Use the On-Boards clearing DTCs feature. | 
| • | Use a scan tool. | 
The numbers below refer to the step numbers on the diagnostic table:
Perform the Power Door Diagnostic System Check before continuing with the diagnosis of this DTC.
Clear all DTCs and cycle ignition to check that the DTC did not falsely set.
Clear all DTCs after the repair procedure is complete.
| Step | Action | Value(s) | Yes | No | 
|---|---|---|---|---|
| Did you perform Diagnostic System Check - Power Door Systems ? | -- | Go to Step 2 | ||
| 
 After 30 seconds, does the DTC reset? | -- | Go to Step 3 | ||
| 3 | Replace the memory function switch. Is the repair complete? | -- | Go to Step 4 | -- | 
| 
 Are all DTCs cleared? | -- | -- |