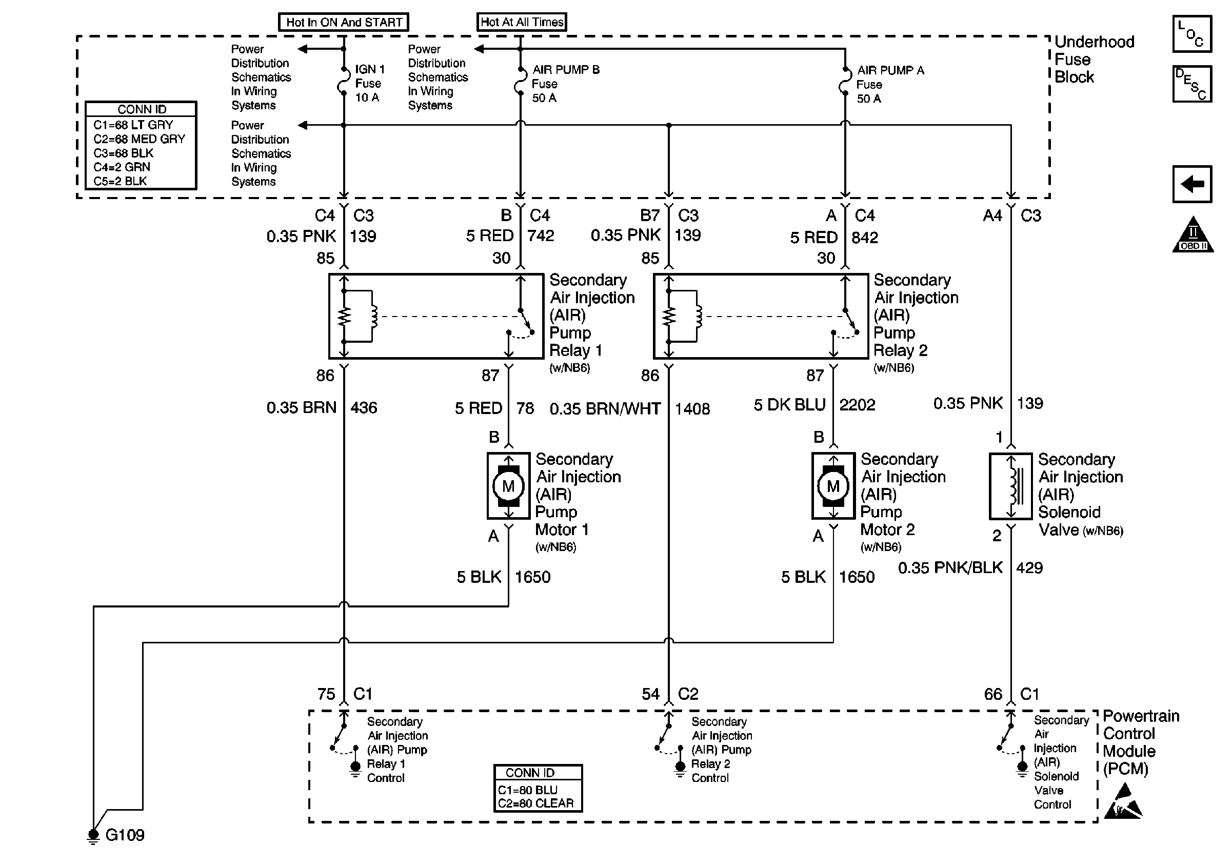
Refer to Engine Controls Schematics 
 Secondary Air Injection (AIR) Pump Motors w/NB6-California Emissions
 
 
.
The PCM uses output driver modules (ODMs) to control many functions of the engine, and the transaxle. The ODMs supply the ground path for the PCM controlled device when the PCM commands the device ON. Each ODM is able to control several outputs. Unlike the quad driver modules (QDMs) used in earlier model years, the ODMs are able to diagnose each output circuit. The PCM monitors the ODMs for circuit conditions that are incorrect for the commanded state of the ODM. If the PCM detects an improper circuit condition in the ODM that controls the AIR pump relay for cylinder bank 2, DTC P0419 will set.
| • | The engine is running. | 
| • | The system voltage is between 8-16 volts. | 
| • | The PCM detects an improper voltage level on the output circuit that controls the AIR pump relay for cylinder bank 2. | 
| • | The condition exists for at least 10 seconds. | 
| • | The PCM illuminates the malfunction indicator lamp (MIL) during the second consecutive trip in which the diagnostic test runs and fails. | 
| • | The PCM stores the conditions present when the DTC set as Freeze Frame/Failure Records data. | 
| • | The PCM will turn the MIL OFF after the third consecutive trip in which the diagnostic runs and passes. | 
| • | The history DTC will clear after 40 consecutive warm-up cycles have occurred without a malfunction. | 
| • | The DTC can be cleared by using the scan tool Clear DTC Information function. | 
If the condition is intermittent, refer to Intermittent Conditions .
The number below refers to the step number in the diagnostic table.
| Step | Action | Values | Yes | No | ||||||
|---|---|---|---|---|---|---|---|---|---|---|
| 1 | Did you perform the Powertrain On-Board Diagnostic (OBD) System Check ? | -- | ||||||||
| 2 | Are DTCs P0102, P0443, P0412, and/or P0419 set? | -- | ||||||||
| 3 | Locate and repair the following circuit conditions: 
 
 Is action complete? | -- | -- | |||||||
| 4 | 
 Is the test lamp ON? | -- | ||||||||
| 5 | 
 Is the test lamp ON? | -- | ||||||||
| 6 | 
 Did you find and correct the condition? | -- | ||||||||
| 7 | 
 Does the DMM indicate a voltage near the specified values? | B+ | ||||||||
| 
 
 
 
 Did you find and correct the condition? | -- | |||||||||
| 9 | Locate and repair open ignition feed to the AIR Pump Relay 2. Refer to Wiring Repairs in Wiring Systems. Is action complete? | -- | -- | |||||||
| 10 | 
 Did you find and correct the condition? | -- | ||||||||
| 11 | Replace the AIR Pump Relay 2. Is the action complete? | -- | -- | |||||||
| 12 | Important: The replacement PCM must be programmed. Replace the PCM. Refer to Powertrain Control Module Replacement/Programming . Is the action complete? | -- | -- | |||||||
| 13 | 
 Does the scan tool indicate that DTC P0419 passed? | -- | System OK |