GM Service Manual Online
For 1990-2009 cars only

Refer to one of the following Theft Deterrent System Schematics:

    • 

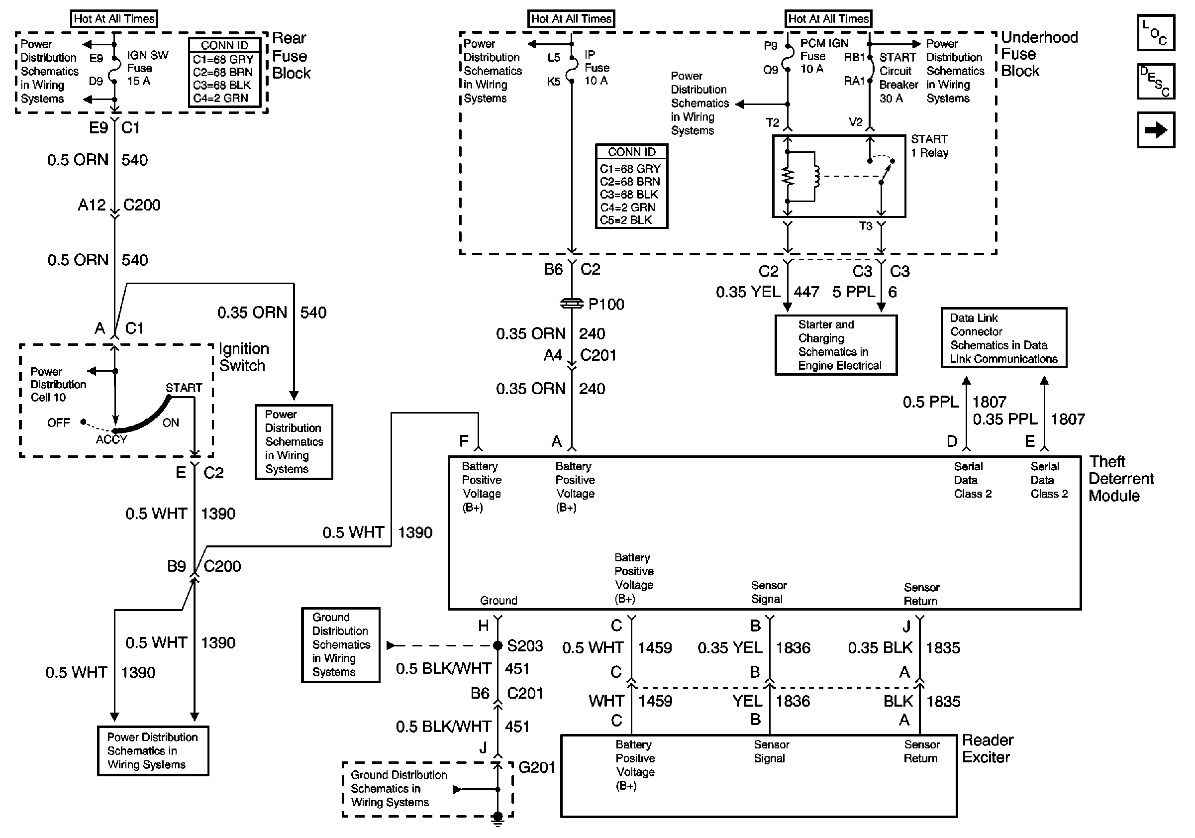
PASS-Key LHD


Object Number: 575983  Size: FS
IGN SW, HTDST LR, HTDST RR, and HTDST RF Fuses
Ignition Switch
Ignition Switch
Ignition Switch
Starter Solenoid Control
Class 2 Serial Data Line (LH Drive)
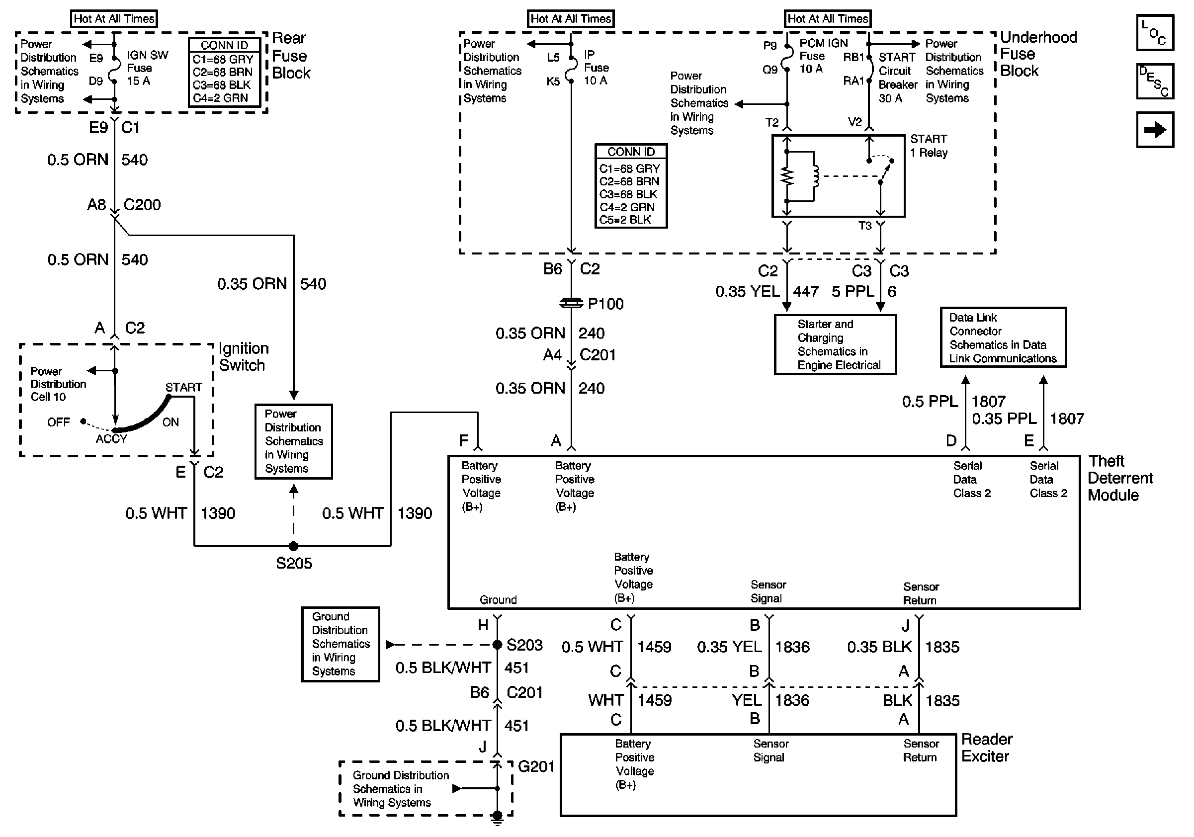
Pass-Key RHD
Theft Deterrent System Components
Vehicle Theft Deterrent (VTD)Circuit Description
Start Circuit Breaker and ACC, WSW Fuses
Start Circuit Breaker and ACC, WSW Fuses
Start Circuit Breaker and ACC, WSW Fuses
G201 (Partial)
    • 

Pass-Key RHD


Object Number: 594066  Size: FS
IGN SW, HTDST LR, HTDST RR, and HTDST RF Fuses
Ignition Switch
Ignition Switch
Starter Solenoid Control
Theft Deterrent System Components
Vehicle Theft Deterrent (VTD)Circuit Description
PASS-Key LHD
Class 2 Serial Data Line (LH Drive)
PCM BATT, EXPORT BRK, IP, ABS Sol, and ABS MOT Fuses
Start Circuit Breaker and ACC, WSW Fuses
Start Circuit Breaker and ACC, WSW Fuses
G201 (Partial)
G201 (Partial)

Circuit Description

The Theft Deterrent (VTD) Module performs an internal test on the non-volatile memory every 300 milliseconds. If the test fails the VTD module will indicate a memory malfunction is current.

Conditions for Setting the DTC

    • DTC B1327 is not set as current.
    • The VTD module determined that a memory malfunction is current.

Action Taken When the DTC Sets

    • Stores a DTC B2734 in the VTD module memory.
    • SERVICE THEFT SYSTEM driver warning message will be displayed for this DTC.
    • The Security Indicator is illuminated.

Conditions for Clearing the DTC

    • The VTD module no longer detects a memory malfunction.
    • Use the On-Boards clearing DTCs feature. Refer to OBSD Procedure.
    • Use a scan tool.

Diagnostic Aids

Since the memory cannot be removed from the VTD module and DTC B2734 is an internal VTD module malfunction, the VTD module may be replaced. Refer to diagnostic table.

Test Description

The numbers below refer to the step numbers on the diagnostic table:

  1. Perform the Theft Deterrent System Diagnostic System Check before continuing with the diagnosis of this DTC.

  2. Clear all DTCs and cycle ignition to check that the DTC did not falsely set.

  3. Clear all DTCs after the repair procedure is complete.

DTC B2734

Step

Action

Value(s)

Yes

No

1

Was the Theft Deterrent System Diagnostic System Check performed?

--

Go to Step 2

Go to Diagnostic System Check - Theft Deterrent

2

  1. Turn ON the ignition.
  2. Clear all DTCs.
  3. Turn OFF the ignition.
  4. Turn ON the ignition.

Is the DTC still present?

--

Go to Step 3

Go to Testing for Intermittent Conditions and Poor Connections

3

Replace the VTD Module. Refer to Theft Deterrent Module Replacement .

Refer to Programming Theft Deterrent System Components .

Is the replacement complete?

--

Go to Step 4

--

4

  1. Turn OFF the ignition.
  2. Reconnect or install any connectors or components that were disconnected or removed.
  3. Turn ON the ignition.
  4. Clear any DTCs.

Are all DTCs cleared?

--

Go to Diagnostic System Check - Theft Deterrent

--