GM Service Manual Online
For 1990-2009 cars only

Tools Required

J 42640 Steering Column Lock Pin

Removal Procedure

Caution: In order to avoid being burned, do not service the exhaust system while it is still hot. Service the system when it is cool.

Caution: Always wear protective goggles and gloves when removing exhaust parts as falling rust and sharp edges from worn exhaust components could result in serious personal injury.

  1. Disconnect the heated oxygen sensor at the sensor pigtail.
  2. Notice: The wheels of the vehicle must be straight ahead and the steering column in the LOCK position before disconnecting the steering column or intermediate shaft from the steering gear. Failure to do so will cause the coil assembly in the steering column to become uncentered which will cause damage to the coil assembly.


    Object Number: 333146  Size: SH
  3. Lock the steering column by installing the J 42640 into the underside of the steering column.
  4. Raise and support the vehicle. Refer to Lifting and Jacking the Vehicle in General Information.
  5. Remove the rear exhaust manifold pipe. Refer to Exhaust Manifold Rear Pipe Replacement .

  6. Object Number: 690155  Size: SH
  7. Remove the 2 nuts (2) attaching the secondary AIR tube (1) to the exhaust manifold (3).
  8. Remove the secondary AIR tube (1) and the gasket from the exhaust manifold (3). Do not reuse the gasket.

  9. Object Number: 293350  Size: SH
  10. Disconnect the post heated oxygen sensor wiring harness retainer from the power steering gear heat shield.
  11. Remove the 2 bolts securing the heat shield.
  12. Remove the heat shield from the power steering gear.

  13. Object Number: 694213  Size: SH
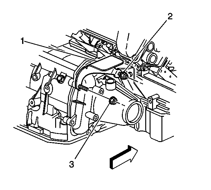
  14. Remove the rearward nut (3) securing the vehicle speed sensor heat shield (1).
  15. Loosen the forward nut (2) in order to remove the heat shield (1).
  16. Remove the heat shield (1) from the transaxle.

  17. Object Number: 482639  Size: SH
  18. Disconnect the real time dampening sensor links (1) from the lower control arms.

  19. Object Number: 105357  Size: SH

    Caution: Failure to disconnect the intermediate shaft from the rack and pinion stub shaft can result in damage to the steering gear and/or damage to the intermediate shaft. This damage may cause loss of steering control which could result in personal injury.

  20. Remove the intermediate shaft pinch bolt.
  21. Disconnect the intermediate shaft from the steering gear.

  22. Object Number: 105771  Size: SH
  23. Remove the nut securing the right engine mount to the right engine mount bracket.

  24. Object Number: 464466  Size: SH
  25. Remove the nut securing the left transaxle mount to the left transaxle mount bracket.

  26. Object Number: 694208  Size: SH
  27. Support the rear of the engine frame with a tall screw jack.
  28. Remove the 4 rearward engine frame-to-body bolts.
  29. Lower the screw jack approximately 4 cm (1.5 in) allowing the rear of the engine frame to lower.
  30. Remove the heated oxygen sensor if replacement is necessary. Refer to Heated Oxygen Sensor Replacement - Bank 1 Sensor 1 in Engine Controls-4.6L.

  31. Object Number: 690153  Size: SH
  32. Remove the right exhaust manifold retaining bolts.
  33. Remove the right exhaust manifold and the gasket from the engine. Do not reuse the gasket.
  34. Clean and inspect the right exhaust manifold. Refer to Exhaust Manifold Cleaning and Inspection - Right Side in Engine Mechanical-4.6L Unit Repair.

Installation Procedure


    Object Number: 690153  Size: SH
  1. Place a NEW exhaust manifold gasket over the cylinder head studs.
  2. Position the right exhaust manifold to the right cylinder head.
  3. Notice: Use the correct fastener in the correct location. Replacement fasteners must be the correct part number for that application. Fasteners requiring replacement or fasteners requiring the use of thread locking compound or sealant are identified in the service procedure. Do not use paints, lubricants, or corrosion inhibitors on fasteners or fastener joint surfaces unless specified. These coatings affect fastener torque and joint clamping force and may damage the fastener. Use the correct tightening sequence and specifications when installing fasteners in order to avoid damage to parts and systems.

  4. Install the right exhaust manifold nuts.
  5. Tighten
    Tighten the exhaust manifold nuts to 25 N·m (18 lb ft).

  6. Install the heated oxygen sensor. Refer to Heated Oxygen Sensor Replacement - Bank 1 Sensor 1 in Engine Controls-4.6L.

  7. Object Number: 694208  Size: SH
  8. Raise the engine cradle into position.
  9. Install the 4 rearward engine frame-to-body bolts.
  10. Tighten
    Tighten the engine frame bolts to 191 N·m (141 lb ft).

  11. Remove the screw jack.

  12. Object Number: 464466  Size: SH
  13. Install the nut securing the left transaxle mount to the left transaxle mount bracket.
  14. Tighten
    Tighten the transaxle mount nut to 80 N·m (59 lb ft).


    Object Number: 105771  Size: SH
  15. Install the nut securing the right engine mount to the right engine mount bracket.
  16. Tighten
    Tighten the engine mount nut to 80 N·m (59 lb ft).


    Object Number: 105357  Size: SH

    Caution: When installing the intermediate shaft make sure that the shaft is seated prior to pinch bolt installation. If the pinch bolt is inserted into the coupling before shaft installation, the two mating shafts may disengage. Disengagement of the two mating shafts will cause loss of steering control which could result in personal injury.

  17. Connect the intermediate shaft to the steering gear.
  18. Install the intermediate shaft pinch bolt.
  19. Tighten
    Tighten the intermediate shaft pinch bolt to 45 N·m (33 lb ft).


    Object Number: 482639  Size: SH
  20. Connect the real time dampening sensor links (1) to the lower control arms.

  21. Object Number: 694213  Size: SH
  22. Position the vehicle speed sensor heat shield (1) to the studs on transaxle.
  23. Install the retaining nuts (2, 3) securing the vehicle speed sensor heat shield to the transaxle.
  24. Tighten
    Tighten the vehicle speed sensor heat shield nuts to 50 N·m (37 lb ft).


    Object Number: 293350  Size: SH
  25. Position the power steering gear heat shield to the power steering gear.
  26. Install the 2 bolts securing the heat shield.
  27. Tighten
    Tighten the power steering gear heat shield bolts to 9 N·m (80 lb in).

  28. Connect the post heated oxygen sensor wiring harness retainer to the heat shield.

  29. Object Number: 690155  Size: SH
  30. Install the new gasket to the secondary AIR tube (1).
  31. Install the 2 nuts (2) attaching the secondary AIR tube (1) to the exhaust manifold (3).
  32. Tighten
    Tighten the secondary AIR tube nuts to 12 N·m (106 lb in).

  33. Install the rear exhaust manifold pipe. Refer to Exhaust Manifold Rear Pipe Replacement .
  34. Lower the vehicle.

  35. Object Number: 333146  Size: SH
  36. Remove the J 42640 from the steering column.
  37. Connect the heated oxygen sensor at the sensor pigtail.