GM Service Manual Online
For 1990-2009 cars only
Figure 1:

Battery Feeds


Object Number: 642404  Size: FS
Power to Underhood Fuse Block
Figure 2:

Power to Underhood Fuse Block


Object Number: 642408  Size: FS
IGN SW and HTDST Fuses
Battery Feeds
Figure 3:

IGN SW and HTDST Fuses


Object Number: 642410  Size: FS
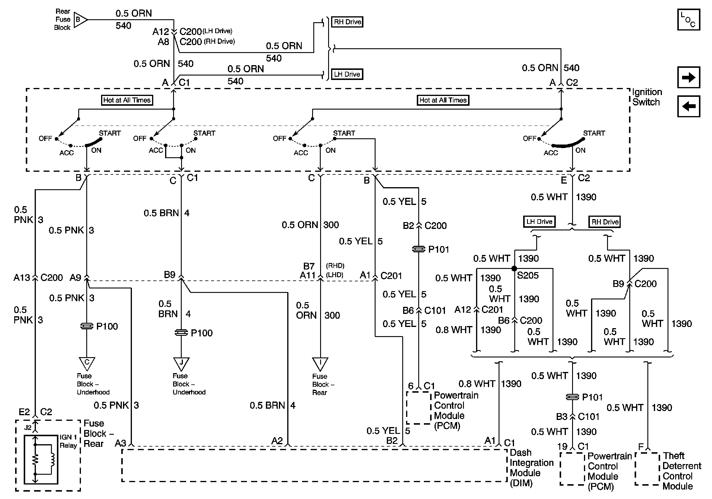
Ignition Switch
Power to Underhood Fuse Block
Figure 4:

Ignition Switch


Object Number: 642412  Size: FS
ELC, INJR 1, and INJR 2 Fuses
IGN SW and HTDST Fuses
Figure 5:

ELC, INJR 1, and INJR 2 Fuses


Object Number: 642437  Size: FS
Ignition Switch
IGN 3 RR Relay, HVAC and ABS Fuses
Figure 6:

IGN 3 RR Relay, HVAC and ABS Fuses


Object Number: 642419  Size: FS
IGN 3 RR Fuse
ELC, INJR 1, and INJR 2 Fuses
Figure 7:

IGN 3 RR Fuse


Object Number: 642421  Size: FS
MEM T/T, PWR T/T, and TSIG/HAZ Fuses
IGN 3 RR Relay, HVAC and ABS Fuses
Figure 8:

MEM T/T, PWR T/T, and TSIG/HAZ Fuses


Object Number: 642441  Size: FS
IGN 3 RR Fuse
PWR SEAT Circuit Breaker and CVRTD Fuse
Figure 9:

PWR SEAT Circuit Breaker and CVRTD Fuse


Object Number: 642445  Size: FS
MEM T/T, PWR T/T, and TSIG/HAZ Fuses
OXY SEN A, COIL MDL, CR CONT Fuses
Figure 10:

OXY SEN A, COIL MDL, CR CONT Fuses


Object Number: 642423  Size: FS
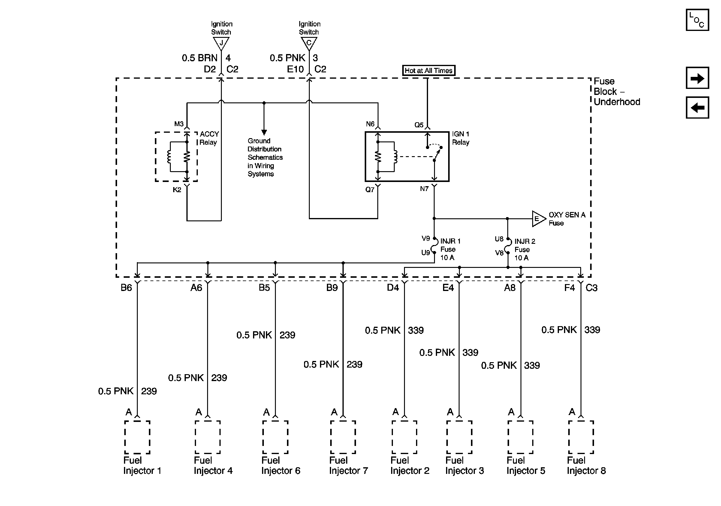
IGN 1 Fuse
PWR SEAT Circuit Breaker and CVRTD Fuse
Figure 11:

IGN 1 Fuse


Object Number: 642451  Size: FS
OXY SEN A, COIL MDL, CR CONT Fuses
PRK LP Relay and PRK LP L Fuse
Figure 12:

PRK LP Relay and PRK LP L Fuse


Object Number: 642427  Size: FS
LP PK R Fuse
IGN 1 Fuse
Figure 13:

LP PK R Fuse


Object Number: 642429  Size: FS
DIMR Fuse
PRK LP Relay and PRK LP L Fuse
Figure 14:

DIMR Fuse


Object Number: 642431  Size: FS
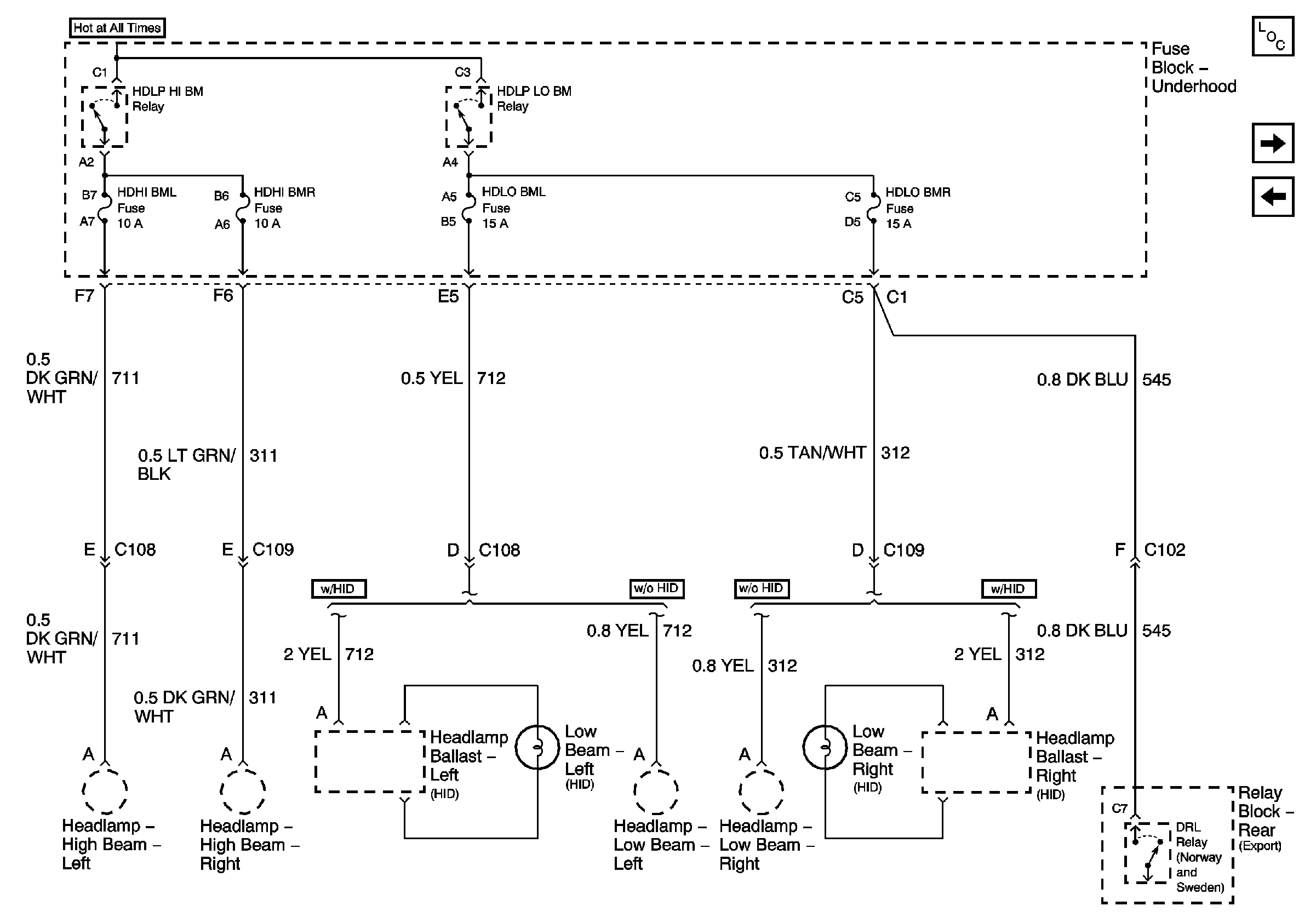
HDLP HI BM and HDLP LO BM Relays
LP PK R Fuse
Figure 15:

HDLP HI BM and HDLP LO BM Relays


Object Number: 642433  Size: FS
RAP and EXPORT LGT Fuses
DIMR Fuse
Figure 16:

RAP and EXPORT LGT Fuses


Object Number: 642442  Size: FS
HDLP HI BM and HDLP LO BM Relays
PWR WDO Circuit Breaker
Figure 17:

PWR WDO Circuit Breaker


Object Number: 642444  Size: FS
RAP and EXPORT LGT Fuses
Door MDL and ALDL Fuses
Figure 18:

Door MDL and ALDL Fuses


Object Number: 642447  Size: FS
PWR WDO Circuit Breaker
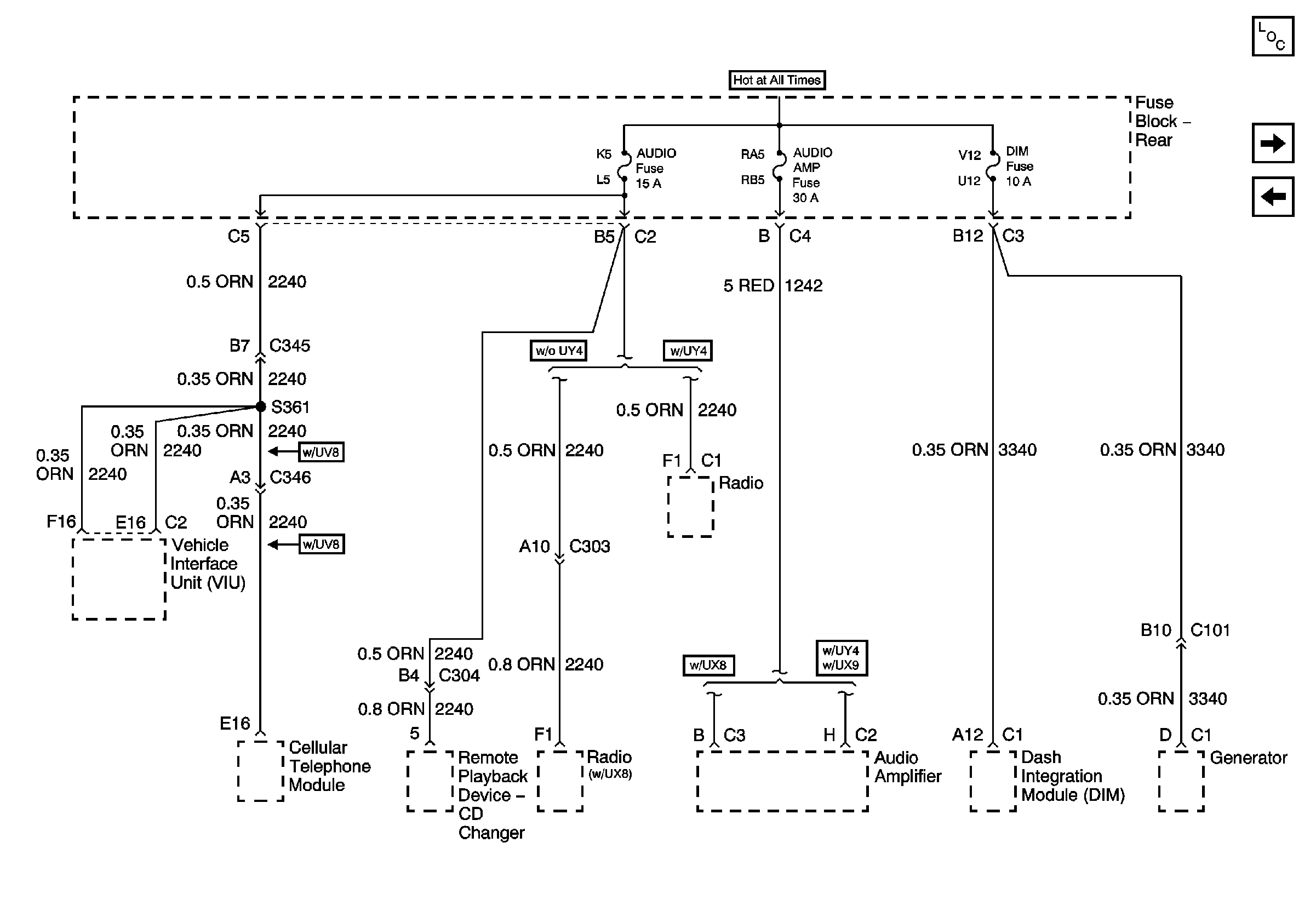
AUDIO, AUDIO AMP, DIM Fuses
Figure 19:

AUDIO, AUDIO AMP, DIM Fuses


Object Number: 642443  Size: FS
Door MDL and ALDL Fuses
EXPORT BRK, PCM BATT, I/P, and ABS Fuses
Figure 20:

EXPORT BRK, PCM BATT, I/P, and ABS Fuses


Object Number: 642449  Size: FS
AUDIO, AUDIO AMP, DIM Fuses
SIR, VENT SOL, IGN 1 Fuses and IGN 1 Relay
Figure 21:

SIR, VENT SOL, IGN 1 Fuses and IGN 1 Relay


Object Number: 642414  Size: FS
EXPORT BRK, PCM BATT, I/P, and ABS Fuses
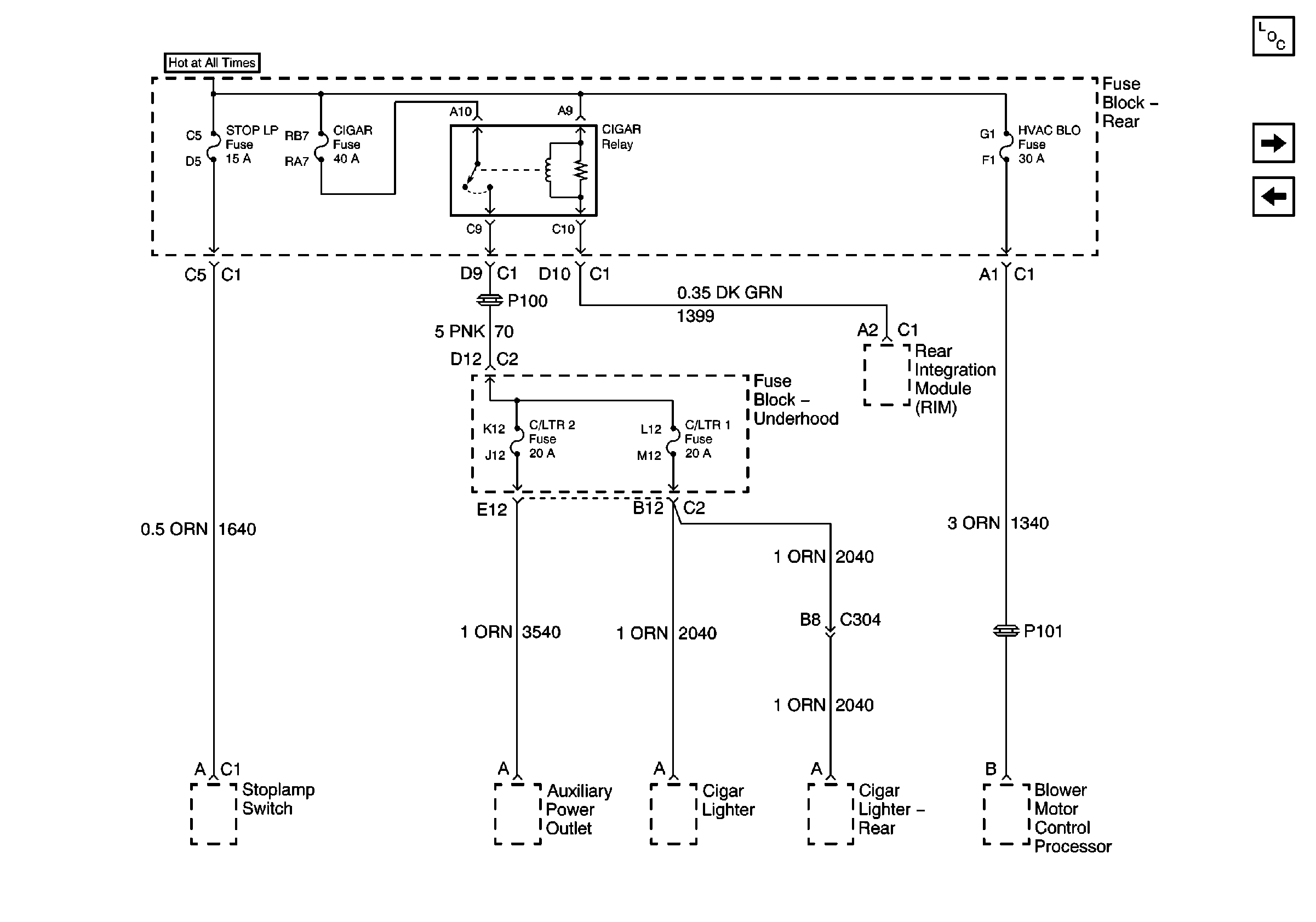
CIGAR Relay and STOP LP, CIGAR, HVAC BLO Fuses
Figure 22:

CIGAR Relay and STOP LP, CIGAR, HVAC BLO Fuses


Object Number: 642440  Size: FS
SIR, VENT SOL, IGN 1 Fuses and IGN 1 Relay
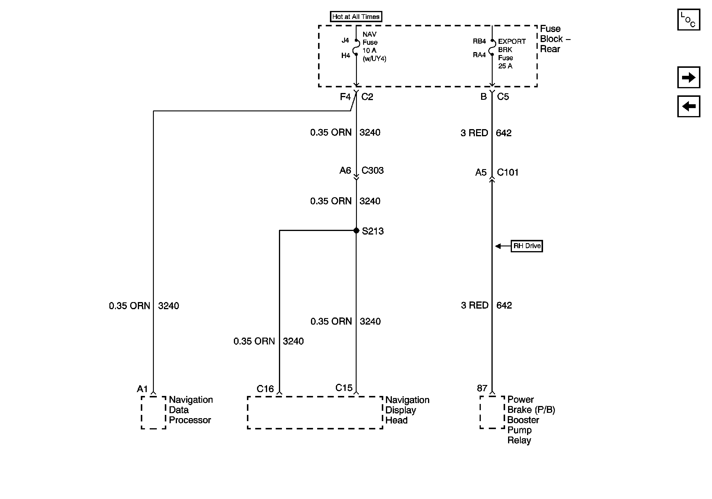
NAV Fuse
Figure 23:

NAV Fuse


Object Number: 642435  Size: FS
CIGAR Relay and STOP LP, CIGAR, HVAC BLO Fuses
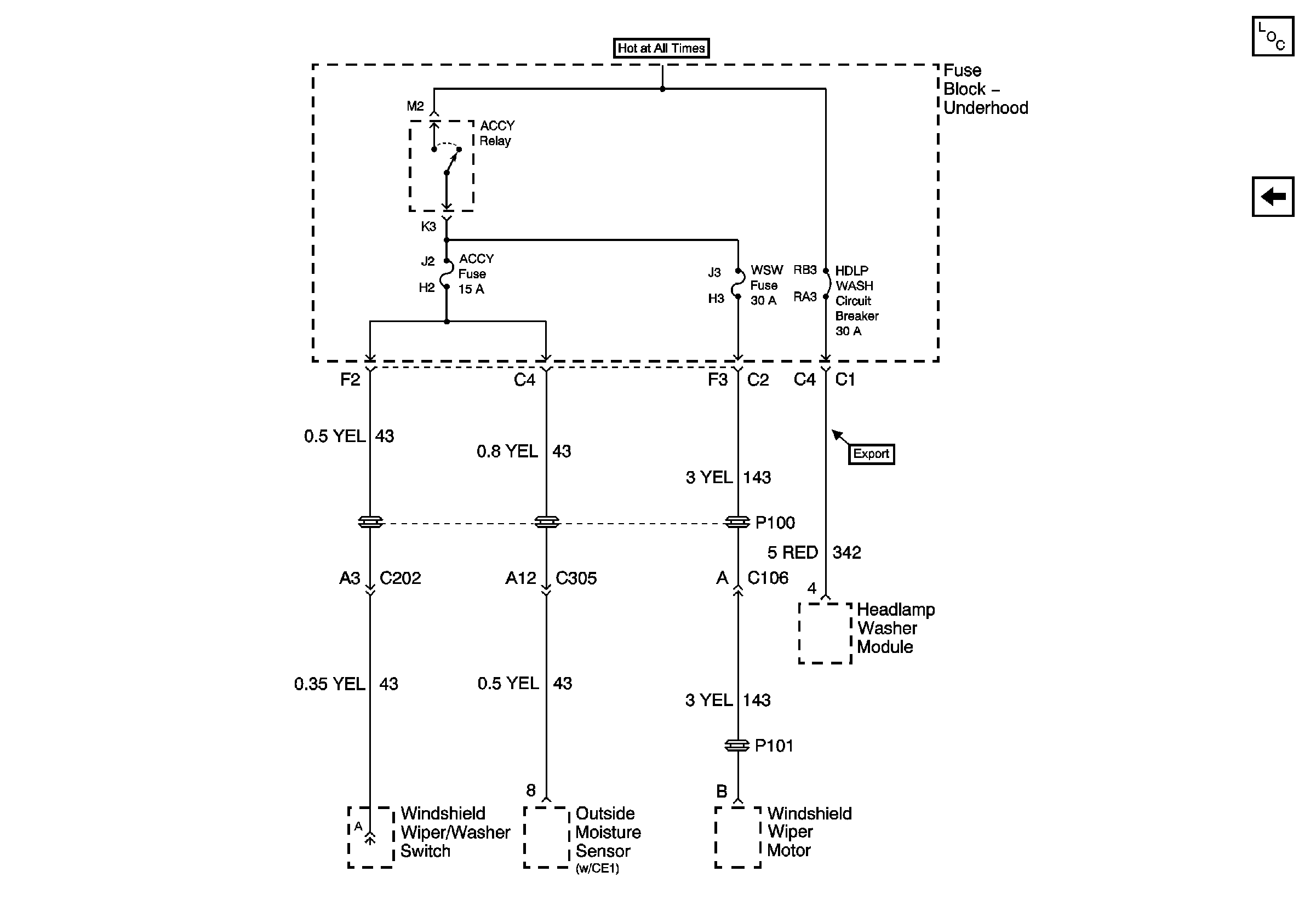
ACCY Relay, START and HDLP WASH Circuit Breakers
Figure 24:

ACCY Relay, START and HDLP WASH Circuit Breakers


Object Number: 642416  Size: FS
NAV Fuse