GM Service Manual Online
For 1990-2009 cars only
Makes
🢒
Cadillac
🢒
2001
🢒
Seville
🢒
Brakes
🢒
Hydraulic Brakes
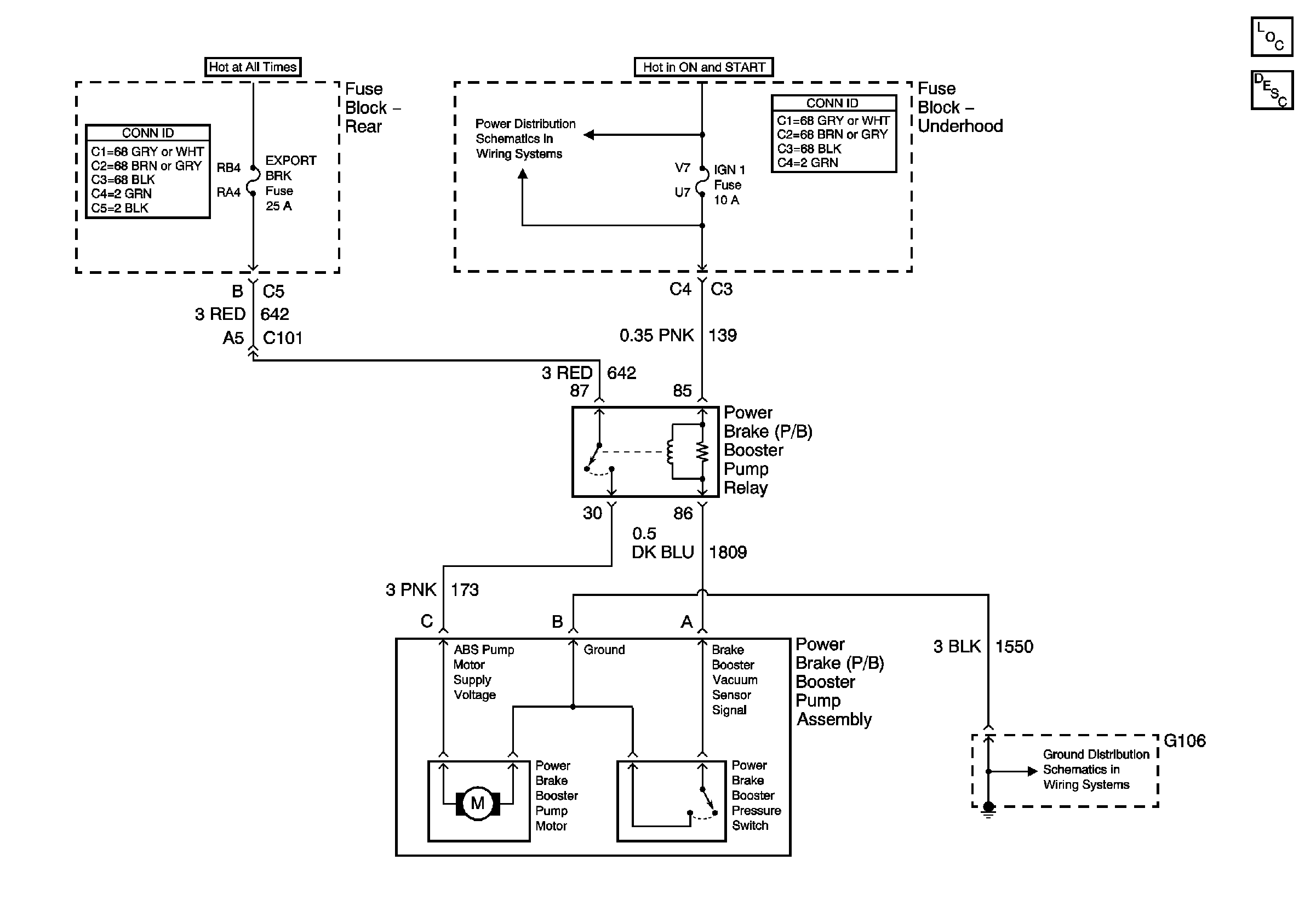
🢒 Power Brake Booster Pump Schematics
P/B Power and Ground
Hydraulic Brake Component Views
Power to Underhood Fuse Block
G106 and G108