GM Service Manual Online
For 1990-2009 cars only
Makes
🢒
Cadillac
🢒
2001
🢒
Seville
🢒
Brakes
🢒
Disc Brakes
🢒 Disc Brake Schematics
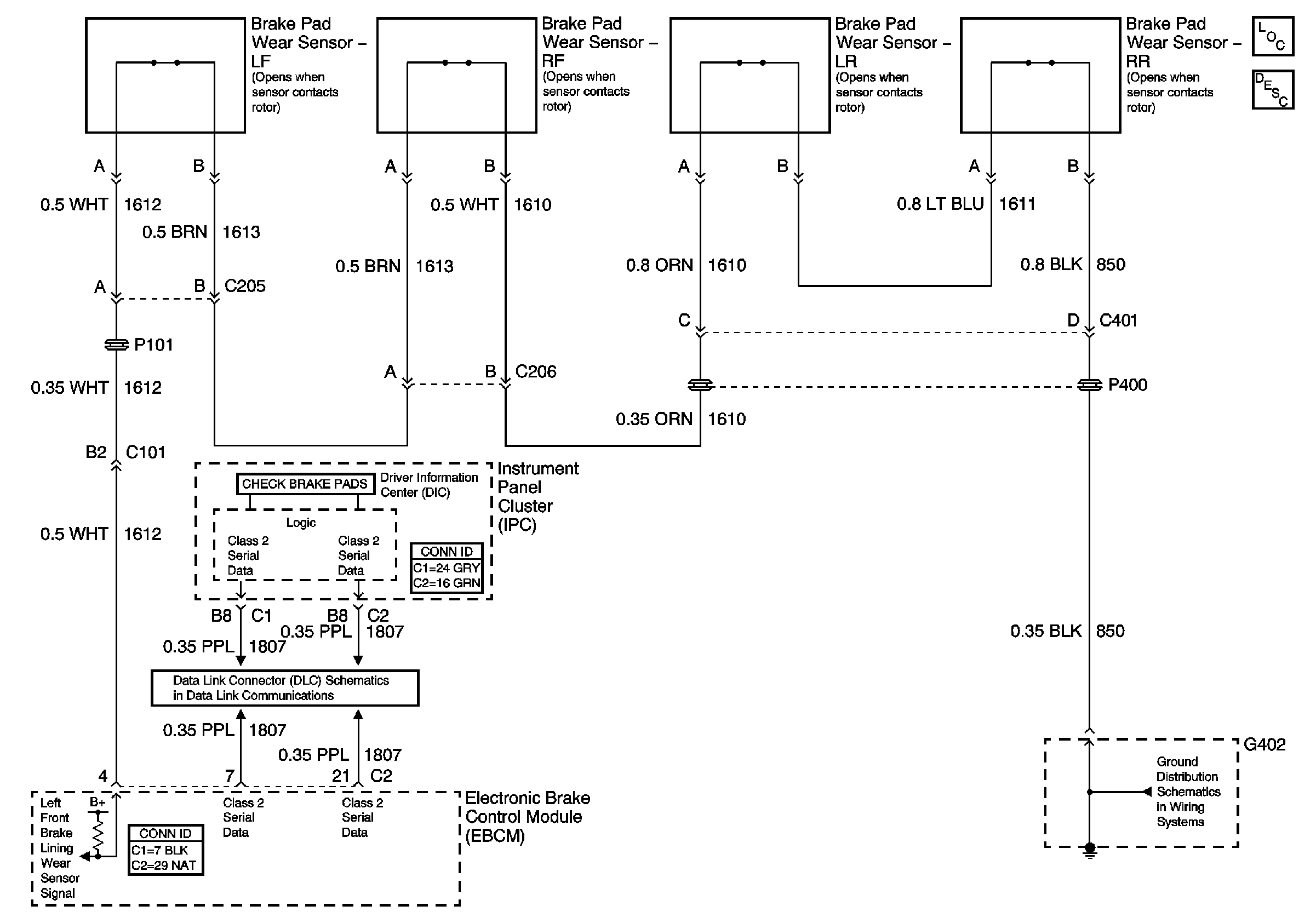
Brake Pad Wear Sensors
Disc Brake Component Views
Disc Brake System Description and Operation
Class 2 Serial Data Line (LH Drive) (1 of 2)
G402 (1 of 2)