GM Service Manual Online
For 1990-2009 cars only
Makes
🢒
Cadillac
🢒
2001
🢒
Seville
🢒
Transmission/Transaxle
🢒
Shift Lock Control
🢒 Shift Lock Control Schematics
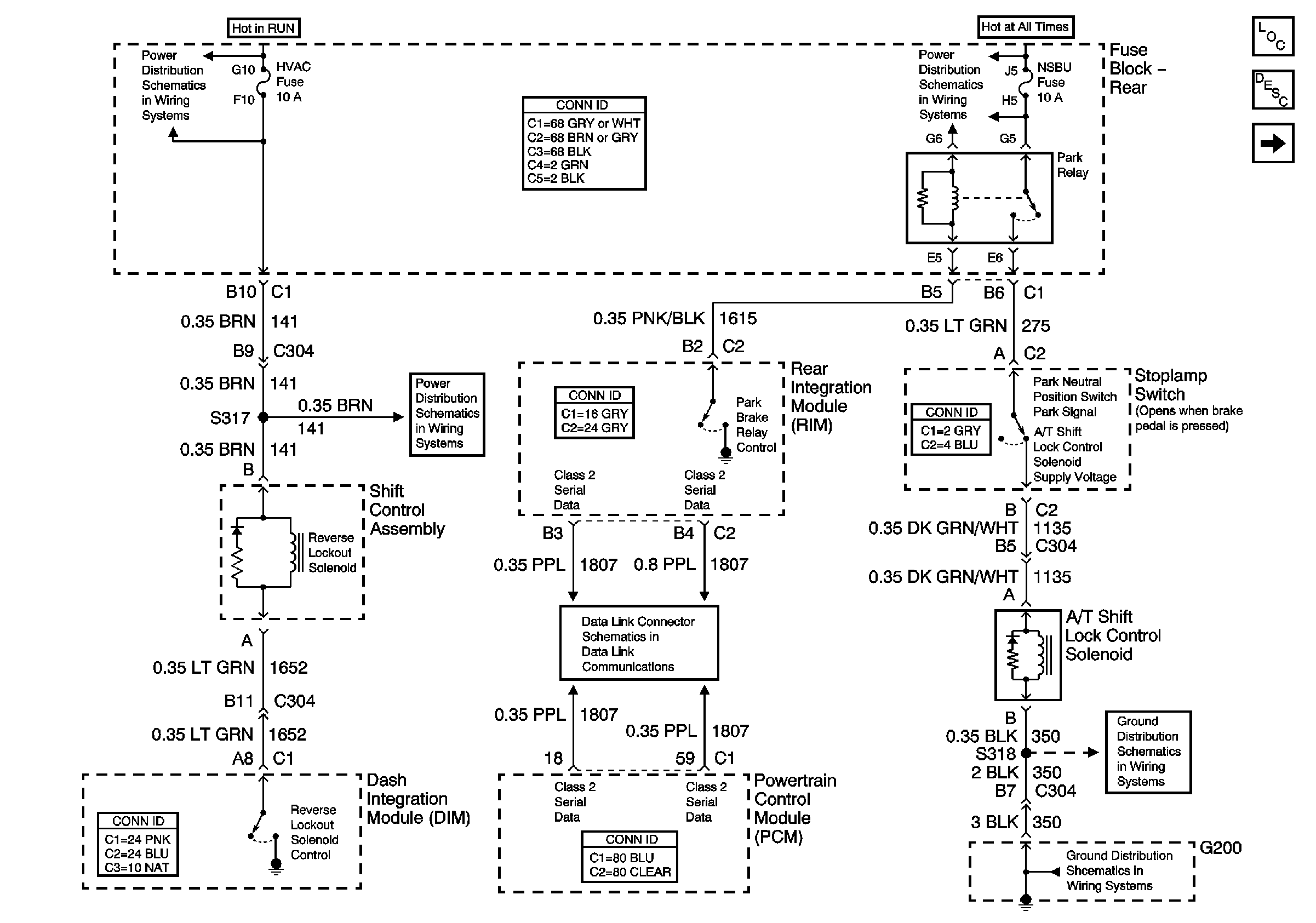
Figure
1:
Shift Interlock Actuator Control
Automatic Transaxle Fluid Pressure Manual Valve Position Switch
Shift Lock Control Component Views
Automatic Transmission Shift Lock Control Description and Operation
Battery Feeds
Battery Feeds
IGN 3 RR Relay, HVAC and ABS Fuses
Class 2 Serial Data Line (LH Drive) (1 of 2)
G200 and G202
G200 and G202
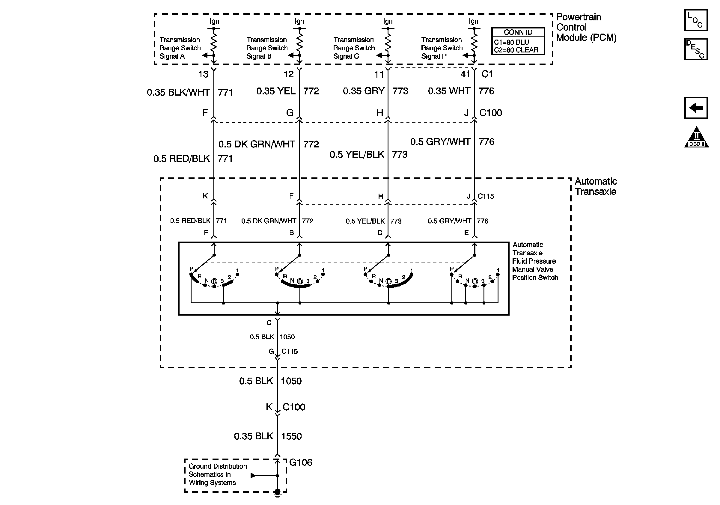
Figure
2:
Automatic Transaxle FLuid Pressure Manual Valve Position Switch
Shift Interlock Actuator Control
Shift Lock Control Component Views
Automatic Transmission Shift Lock Control Description and Operation
G106 and G108