GM Service Manual Online
For 1990-2009 cars only

Windshield Wiper and Washer Switch Assembly - Disassemble - Off Vehicle Power Tilt and Telescope

  1. Remove the upper and lower trim covers. Refer to Steering Column Trim Covers - Disassemble - Off Vehicle .

  2. Object Number: 428824  Size: SH
  3. Disconnect the windshield wiper and washer switch assembly connector.

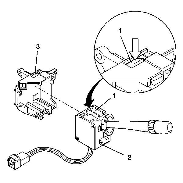
  4. Object Number: 428823  Size: SH
  5. Depress the tabs (2) on the windshield wiper and washer switch assembly (1) and remove from the signal switch housing assembly.

Windshield Wiper and Washer Switch Assembly - Disassemble - Off Vehicle Manual Tilt

  1. Remove the upper and lower trim covers. Refer to Steering Column Trim Covers - Disassemble - Off Vehicle .

  2. Object Number: 428824  Size: SH
  3. Disconnect the windshield wiper and washer switch assembly connector.

  4. Object Number: 428823  Size: SH
  5. Depress the tabs (2) on the windshield wiper and washer switch assembly (1) and remove from the signal switch housing assembly.

Windshield Wiper and Washer Switch Assembly - Disassemble - Off Vehicle Right Hand

  1. Remove the steering column tilt head components. Refer to Steering Column Tilt Head Housing - Disassemble - Off Vehicle .

  2. Object Number: 312445  Size: SH
  3. Remove the gray connector (1).

  4. Object Number: 312470  Size: SH
  5. Remove the 3 screws (1) from the signal switch housing assembly (2).

  6. Object Number: 312481  Size: SH
  7. Depress the tabs (1) on the windshield wiper and washer switch assembly (2) and remove from the signal switch housing assembly (3).